电脑桌面
添加小米粒文库到电脑桌面
安装后可以在桌面快捷访问

塔吊安全专项施工方案(24页)VIP免费

塔吊安全专项施工方案(24页)_第1页
1/24
塔吊安全专项施工方案(24页)_第2页
2/24
塔吊安全专项施工方案(24页)_第3页
3/24
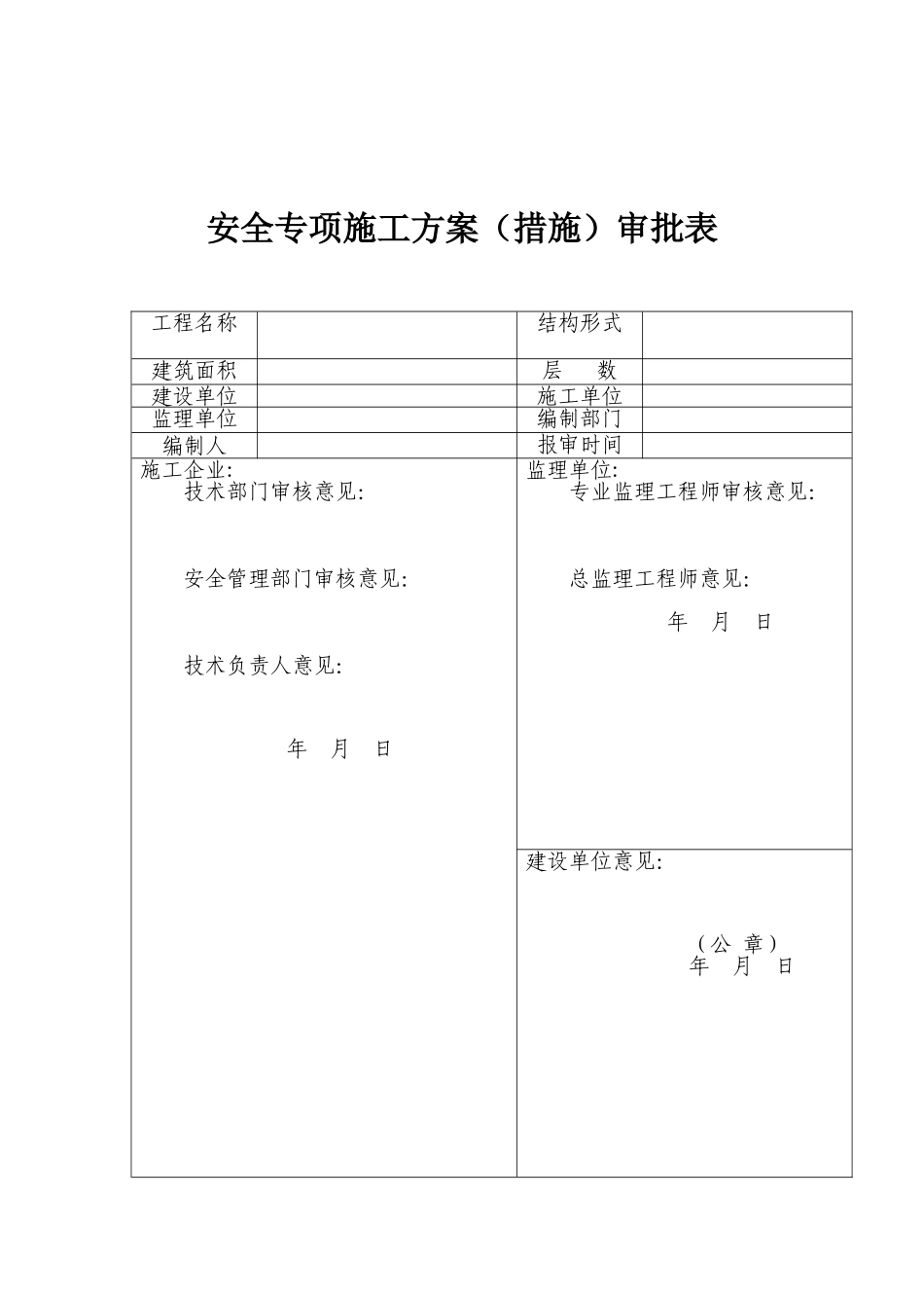
安全专项施工方案(宋体,初号字)企业标识××××××××公司(宋体,二号字)安全专项施工方案(措施)审批表工程名称结构形式建筑面积层数建设单位施工单位监理单位编制部门编制人报审时间施工企业:技术部门审核意见:安全管理部门审核意见:技术负责人意见:年月日监理单位:专业监理工程师审核意见:总监理工程师意见:年月日建设单位意见:(公章)年月日目录第一节、工程概况---------------------------------------------------------------------------2-一、工程概况----------------------------------------------------------------------------2-二、施工平面布置----------------------------------------------------------------------2-三、施工要求----------------------------------------------------------------------------2-四、技术保证条件----------------------------------------------------------------------3-第二节、编制依据---------------------------------------------------------------------------4-第三节、施工计划---------------------------------------------------------------------------5-一、施工进度计划----------------------------------------------------------------------5-二、材料与设备计划-------------------------------------------------------------------5-第四节、施工工艺技术---------------------------------------------------------------------6-一、技术参数----------------------------------------------------------------------------6-二、工艺流程----------------------------------------------------------------------------6-三、施工方法----------------------------------------------------------------------------6-四、检查验收----------------------------------------------------------------------------6-第五节、施工安全保证措施---------------------------------------------------------------8-一、组织保障----------------------------------------------------------------------------8-二、技术措施----------------------------------------------------------------------------8-三、监测监控--------------------------------------------------------------------------10-四、应急预案--------------------------------------------------------------------------10-第六节、劳动力计划-----------------------------------------------------------------------12-一、专职安全生产管理人员--------------------------------------------------------12-二、所需劳动力安排-----------------------------------------------------------------12-第七节、计算书及相关图纸--------------------------------------------------------------13-【计算书】-----------------------------------------------------------------------------13-【附图】--------------------------------------------------------------------------------22-第一节、工程概况一、工程概况【工程概况应针对该危险性较大的分部分项工程的特点及要求进行编写】项目名称:XXXXX工程;工程建设地点:XXXXX;周边环境:;总建筑面积:80000.00平方米;占地面积:5000平方米;建筑高度:99.00m;地上27层;地下2层;主体结构:框剪;QTZ63塔机台数:2台;。本工程建设单位:XXXXX公司;施工单位:XXXXX公司;设计单位:XXX;监理单位:XXX;塔机产权单位:XXXXX公司;项目经理:XXX;技术负责人:XXX;专业监理工程师:XXX;总监理工程师:XXX。水文地质条件:塔基基础直接作用于拟建建筑物持力土层上,基础底部标高-12.6m,地基承载力300kPa。塔吊基础采用C35P8商品混凝土。二、施工平面布置三、施工要求1、确保塔吊在使用周期内安全、稳定、牢靠。2、塔吊在搭设及拆除过程中要符合工程施工进度要求。3、塔吊施工前对施工人员进行技术交底。严禁盲目施工。四、技术保证条...

1、当您付费下载文档后,您只拥有了使用权限,并不意味着购买了版权,文档只能用于自身使用,不得用于其他商业用途(如 [转卖]进行直接盈利或[编辑后售卖]进行间接盈利)。
2、本站所有内容均由合作方或网友上传,本站不对文档的完整性、权威性及其观点立场正确性做任何保证或承诺!文档内容仅供研究参考,付费前请自行鉴别。
3、如文档内容存在违规,或者侵犯商业秘密、侵犯著作权等,请点击“违规举报”。

碎片内容

塔吊安全专项施工方案(24页)

确认删除?
VIP
微信客服
  • 扫码咨询
会员Q群
  • 会员专属群点击这里加入QQ群
客服邮箱
回到顶部