电脑桌面
添加小米粒文库到电脑桌面
安装后可以在桌面快捷访问

室内给水管道安装技术交底1VIP免费

室内给水管道安装技术交底1_第1页
1/7
室内给水管道安装技术交底1_第2页
2/7
室内给水管道安装技术交底1_第3页
3/7
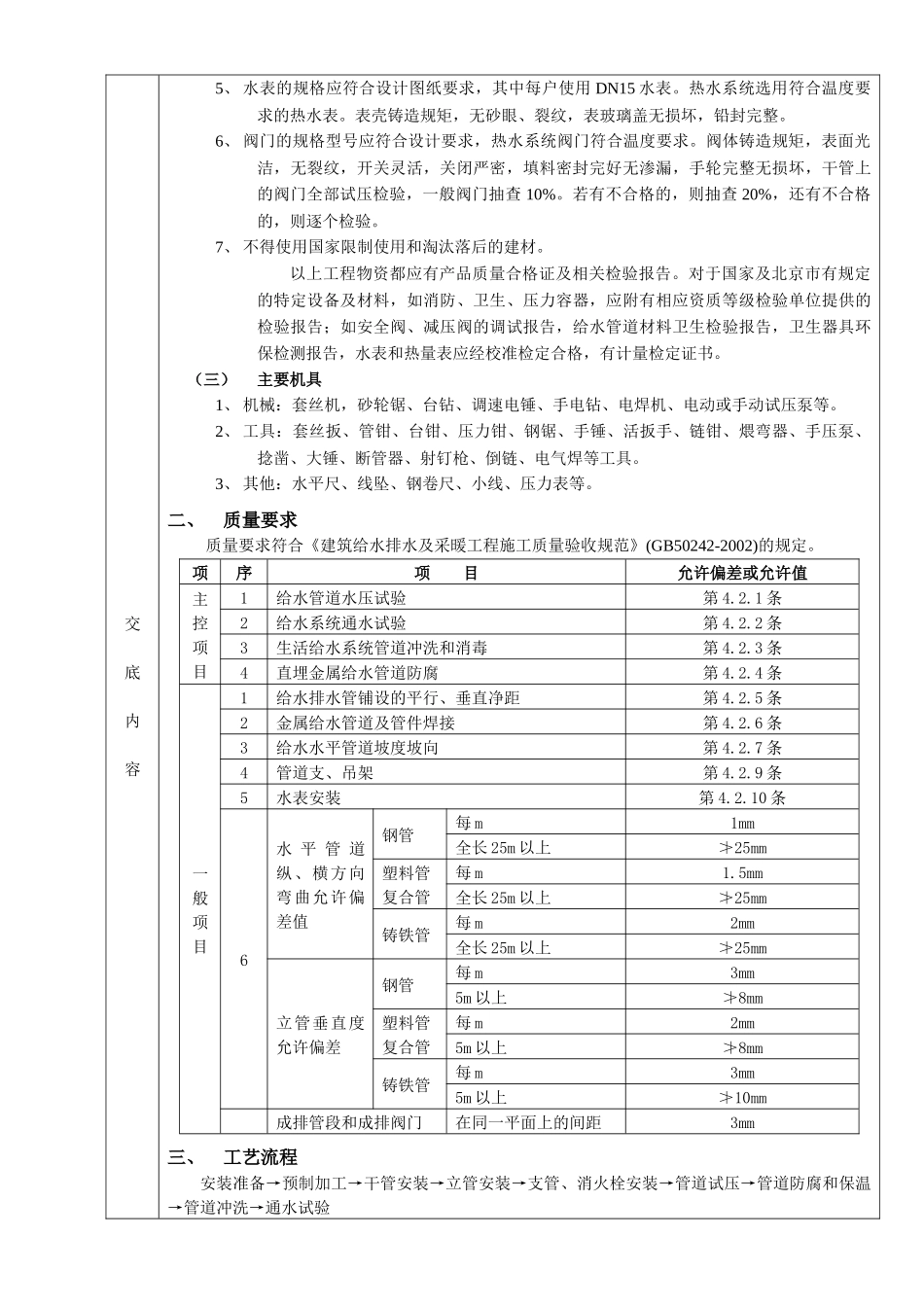
建筑设备安装室内给水管道分项工程施工技术(工艺、质量)技术交底卡GD3010109单位(子单位)工程名称所属子分部(系统)工程名称/分项(子系统)工程名称相关的施工部位(层、区、段、房、室)总承包施工单位项目负责人专业承包施工单位项目负责人施工执行的技术标准(含企业的工艺规程、工法等)名称及编号交底内容一、施工准备(一)作业条件1、地下管道铺设必须在房心土回填夯实或挖到管底标高,沿管线铺设位置清理干净,管道穿墙处巳留管洞或安装套管,其洞口尺寸和套管规格符合要求,坐标、标高正确。2、暗装管道应在地沟盖板前或吊顶封闭前进行安装。3、明装托、吊干管安装必须在安装层的结构顶板完成后进行。沿管线安装位置的模板及杂物清理干净,托吊卡件均已安装牢固,位置正确。4、立管安装宜在主体结构完成后进行。高层建筑在主体结构达到安装条件后,适当插入进行。每层均应有明确的标高线,暗装竖井管道,应把竖井内的模板及杂物清除干净,并有防坠落措施。5、支管安装应在墙体砌筑完毕墙面未装修前进行。(二)材料要求1、铸铁给水管及管件质量标准应执行YB/T5188、GB3287。其规格尺寸应符合设计要求,管壁厚度均匀,内外光滑整洁,不得有砂眼、裂纹、毛刺和疙瘩;承插口的内外径及管件应造型规矩,管内外表面的防腐涂层应整洁均匀,附着牢固。室外给水铸铁管安装多数采用橡胶圈接口,管道与橡胶圈采用同一厂家产品,已经配好橡胶圈。给水铸铁管件采用自来水公司配套产品。手锤轻轻敲打,沙沙声说明质量不好,应检查是否有裂缝;用锤击断管壁,断面呈灰色,组织均匀、紧密、细颗粒为合格。2、镀锌给水管及管件质量标准应执行GB/T3091。其规格种类应符合设计要求,管内外镀锌均匀,无锈蚀,无毛刺。管件无偏扣、乱扣、丝扣不全或角度不准等现象。将几个相同直径的管件串起来,看是否乱扣、偏扣、角度不准,然后试压。3、消火栓系统管材按设计要求选用,一般采用碳素钢管或无缝钢管,管材不得有弯曲、锈蚀、重皮及凹凸不平等现象。4、消火栓箱体的规格型号应符合设计图纸要求,箱体表面平整、光洁,无锈蚀、划伤,箱门开启灵活。箱体方正,箱内配件齐全。栓阀外形规矩,无裂纹,启闭灵活,关闭严密,密封填料完好。交底内容5、水表的规格应符合设计图纸要求,其中每户使用DN15水表。热水系统选用符合温度要求的热水表。表壳铸造规矩,无砂眼、裂纹,表玻璃盖无损坏,铅封完整。6、阀门的规格型号应符合设计要求,热水系统阀门符合温度要求。阀体铸造规矩,表面光洁,无裂纹,开关灵活,关闭严密,填料密封完好无渗漏,手轮完整无损坏,干管上的阀门全部试压检验,一般阀门抽查10%。若有不合格的,则抽查20%,还有不合格的,则逐个检验。7、不得使用国家限制使用和淘汰落后的建材。以上工程物资都应有产品质量合格证及相关检验报告。对于国家及北京市有规定的特定设备及材料,如消防、卫生、压力容器,应附有相应资质等级检验单位提供的检验报告;如安全阀、减压阀的调试报告,给水管道材料卫生检验报告,卫生器具环保检测报告,水表和热量表应经校准检定合格,有计量检定证书。(三)主要机具1、机械:套丝机,砂轮锯、台钻、调速电锤、手电钻、电焊机、电动或手动试压泵等。2、工具:套丝扳、管钳、台钳、压力钳、钢锯、手锤、活扳手、链钳、煨弯器、手压泵、捻凿、大锤、断管器、射钉枪、倒链、电气焊等工具。3、其他:水平尺、线坠、钢卷尺、小线、压力表等。二、质量要求质量要求符合《建筑给水排水及采暖工程施工质量验收规范》(GB50242-2002)的规定。项序项目允许偏差或允许值主控项目1给水管道水压试验第4.2.1条2给水系统通水试验第4.2.2条3生活给水系统管道冲洗和消毒第4.2.3条4直埋金属给水管道防腐第4.2.4条一般项目1给水排水管铺设的平行、垂直净距第4.2.5条2金属给水管道及管件焊接第4.2.6条3给水水平管道坡度坡向第4.2.7条4管道支、吊架第4.2.9条5水表安装第4.2.10条6水平管道纵、横方向弯曲允许偏差值钢管每m1mm全长25m以上≯25mm塑料管复合管每m1.5mm全长25m以上≯25mm铸铁管每m2mm全长25m以上≯25mm立管垂直度允许偏差钢管每m3mm5m以上≯8mm塑料管复合管每m2mm5...

1、当您付费下载文档后,您只拥有了使用权限,并不意味着购买了版权,文档只能用于自身使用,不得用于其他商业用途(如 [转卖]进行直接盈利或[编辑后售卖]进行间接盈利)。
2、本站所有内容均由合作方或网友上传,本站不对文档的完整性、权威性及其观点立场正确性做任何保证或承诺!文档内容仅供研究参考,付费前请自行鉴别。
3、如文档内容存在违规,或者侵犯商业秘密、侵犯著作权等,请点击“违规举报”。

碎片内容

室内给水管道安装技术交底1

您可能关注的文档

确认删除?
VIP
微信客服
  • 扫码咨询
会员Q群
  • 会员专属群点击这里加入QQ群
客服邮箱
回到顶部