电脑桌面
添加小米粒文库到电脑桌面
安装后可以在桌面快捷访问

室内脚手架搭设工程安全技术交底VIP免费

室内脚手架搭设工程安全技术交底_第1页
1/2
室内脚手架搭设工程安全技术交底_第2页
2/2
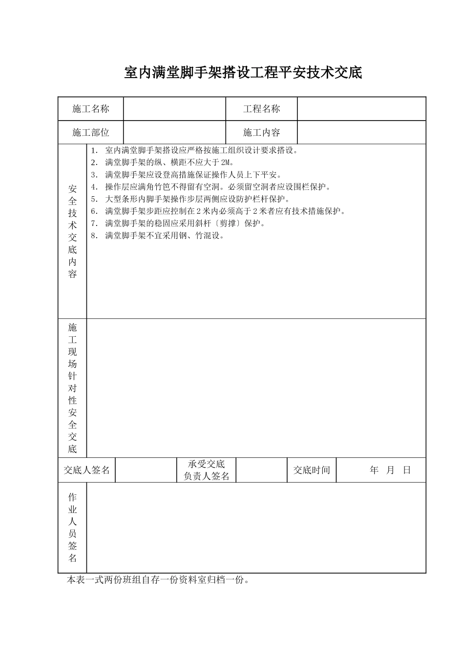
室内满堂脚手架搭设工程平安技术交底施工名称工程名称施工部位施工内容安全技术交底内容1.室内满堂脚手架搭设应严格按施工组织设计要求搭设。2.满堂脚手架的纵、横距不应大于2M。3.满堂脚手架应设登高措施保证操作人员上下平安。4.操作层应满角竹笆不得留有空洞。必须留空洞者应设围栏保护。5.大型条形内脚手架操作步层两侧应设防护栏杆保护。6.满堂脚手架步距应控制在2米内必须高于2米者应有技术措施保护。7.满堂脚手架的稳固应采用斜杆〔剪撑〕保护。8.满堂脚手架不宜采用钢、竹混设。施工现场针对性安全交底交底人签名承受交底负责人签名交底时间年月日作业人员签名本表一式两份班组自存一份资料室归档一份。

1、当您付费下载文档后,您只拥有了使用权限,并不意味着购买了版权,文档只能用于自身使用,不得用于其他商业用途(如 [转卖]进行直接盈利或[编辑后售卖]进行间接盈利)。
2、本站所有内容均由合作方或网友上传,本站不对文档的完整性、权威性及其观点立场正确性做任何保证或承诺!文档内容仅供研究参考,付费前请自行鉴别。
3、如文档内容存在违规,或者侵犯商业秘密、侵犯著作权等,请点击“违规举报”。

碎片内容

室内脚手架搭设工程安全技术交底

墨香书阁+ 关注
实名认证
内容提供者

热爱教学事业,对互联网知识分享很感兴趣

确认删除?
VIP
微信客服
  • 扫码咨询
会员Q群
  • 会员专属群点击这里加入QQ群
客服邮箱
回到顶部