电脑桌面
添加小米粒文库到电脑桌面
安装后可以在桌面快捷访问

办公玻璃幕墙隐蔽工程验收记录范本VIP免费

办公玻璃幕墙隐蔽工程验收记录范本_第1页
1/49
办公玻璃幕墙隐蔽工程验收记录范本_第2页
2/49
办公玻璃幕墙隐蔽工程验收记录范本_第3页
3/49
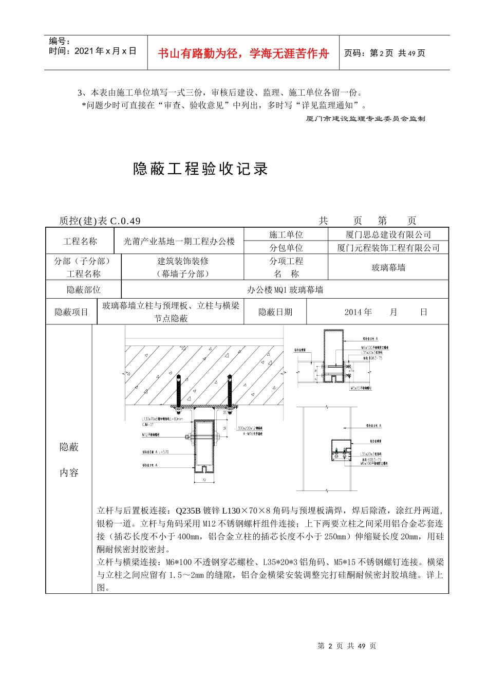
第1页共49页编号:时间:2021年x月x日书山有路勤为径,学海无涯苦作舟页码:第1页共49页A7工程报验单工程名称:光莆产业基地一期工程办公楼编号:办公玻璃节点隐001致:厦门国设工程咨询监理有限公司本工程的办公楼MQ1玻璃幕墙立柱与预埋板、立柱与横梁节点隐蔽工程,经施工自检评定验收合格,请于2014年月日现场核查验收,我方提供所需工程验收资料。附:隐蔽工程验收记录全职质检员:签发时间:监理工程师:接收时间:审查、验收意见:□所报分部、分项、工程经查验符合要求□所报工程不符合要求,应重新报验监理工程师:时间:附件:1、分项的工程验收,应由质检员提前24小时(特殊情况不得少于12小时)签发本通知单,报送专业监理工程师。2、地基与基础工程、主体结构中间验收应由质检员提前二天签发本通知单,报送监理工程师。第2页共49页第1页共49页编号:时间:2021年x月x日书山有路勤为径,学海无涯苦作舟页码:第2页共49页3、本表由施工单位填写一式三份,审核后建设、监理、施工单位各留一份。*问题少时可直接在“审查、验收意见”中列出,多时写“详见监理通知”。厦门市建设监理专业委员会监制隐蔽工程验收记录质控(建)表C.0.49共页第页工程名称光莆产业基地一期工程办公楼施工单位厦门思总建设有限公司分包单位厦门元程装饰工程有限公司分部(子分部)工程名称建筑装饰装修(幕墙子分部)分项工程名称玻璃幕墙隐蔽部位办公楼MQ1玻璃幕墙隐蔽项目玻璃幕墙立柱与预埋板、立柱与横梁节点隐蔽隐蔽日期2014年月日隐蔽内容立杆与后置板连接:Q235B镀锌L130×70×8角码与预埋板满焊,焊后除渣,涂红丹两道,银粉一道。立杆与角码采用M12不锈钢螺杆组件连接;上下两要立柱之间采用铝合金芯套连接(插芯长度不小于400mm,铝合金立柱的插芯长度不小于250mm)伸缩疑长度20mm,用硅酮耐候密封胶密封。立杆与横梁连接:M6*100不透钢穿芯螺栓、L35*20*3铝角码、M5*15不锈钢螺钉连接。横梁与立柱之间应留有1.5~2mm的缝隙,铝合金横梁安装调整完打硅酮耐候密封胶填缝。详上图。第3页共49页第2页共49页编号:时间:2021年x月x日书山有路勤为径,学海无涯苦作舟页码:第3页共49页施工单位检查情况1、各连接件材料合格,均有合格证及检测报告;2、各连接安装牢固、安装方法符合设计及施工规范要求。隐蔽验收结论签字栏施工单位专业技术负责人专业质检员专业施工员监理工程师(建设单位项目专业负责人)A7工程报验单工程名称:光莆产业基地一期工程办公楼编号:办公玻璃节点隐002致:厦门国设工程咨询监理有限公司本工程的办公楼MQ2玻璃幕墙立柱与预埋板、立柱与横梁节点隐蔽工程,经施工自检评定验收合格,请于2014年月日现场核查验收,我方提供所需工程验收资料。附:隐蔽工程验收记录全职质检员:签发时间:监理工程师:接收时间:第4页共49页第3页共49页编号:时间:2021年x月x日书山有路勤为径,学海无涯苦作舟页码:第4页共49页审查、验收意见:□所报分部、分项、工程经查验符合要求□所报工程不符合要求,应重新报验监理工程师:时间:附件:1、分项的工程验收,应由质检员提前24小时(特殊情况不得少于12小时)签发本通知单,报送专业监理工程师。2、地基与基础工程、主体结构中间验收应由质检员提前二天签发本通知单,报送监理工程师。3、本表由施工单位填写一式三份,审核后建设、监理、施工单位各留一份。*问题少时可直接在“审查、验收意见”中列出,多时写“详见监理通知”。厦门市建设监理专业委员会监制隐蔽工程验收记录质控(建)表C.0.49共页第页工程名称光莆产业基地一期工程办公楼施工单位厦门思总建设有限公司分包单位厦门元程装饰工程有限公司分部(子分部)工程名称建筑装饰装修(幕墙子分部)分项工程名称玻璃幕墙隐蔽部位办公楼MQ2玻璃幕墙隐蔽项目玻璃幕墙立柱与预埋板、立柱与横梁节点隐蔽隐蔽日期2014年月日第5页共49页第4页共49页编号:时间:2021年x月x日书山有路勤为径,学海无涯苦作舟页码:第5页共49页隐蔽内容立杆与后置板连接:Q235B镀锌L130×70×8角码与预埋板满焊,焊后除渣,涂红丹两道,银粉一道。立杆与角码采用M12不锈钢螺杆组件连接;上下两要立...

1、当您付费下载文档后,您只拥有了使用权限,并不意味着购买了版权,文档只能用于自身使用,不得用于其他商业用途(如 [转卖]进行直接盈利或[编辑后售卖]进行间接盈利)。
2、本站所有内容均由合作方或网友上传,本站不对文档的完整性、权威性及其观点立场正确性做任何保证或承诺!文档内容仅供研究参考,付费前请自行鉴别。
3、如文档内容存在违规,或者侵犯商业秘密、侵犯著作权等,请点击“违规举报”。

碎片内容

办公玻璃幕墙隐蔽工程验收记录范本

您可能关注的文档

确认删除?
VIP
微信客服
  • 扫码咨询
会员Q群
  • 会员专属群点击这里加入QQ群
客服邮箱
回到顶部