电脑桌面
添加小米粒文库到电脑桌面
安装后可以在桌面快捷访问

塑料线槽配线安装交底记录VIP免费

塑料线槽配线安装交底记录_第1页
1/7
塑料线槽配线安装交底记录_第2页
2/7
塑料线槽配线安装交底记录_第3页
3/7
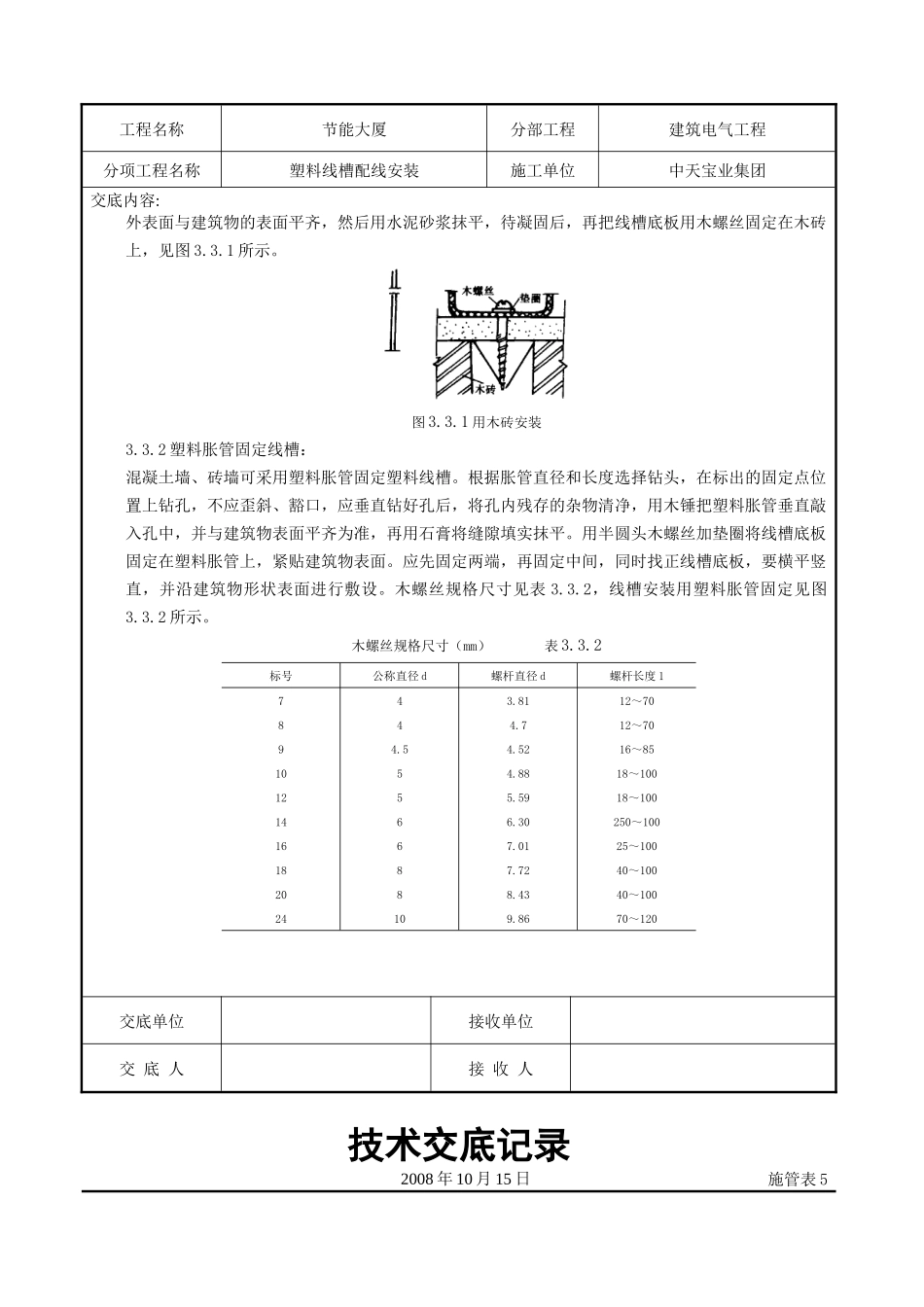
技术交底记录2008年10月15日施管表5工程名称节能大厦分部工程建筑电气工程分项工程名称塑料线槽配线安装施工单位中天宝业集团交底内容:1、依据标准:《建筑工程施工质量验收统一标准》GB50300-2001《建筑电气工程施工质量验收规范》GB50303-20022、施工准备2.1材料要求:2.1.1塑料线槽:由槽底、槽盖及附件组成,它是由难燃型硬聚氯乙烯工程塑料挤压成型,严禁使用非难燃型材料加工。选用塑料线槽时,应根据设计要求选择型号、规格相应的定型产品。其敷设场所的环境温度不得低于-15℃,其氧指数不应低于27%。以上线槽内外应光滑无棱刺,不应有扭曲、翘边等变形现象。并有产品合格证。2.1.2绝缘导线:导线的型号、规格必须符合设计要求,线槽内敷设导线的线芯最小允许截面:铜导线为1.0mm2;铝导线为2.5mm2。2.1.3螺旋接线钮:应根据导线截面和导线根数,选择相应型号的加强型绝缘钢壳螺旋接线钮。2.1.41C安全型压线帽请见3—8、2.1.5有关内容。2.1.5套管:套管有铜套管、铝套管及铜过渡套管三种,选用时应采用与导线规格相应的同材质套管。2.1.6接线端子(接线鼻子):选用时应根据导线的根数和总截面,选用相应规格的接线端子。2.1.7木砖:用木材制成梯形,使用时应做防腐处理。2.1.8塑料胀管:选用时,其规格应与被紧固的电气器具荷重相对应,并选择相同型号的圆头机螺丝与垫圈配合使用。2.1.9镀锌材料:选择金属材料时,应选用经过镀锌处理的圆钢、扁钢、角钢、螺丝、螺栓、螺母、垫圈、弹簧垫圈等。非镀锌金属材料需进行除锈和防腐处理。2.1.10辅助材料:钻头、焊锡、焊剂、电焊条、氧气、乙炔气、调合漆、防锈漆、橡胶绝缘带或粘塑料绝缘带、黑胶布、石膏等。交底单位接收单位交底人接收人技术交底记录2008年10月15日施管表5工程名称节能大厦分部工程建筑电气工程分项工程名称塑料线槽配线安装施工单位中天宝业集团交底内容:2.2主要机具:2.2.1铅笔、卷尺、线坠、粉线袋、电工常用工具、活板子、手锤、錾子。2.2.2钢锯、钢锯条、喷灯、锡锅、锡勺、焊锡、焊剂。2.2.3手电钻、电锤、万用表、兆欧表、工具袋、工具箱、高凳等。2.3作业条件:2.3.1配合土建结构施工预埋保护管、木砖及预留孔洞。2.3.2屋顶、墙面及地面、油漆、浆活全部完成。3、操作工艺3.1工艺流程:弹线定位——线槽固定——线槽连结——槽内放线——导线连结——线路检查、绝缘摇测。3.2弹线定位:3.2.1弹线定位应符合以下规定:3.2.1.1线槽配线在穿过楼板或墙壁时,应用保护管,而且穿楼板处必须用钢管保护,其保护高度距地面不应低于1.8m;装设开关的地方可引至开关的位置。3.2.1.2过变形缝时应做补偿处理。3.2.2弹线定位方法按设计图确定进户线、盒、箱等电气器具固定点的位置,从始端至终端(先干线后支线)找好水平或垂直线,用粉线袋在线路中心弹线,分均档,用笔画出加档位置后,再细查木砖是否齐全,位置是否正确,否则应及时补齐。然后在固定点位置进行钻孔,埋入塑料胀管或伞形螺栓。弹线时不应弄脏建筑物表面。3.3线槽固定:3.3.1木砖固定线槽:配合土建结构施工时预埋木砖;加气砖墙或砖墙剔洞后再埋木砖,梯形木砖较大的一面应朝洞里,交底单位接收单位交底人接收人技术交底记录2008年10月15日施管表5工程名称节能大厦分部工程建筑电气工程分项工程名称塑料线槽配线安装施工单位中天宝业集团交底内容:外表面与建筑物的表面平齐,然后用水泥砂浆抹平,待凝固后,再把线槽底板用木螺丝固定在木砖上,见图3.3.1所示。图3.3.1用木砖安装3.3.2塑料胀管固定线槽:混凝土墙、砖墙可采用塑料胀管固定塑料线槽。根据胀管直径和长度选择钻头,在标出的固定点位置上钻孔,不应歪斜、豁口,应垂直钻好孔后,将孔内残存的杂物清净,用木锤把塑料胀管垂直敲入孔中,并与建筑物表面平齐为准,再用石膏将缝隙填实抹平。用半圆头木螺丝加垫圈将线槽底板固定在塑料胀管上,紧贴建筑物表面。应先固定两端,再固定中间,同时找正线槽底板,要横平竖直,并沿建筑物形状表面进行敷设。木螺丝规格尺寸见表3.3.2,线槽安装用塑料胀管固定见图3.3.2所示。木螺丝规格尺寸(mm)表3.3.2标号公称直径d螺杆直径d螺杆长度178910...

1、当您付费下载文档后,您只拥有了使用权限,并不意味着购买了版权,文档只能用于自身使用,不得用于其他商业用途(如 [转卖]进行直接盈利或[编辑后售卖]进行间接盈利)。
2、本站所有内容均由合作方或网友上传,本站不对文档的完整性、权威性及其观点立场正确性做任何保证或承诺!文档内容仅供研究参考,付费前请自行鉴别。
3、如文档内容存在违规,或者侵犯商业秘密、侵犯著作权等,请点击“违规举报”。

碎片内容

塑料线槽配线安装交底记录

您可能关注的文档

确认删除?
VIP
微信客服
  • 扫码咨询
会员Q群
  • 会员专属群点击这里加入QQ群
客服邮箱
回到顶部