电脑桌面
添加小米粒文库到电脑桌面
安装后可以在桌面快捷访问

屋面卷材防水施工技术交底1VIP免费

屋面卷材防水施工技术交底1_第1页
1/9
屋面卷材防水施工技术交底1_第2页
2/9
屋面卷材防水施工技术交底1_第3页
3/9
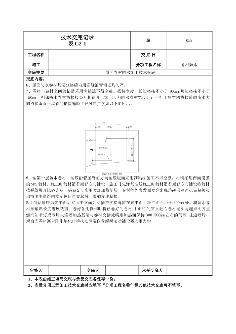
技术交底记录表C2-1编052工程名称交底日施工分项工程名称卷材防水交底提要屋面卷材防水施工技术交底交底内容:一、材料要求1、SBS改性沥青防水卷材采用两层(3mm+3mm)厚SBS〔聚酯胎低温顺度-25度〕。2、汽油、二甲苯等:用于喷灯、清洗工具。3、橡胶沥青嵌缝膏:用于特殊部位、根等处的嵌固封;二、主要机具小平铲、钢线刷、滚刷、橡皮刮板、汽油喷灯等由施工队准备。三、作业条件:1、基层必须结实无松动现象;外表应平整、结实、枯燥;阴角处均应做成圆弧形〔半径50mm〕。2、每部位屋面施工时待屋面儿墙、机房、水箱间伸出屋面的设备、水暖道安设完毕设备根底、出屋面的通风道等施工完毕后进展屋面防水工程的施工。3、防水施工用材料均为易燃物必须准备好相应的消防器材作业面设置灭火器并派专人看火。4、施工前认真审核图纸熟悉防水工程施工方案并进展技术交底。5、地下防水工程必须由专业队施工操作人员持证上岗6、铺贴防水层的基层必须按设计施工完毕并经养护后枯燥含水率不大于9;基层应平整、结实不空鼓、不起砂。四、操作工艺1、防水工艺流程:基层处理→刷冷底子油→附加层施工→铺第一层防水卷材→热熔封边→验收→铺第二层防水卷材→验收→蓄水试验→验收2、基层处理:2.1基层的凹槽缺陷用1:2.5水泥砂浆找平到达外表光滑平顺。2.2出屋面的根、阴角等部位用1:2.5水泥砂浆抹出半径不小于50mm的圆弧角注意道连续审核人交底人承受交底人1、本表由施工填写交底与承受交底各保存一份。2、当做分项工程施工技术交底时应填写“分项工程名称〞栏其他技术交底可不填写。技术交底记录表C2-1编052工程名称交底日施工分项工程名称卷材防水交底提要屋面卷材防水施工技术交底交底内容:集中处与之间的根也要处理到位防止遗漏。2.3铺贴卷材前将基层外表的突起物、砂浆、疙瘩等杂物去除把尘土清理干净。基层枯燥含水率不大于9检测:将1m*1m见方的同质卷材平铺在防水基层上在中午太直射3小时后掀开基层覆盖部位与卷材上未见水印即可做防水层施工。3、刷冷底子油:冷底子油均匀涂刷一遍要求涂刷均匀一致不得漏涂。冷底子油枯燥前方可进展下道工序。4、弹红粉线:按卷材宽幅拉通线将卷材敷设基准线弹出。5、附加层施工:所有的阴角、套根、突出屋面的烟风道、雨水口、水落、预埋件等处必须有附加层附加层宽度不小于500mm两边均匀搭接250mm要求进展满粘;出屋面的道根部直径600mm范围内两边均匀搭接300mm要求进展满粘;附加层宽度直径在由三个面组成的阴角、底板外侧立本在与平面交接处阴角、以及防水容易被从外侧损坏的地方还需在防水外面加第二层附加保护层。附加层必须经工程质检员验收合格前方可进入下道工序如以下图。审核人交底人承受交底人1、本表由施工填写交底与承受交底各保存一份。2、当做分项工程施工技术交底时应填写“分项工程名称〞栏其他技术交底可不填写。技术交底记录表C2-1编052工程名称交底日施工分项工程名称卷材防水交底提要屋面卷材防水施工技术交底交底内容:6、屋面防水卷材基层分格缝内用嵌缝油膏填嵌均匀严。7、卷材与卷材之间的粘贴采用满粘法不得空鼓。搭接宽度:长边搭接不小于100mm短边搭接不小于150mm。相邻防水卷材搭接接头互相错开1/3L〔L为防水卷材宽度〕;平行于屋脊的搭接缝顺流水方向搭接垂直于屋脊的搭接缝顺主导风向搭接如以下图所示。8、铺第一层防水卷材:铺设沿着屋脊的方向铺设屋面采用满粘法施工不得空鼓。材料采用两面覆膜的SBS卷材。施工时卷材沿着屋脊方向铺设。施工时先弹基准线施工时卷材沿着屋脊方向铺设将卷材按弹线展开比齐先从一头卷2-3米用喷灯加热基层与卷材等外表发黑发亮出现熔融层迅速扒卷粘接边部挤出少量熔融物定位后再卷起另一端如前述粘接。8.1铺贴顺序为先平面后立面平立面处穿插搭接接缝留在底平面上距立面不小于600mm处。将防水卷材按铺贴长度进展裁剪并卷好备用操作时将已卷好的卷材用φ30的穿入卷心卷材端头与起点比齐点燃汽油喷灯或专用火焰喷加热基层与卷材交接处喷距加热面保持300-500mm左右的间隔往返喷烤、观察当卷材沥青刚刚熔化时手扶心两端向前缓缓滚动铺设要求用力均审核人交底人承受交底人1、本表由施工填写...

1、当您付费下载文档后,您只拥有了使用权限,并不意味着购买了版权,文档只能用于自身使用,不得用于其他商业用途(如 [转卖]进行直接盈利或[编辑后售卖]进行间接盈利)。
2、本站所有内容均由合作方或网友上传,本站不对文档的完整性、权威性及其观点立场正确性做任何保证或承诺!文档内容仅供研究参考,付费前请自行鉴别。
3、如文档内容存在违规,或者侵犯商业秘密、侵犯著作权等,请点击“违规举报”。

碎片内容

屋面卷材防水施工技术交底1

确认删除?
VIP
微信客服
  • 扫码咨询
会员Q群
  • 会员专属群点击这里加入QQ群
客服邮箱
回到顶部