电脑桌面
添加小米粒文库到电脑桌面
安装后可以在桌面快捷访问

建筑给排水及采暖工程概况VIP免费

建筑给排水及采暖工程概况_第1页
1/57
建筑给排水及采暖工程概况_第2页
2/57
建筑给排水及采暖工程概况_第3页
3/57
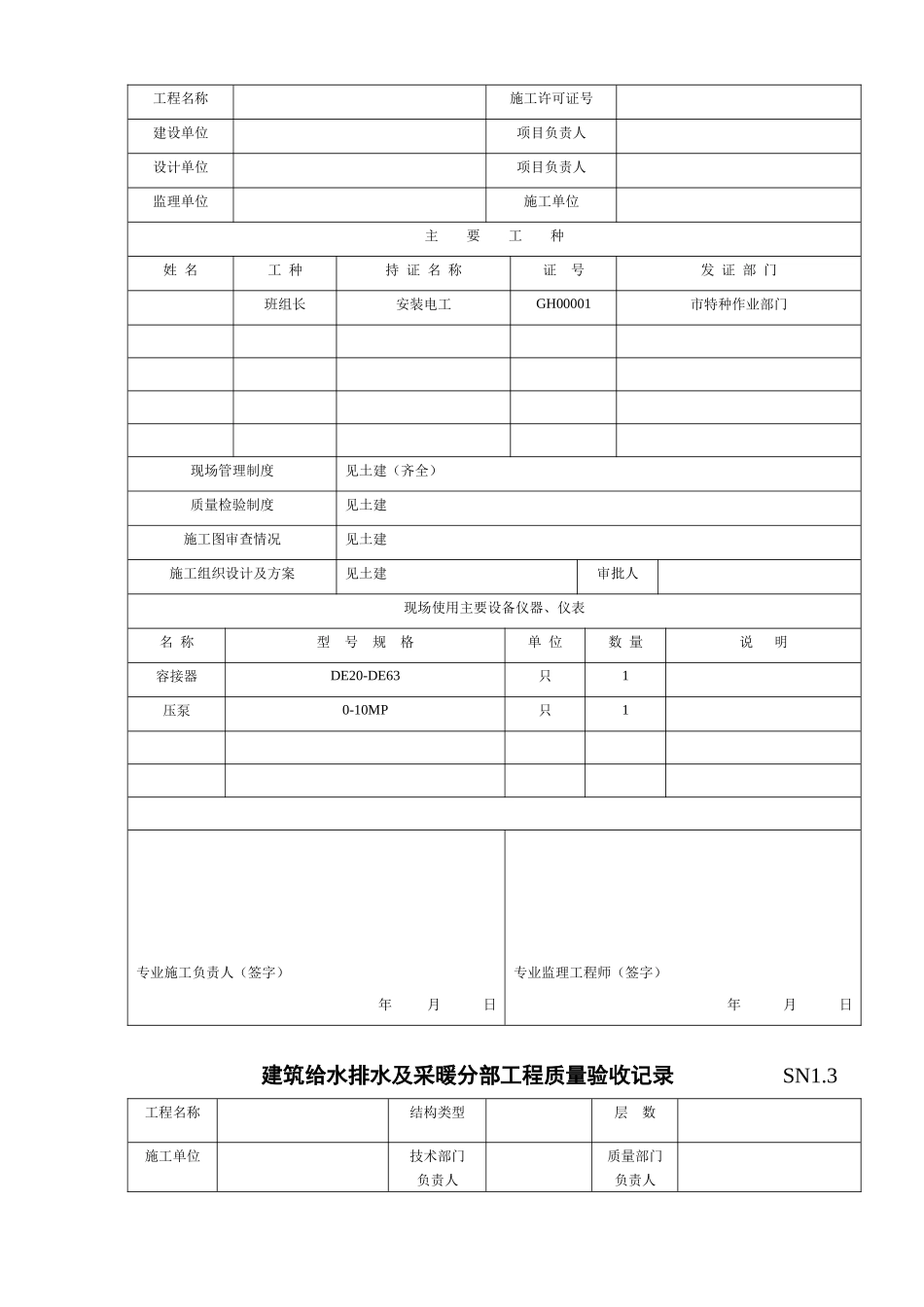
建筑给水排水及采暖工程概况SN1.1工程名称建设单位分部工程1、2、3、4、子分部分项工程主要设备及材料型号规格单位数量安装地点室内给水给水管道PP-RΦ63消火栓系统防腐、绝热室内排水排水管道U-PVCΦ110室内热水管道防腐、绝热室外给水管道消防室外排水管道室内采暖管道采暖设备室外供热管道配件防腐、绝热专业施工负责人(签字):年月日专业监理工程师(签字):年月日建筑给水排水及采暖工程施工现场质量管理记录SN1.2工程名称施工许可证号建设单位项目负责人设计单位项目负责人监理单位施工单位主要工种姓名工种持证名称证号发证部门班组长安装电工GH00001市特种作业部门现场管理制度见土建(齐全)质量检验制度见土建施工图审查情况见土建施工组织设计及方案见土建审批人现场使用主要设备仪器、仪表名称型号规格单位数量说明容接器DE20-DE63只1压泵0-10MP只1专业施工负责人(签字)年月日专业监理工程师(签字)年月日建筑给水排水及采暖分部工程质量验收记录SN1.3工程名称结构类型层数施工单位技术部门负责人质量部门负责人分包单位分包单位负责人分包技术负责人序号分项工程名称检验批数施工单位检查评定验收意见1室内给水管道及配件安装7合格2室内排水管道及配件安装7合格34567891011质量控制资料应查项数6项核查结果合格安全和功能检验(检测)报告应查项数5项核查结果合格观感质量验收应查项数5项好:项一般:项差:项验收意见分包单位项目经理:年月日施工单位项目经理:年月日设计单位项目负责人:年月日监理(建设)单位总监理工程师:(建设单位项目专业负责人)年月日建筑给水排水及采暖工程质量控制资料核查记录SN1.4工程名称施工单位序号资料名称份数核查意见检查人1图纸会审、设计变更、洽商记录12材料、配件出厂合格证书及进场检(试验)报告2符合要求3管道、设备强度试验、严密性试验记录3符合要求4隐蔽工程验收记录2符合要求5系统清洗、灌水、通水、通球试验记录6符合要求6施工记录7分项分部工程质量验收记录4符合要求核查意见:施工单位项目经理:年月日验收结论:总监理工程师:(建设单位项目负责人)年月日建筑给排水及采暖工程安全和功能检验资料核查及主要功能抽查记录SN1.5工程名称施工单位序号安全和功能检查项目份数核查意见抽查结果检查(抽查)人1给水管道通水试验记录及冲洗、消毒检测记录1符合要求符合要求2暖气管道、散热器压力试验记录3卫生器具通水度,具有溢流功能的器具满水试验记录1符合要求符合要求4消防管道、燃气(油)管道压力试验记录5排水管道通球试验记录1符合要求符合要求6承压管道系统和设备及阀门水压试验记录1符合要求符合要求7雨水管道灌水试验8地漏及地面清扫口排水试验1符合要求符合要求9消火栓系统试射试验10采暖系统冲洗及调试记录11安全阀门及报警联动系统测试记录12锅炉48h负荷试运行检验抽查和核查意见:施工单位项目经理:年月日验收结论:总监理工程师:(建设单位项目负责人)年月日建筑给排水及采暖观感质量检查记录SN1.6工程名称施工单位序号项目抽查情况质量评价好一般差1管道接口、伸缩节好好好好好好好好好好√2管道坡度好好好好好好好好好好√3管道支架好好好好好好好好好好√4卫生器具、支架、阀门√5检查口、扫除口好好好好好好好好好好√6地漏好好好好好好好好好好√7散热器及支架√观感质量综合评价好观感度良好施工单位项目经理:年月日总监理工程师(建设单位项目负责人)年月日设备进场验收记录SN2.1建设单位施工单位工程名称单位(分部)工程设备名称型号、规格系统编号装箱编号设备检查1、包装2、设备外观3、设备零件4、其它技术文件检查1、装箱单份张2、合格证份张3、说明书份张4、设备图份张5、其它份张存在问题及处理意见无建设监理单位:年月日施工单位项目经理:年月日材料(设备)合格证明文件汇总表SN2.2工程名称施工单位序号材料设备名称规格型号单位数量生产厂家使用部位系统备注1给水管PPR/20米450昆山给水系统2给水管PPR/25米260昆山给水系统3给水管PPR/63米150昆山给水系统4排水管PVC/50米350田通排水系统5排水管PVC/75米130田通排水系统6排水管PVC/110米260田通排水系统7浴缸套48唐山排水系统8...

1、当您付费下载文档后,您只拥有了使用权限,并不意味着购买了版权,文档只能用于自身使用,不得用于其他商业用途(如 [转卖]进行直接盈利或[编辑后售卖]进行间接盈利)。
2、本站所有内容均由合作方或网友上传,本站不对文档的完整性、权威性及其观点立场正确性做任何保证或承诺!文档内容仅供研究参考,付费前请自行鉴别。
3、如文档内容存在违规,或者侵犯商业秘密、侵犯著作权等,请点击“违规举报”。

碎片内容

建筑给排水及采暖工程概况

墨香书阁+ 关注
实名认证
内容提供者

热爱教学事业,对互联网知识分享很感兴趣

确认删除?
VIP
微信客服
  • 扫码咨询
会员Q群
  • 会员专属群点击这里加入QQ群
客服邮箱
回到顶部