电脑桌面
添加小米粒文库到电脑桌面
安装后可以在桌面快捷访问

建筑节能分部工程监理实施细则nVIP免费

建筑节能分部工程监理实施细则n_第1页
1/8
建筑节能分部工程监理实施细则n_第2页
2/8
建筑节能分部工程监理实施细则n_第3页
3/8
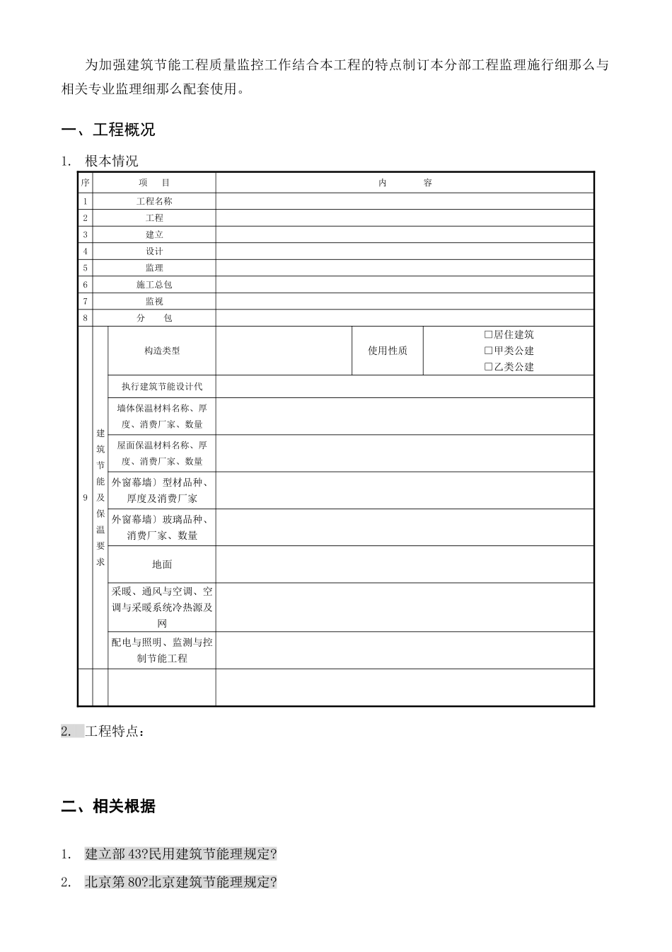
***工程建筑节能分部工程监理施行细那么(2007版)编:XXXX总监理工程师:XXX工程咨询监理***目监理部****年**月说明:本版中“—〞及空白局部应予填写完好阴影局部应结合工程情况描绘其它局部可根据工程情况修订增删。目录一、工程概况二、相关根据三、监理措施四、控制重点五、质量通病预控为加强建筑节能工程质量监控工作结合本工程的特点制订本分部工程监理施行细那么与相关专业监理细那么配套使用。一、工程概况1.根本情况序项目内容1工程名称2工程3建立4设计5监理6施工总包7监视8分包9建筑节能及保温要求构造类型使用性质□居住建筑□甲类公建□乙类公建执行建筑节能设计代墙体保温材料名称、厚度、消费厂家、数量屋面保温材料名称、厚度、消费厂家、数量外窗幕墙〕型材品种、厚度及消费厂家外窗幕墙〕玻璃品种、消费厂家、数量地面采暖、通风与空调、空调与采暖系统冷热源及网配电与照明、监测与控制节能工程2.工程特点:二、相关根据1.建立部43?民用建筑节能理规定?2.北京第80?北京建筑节能理规定?3.建质[2006]192?民用建筑工程节能质量监视理方法?4.建办[2005]68?进一步加强建筑节能施行监工作的?5.建科[2005]55?新建居住建筑严格执行节能设计的?6.建科[2004]174?加强民用建筑工程工程建筑节能审查工作的?7.京建质[2006]143?进一步加强建筑节能环保理工作有关事项的?8.京建法[2005]709?加强新建民用建筑工程执行建筑节能监视理的?9.京建材[2007]972?加强民用建筑工程建筑节能专项验收备案工作的?10.京建法[2007]722?北京建立工程材料使用监视理假设干规定?11.京建材[2007]837?发布北京第五批制止和限制使用建筑材料及施工工艺的?12.?工程建立强迫性条文?13.?建立工程监理规程?14.?建筑工程资料理规程?15.?建筑工程施工技术理规程?16.GB50411-2007?建筑节能工程施工质量验收?17.DBJ01-602-2004?居住建筑节能设计?18.DBJ01-621-2005?公共建筑节能设计?19.DBJ01-97-2005?居住建筑节能保温工程施工质量验收规程?20.设计21.合同22.?工程监理规划质量方案〕?三、监理措施1、工程总监理工程师应组织监理工程师熟悉施工图纸理解工程建筑节能的设计要求熟悉施工图纸时发现问题书面提交建立建议设计解决。重点内容包括:建筑热工、构造性能和机电设备等各个专业是否符合节能设计北京地区应严格执行DBJ01-602-2004?居住建筑节能设计?、DBJ01-621-2005?公共建筑节能设计?;施工图设计审批签认手续应齐全;施工图中所采用材料、构配件、设备等是否符合现行、规程等要求是否符合建立部第218?建立部推广应用和限制制止使用技术?、建质[2005]26?进一步做好建筑业十项新技术推广和应用的?、?建立部节能地建筑推广应用技术?及京建材[2007]837?发布北京第五批制止和限制使用建筑材料及施工工艺的?等严禁采用或北京主部门明淘汰的建筑材料和;施工不得擅自修改建筑节能设计发现问题时通过设计交底及设计变更洽商手续解决。2、工程选用保温、装饰、门窗、幕墙、设备时应符合设计及建筑节能的要求其体系、制式、性能指标、材料及构造设计、主要工艺及质量等应得到设计的签字确认必要时可组织专家证召开专题会议并形成证作为设计根据。节能保温工程应选用经或北京主部门组织技术鉴定并推广应用的建筑节能技术和拟采用不符合工程建立强迫性的新技术、新工艺、新材料时应当由建立依法获得行政答应并按照行政答应的要务施行。3、材料和设备进场验收应遵循以下规定:工程监理局部批次对材料和设备的品种、规格、包装和尺寸等进展检查验收形成相应的验收记录;核查材料设备的质量证明进入现场用于节能工程的材料和设备均应具有出厂合格证、中文说明书及相关性能检测;定型和成套技术应有型式试验进口材料和设备按规定进展出入境商品检验;对材料和设备应按照GB50411附录A、各章节及相关在施工现场抽样复检复检应为见证取样送检总包应事先编制试验方案报工程监理部审查。4、建筑节能工程施工前对于采用同样建筑节能设计的房间和构造做法应在现场采用一样的材料和工艺制作样板间或样板件。由总包编制样板施工方案及方案组织样板鉴定会议由建立、设计、监理、施工、质监部门及有关专家参加对材料、工艺、节点...

1、当您付费下载文档后,您只拥有了使用权限,并不意味着购买了版权,文档只能用于自身使用,不得用于其他商业用途(如 [转卖]进行直接盈利或[编辑后售卖]进行间接盈利)。
2、本站所有内容均由合作方或网友上传,本站不对文档的完整性、权威性及其观点立场正确性做任何保证或承诺!文档内容仅供研究参考,付费前请自行鉴别。
3、如文档内容存在违规,或者侵犯商业秘密、侵犯著作权等,请点击“违规举报”。

碎片内容

建筑节能分部工程监理实施细则n

确认删除?
VIP
微信客服
  • 扫码咨询
会员Q群
  • 会员专属群点击这里加入QQ群
客服邮箱
回到顶部