电脑桌面
添加小米粒文库到电脑桌面
安装后可以在桌面快捷访问

建筑电气单位工程概况表VIP免费

建筑电气单位工程概况表_第1页
1/46
建筑电气单位工程概况表_第2页
2/46
建筑电气单位工程概况表_第3页
3/46
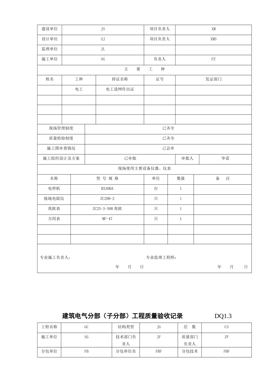
建筑电气单位工程概况表DQ1.1工程名称GC建设单位分部(子分部)工程1、2、3、4、变配电站设备名称型号规格单位数量安装地点变压器高配柜低配柜低压动力照明动力箱柜动力电缆照明插座箱计量箱台3底层安装配电箱PZR30-20台302-6层防雷接地系统TN-C-S系统系统1基础接闪器镀锌园钢Φ10米屋面基他专业施工负责人:专业监理工程师:年月日年月日建筑电气工程施工现场质量管理记录DQ1.2工程名称GC施工许可证号SX建设单位JS项目负责人XM设计单位SJ项目负责人XMS监理单位JL施工单位SG负责人FZ主要工种姓名工种持证名称证号发证部门电工电工进网作出证现场管理制度已齐全质量检验制度已齐全施工图审查情况已会审施工组织设计及方案已审批审批人毕雷现场使用主要设备仪器、仪表名称型号规格单位数量备注电焊机BX300A台1接地电阻仪ZC29B-2只1兆欧表ZC25-3-500兆欧只1万用表MF-47只1专业施工负责人:专业监理工程师:年月日年月日建筑电气分部(子分部)工程质量验收记录DQ1.3工程名称GC结构类型JG层数CS施工单位SG技术部门负责人JF质量部门负责人ZF分包单位FB分包单位负FBF分包技术FBF责人负责人序号分项工程名称检验批数施工单位检查评定验收意见1照明配电箱安装6合格2电线穿管安装6合格3电导管敷设7合格4普通灯具安装6合格5开关插座安装6合格6通电试运行记录6合格7防雷接地装置安装1合格8避雷引下线敷设7合格9建筑等电位安装7合格10接闪器安装1合格11质量控制资料应查项数5项核查结果安全和功能检验(检测)报告应查项数6项核查结果观感质量验收应查项数4项好:项一般:项差:项验收单位分包单位技术、质量负责人:项目经理:年月日施工单位技术、质量负责人:项目经理:年月日监理(建设)单位电气监理工程师:总监理工程师:(建设单位项目专业负责人)年月日建筑电气工程质量控制资料核查记录DQ1.4工程名称GC施工单位SG序号资料名称份数检查意见检查人1图纸会审、设计变更、洽商记录1符合要求2材料、配件出厂合格证及进场检(试)验报告2符合要求3隐蔽工程验收记录23符合要求4设备调试记录1符合要求5接地、绝缘电阻测试记录3符合要求6空载和负载试运记录7电气设备交接试验记录8工序交接合格等安装施工记录9分项、分部工程质量验收记录12符合要求检查结论:施工单位项目经理:年月日验收意见:总监理工程师:(建设单位项目负责人)年月日建筑电气工程安全和功能检验资料核查及主要功能抽查记录DQ1.5工程名称GC施工单位SG序号安全和功能检查项目份数核查意见抽查结果核(抽)查人1照明全负荷试验记录2符合要求符合要求2大型灯具牢固性试验记录3避雷接地电阻测试记录1符合要求符合要求4线路、插座、开关接地及其他部份检验记录1符合要求符合要求5正式通电后可抽测1各类电源自动切换或断电装置2馈电线路的绝缘电阻3接地(PE)或接零(PEN)导电状态1符合要求符合要求4开关插座的接线正确性1符合要求符合要求5漏电保护装置的动作电流和时间6接地装置的接地电阻1符合要求符合要求7由照明设计确定的照度抽查和检验意见:施工技术负责人:施工单位项目经理:年月日验收意见:总监理工程师:(建设单位项目负责人)年月日建筑电气工程观感质量检查记录DQ1.6工程名称GC施工单位序号项目抽查情况质量评价好一般差1配电箱、盘板、接线盒好好好好好好好一般好好2设备器具、开关、插座好好好好一般好好好好好3线路敷设好好好好好好一般好好好4防雷、接地好好好一般好好好好好好567观感质量综合评价好抽查和检验意见:施工单位项目经理:年月日验收意见:总监理工程师:(建设单位项目负责人)年月日建筑电气工程材料、设备、成品、半成品出厂合格证及进场检(试)验报告汇总表(检测报告)DQ2.1工程名称GC施工单位SG序号材料设备名称规格型号单位数量生产厂家使用部位(系统)备注1电导管PVC20米1-阁楼2配电箱PZR30只1-阁楼3电线BV2。5米14开关86型只15插座86型只16789101112技术负责人:质量检查员:年月日电导管安装隐蔽验收记录DQ2.3工程名称GC建设单位JS分项名称FX施工单位SG工程部位施工图编号SB系统/回路编号材质规格单位数量接地(接零)状况连接方式固定和防腐照明阻燃管Φ20米粘接绑扎卧室插座阻燃管Φ20米...

1、当您付费下载文档后,您只拥有了使用权限,并不意味着购买了版权,文档只能用于自身使用,不得用于其他商业用途(如 [转卖]进行直接盈利或[编辑后售卖]进行间接盈利)。
2、本站所有内容均由合作方或网友上传,本站不对文档的完整性、权威性及其观点立场正确性做任何保证或承诺!文档内容仅供研究参考,付费前请自行鉴别。
3、如文档内容存在违规,或者侵犯商业秘密、侵犯著作权等,请点击“违规举报”。

碎片内容

建筑电气单位工程概况表

您可能关注的文档

确认删除?
VIP
微信客服
  • 扫码咨询
会员Q群
  • 会员专属群点击这里加入QQ群
客服邮箱
回到顶部