电脑桌面
添加小米粒文库到电脑桌面
安装后可以在桌面快捷访问

工程质量监理评估报告(竣工)新(8页)VIP免费

工程质量监理评估报告(竣工)新(8页)_第1页
1/7
工程质量监理评估报告(竣工)新(8页)_第2页
2/7
工程质量监理评估报告(竣工)新(8页)_第3页
3/7
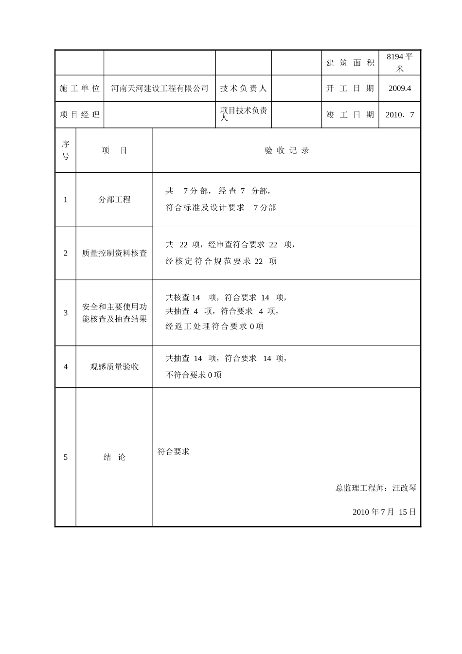
工程质量监理评估报告(单位工程竣工)工程名称新春丽景3#住宅楼工程规模7052㎡结构形式框剪结构建设单位新春丽景置业有限公司总监理工程师汪改琴监理单位河南泰昌建设管理有限公司2010年7月15日监理单位工程质量评估报告(合格证明书)单位工程名称新春丽景3#住宅楼建筑面积7052㎡结构类型、层数十一层监理单位名称河南泰昌建设管理咨询有限公司监理单位地址鹤壁市建设大厦7楼联系电话6997798质量评估意见:对该单位工程进行了全面的检查,确认符合法律、法规和工程建设强制性标准规定;符合设计文件及合同要求;确认⑴单位工程所含分部(子分部)工程的质量全部验收合格;⑵质量控制资料完善;⑶单位工程所含分部(子分部)工程有关安全和功能的检验资料完整;⑷主要功能项目的抽查结果符合相应专业质量验收规范的规定;⑸观感质量验收符合要求。该单位工程质量评估意见:工程合格(除消防、电梯、室外坡道、弱电甩项验收外)请建设单位组织有关单位进行工总监理工程师:汪改琴2010年7月15日监理单位公章企业技术负责人:(总工程师)2010年7月15日单位(子单位)工程质量验收记录工程名称新春丽景2#住宅楼结构类型框剪层数/十一层建筑面积8194平米施工单位河南天河建设工程有限公司技术负责人开工日期2009.4项目经理项目技术负责人竣工日期2010.7序号项目验收记录1分部工程共7分部,经查7分部,符合标准及设计要求7分部2质量控制资料核查共22项,经审查符合要求22项,经核定符合规范要求22项3安全和主要使用功能核查及抽查结果共核查14项,符合要求14项,共抽查4项,符合要求4项,经返工处理符合要求0项4观感质量验收共抽查14项,符合要求14项,不符合要求0项5结论符合要求总监理工程师:汪改琴2010年7月15日单位工程质量控制资料核查记录工程名称新春丽景3#住宅楼施工单位河南天河建设工程有限公司序号项目资料名称份数核查意见核查人1建筑与结构图纸会审、设计变更、洽商记录符合设计要求刘芝信2工程定位测量、放线记录符合设计要求3原材料出厂合格证书及进场检(试)验报告符合设计要求4施工试验报告及见证检测报告符合设计要求5隐蔽工程验收表符合设计要求6施工记录符合设计要求7预制构件、预拌混凝土合格证8地基、基础、主体结构检验及抽样检测资料符合设计要求9分项、分部工程质量验收记录符合设计要求10工程质量事故及事故处理记录11新材料、新工艺施工记录1给排水与采暖图纸会审、设计变更、洽商记录刘芝信2材料、配件出厂合格证书及进场检(试)验报告符合设计要求3管道、设备强度试验、严密性试验记录符合设计要求4隐蔽工程验收表符合设计要求5系统清洗、灌水、通水、通球试验记录符合设计要求6施工记录符合设计要求7分项、分部工程质量验收记录1建筑电气图纸会审、设计变更、洽商记录2材料、设备出厂合格证书及进场检(试)验报告3设备调试记录4接地、绝缘电阻测试记录符合设计要求5隐蔽工程验收表符合设计要求6施工记录符合设计要求7分项、分部工程质量验收记录1建筑节能图纸会审、设计变更、洽商记录、竣工图及设计说明符合设计要求刘芝信2材料、设备出厂合格证书及技术文件及进场检(试)验报告符合设计要求3隐蔽工程验收表符合设计要求4分项、分部工程质量验收记录符合设计要求5678结论:符合要求总监理工程师:汪改琴2010年7月15日工程安全和功能检验资料核查及主要功能抽查记录工程名称新春丽景3#住宅楼施工单位河南天河建设工程有限公司序号项目安全和功能检查项目份数核查意见抽查结果核查(抽查)人1建筑与结构屋面淋水试验记录符合设计要求符合设计要求刘芝信2地下室防水效果检查记录符合设计要求3有防水要求的地面蓄水试验记录符合设计要求4建筑物垂直度、标高、全高测量记录符合设计要求符合设计要求5抽气(风)道检查记录符合设计要求6幕墙及外窗气密性、水密性、耐风压检测报告符合设计要求7建筑物沉降观测测量记录符合设计要求8建筑维护结构节能构造现场实体抽查记录符合设计要求9室内环境检测报告符合设计要求符合设计要求101给排水与采暖给水管道通水试验记录符合设计要求刘芝信2暖气管道、散热器压力试验记录符合设计要求3卫生器具满水试验记录4消防...

1、当您付费下载文档后,您只拥有了使用权限,并不意味着购买了版权,文档只能用于自身使用,不得用于其他商业用途(如 [转卖]进行直接盈利或[编辑后售卖]进行间接盈利)。
2、本站所有内容均由合作方或网友上传,本站不对文档的完整性、权威性及其观点立场正确性做任何保证或承诺!文档内容仅供研究参考,付费前请自行鉴别。
3、如文档内容存在违规,或者侵犯商业秘密、侵犯著作权等,请点击“违规举报”。

碎片内容

工程质量监理评估报告(竣工)新(8页)

墨香书阁+ 关注
实名认证
内容提供者

热爱教学事业,对互联网知识分享很感兴趣

确认删除?
VIP
微信客服
  • 扫码咨询
会员Q群
  • 会员专属群点击这里加入QQ群
客服邮箱
回到顶部