电脑桌面
添加小米粒文库到电脑桌面
安装后可以在桌面快捷访问

土石方工程监理实施细则VIP免费

土石方工程监理实施细则_第1页
1/5
土石方工程监理实施细则_第2页
2/5
土石方工程监理实施细则_第3页
3/5
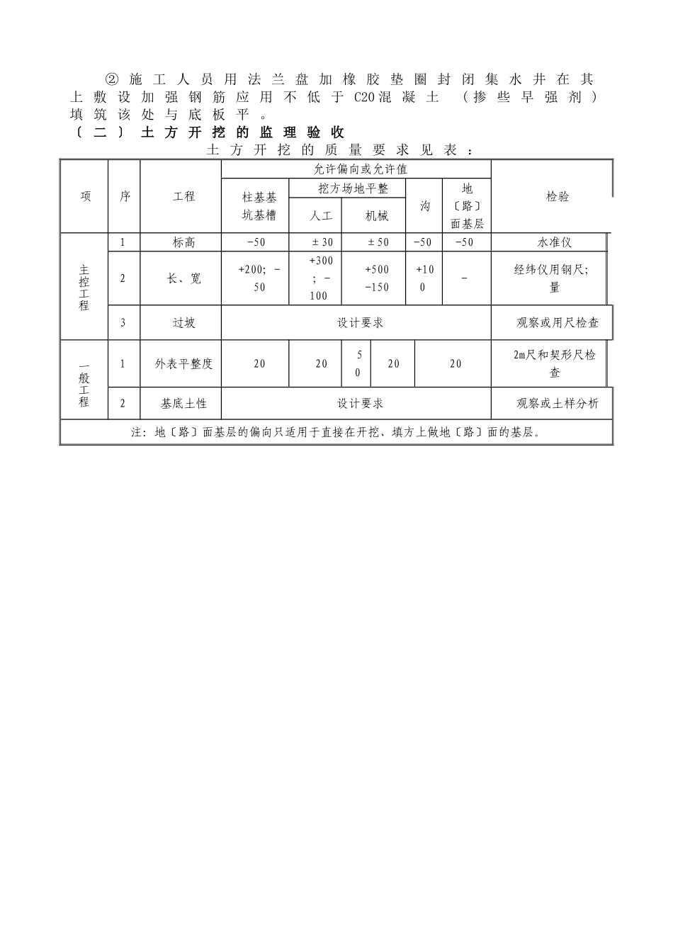
三、土石方工程监理施行细那么土方工程施工前应进展挖、填方的平衡计算综合考虑土方运距最短、运程合理和各种工程工程的合理施工程序等做好土方平衡调配减少重复挖运并尽可能与城规划各农田.水利相结合将多余土运到指定弃土场。土方开挖要求施工勘察现场去除地面及地下障碍物。摸清工程实地情况开挖层的地质情况、水文情况运输道路、地下埋设物、、电缆线路、供排水道、煤气道、地面障碍物等以便有针对性地采取措施去除施工区域内的地面及地下障碍物。开挖土方得待地下水位降低至开挖底面不少于O.5M后才能进展。土方开挖时须遵循“由上到下、分层开挖、先撑后挖、严禁超挖〞的根本原那么分段依次进展。随时按相关要求做成一定的坡势在挖土上侧弃土时距基槽上部边缘不少于2m高度不应超过1.5m并不超过设计荷载值以保证挖土边坡的稳定。弃土堆坡脚至挖土上边缘的间隔应根据挖土深度、边坡坡度和土的性质。应考虑土堆场或外运。机械开挖只能挖至基底以上30cm余下部分人工修边拣底以保持基底土体的原状构造严禁超挖。土方工程施工应经常观察测量和校核其平面位置、程度标高和边坡坡度。检查平面控制桩和水准控制点应采取可靠的保护措施定复测和检查。对雨季和冬季施工还应遵守现行有关和施工方案的要求。施工机具停放的位置距坑边间隔应根据设备重量、基坑支撑情况、土质情况等经计算确定。基顶周边设围护栏杆和平安标志警示提示。〔一〕土方开挖的监理巡视检查1、对开挖质量的预控〔1〕在土方开挖前检查定位放线、排水和降低地下水系统。〔2〕审核开挖和开挖顺序并配合地下水控制措施。〔3〕催促并监视施工做好施工材料准备及技术措施准备。2、过程控制〔1〕各家施工按规定的位置在基坑边缘堆置的土方和建筑材料但距基坑上部型缘不少于2m弃土堆置高度不应超过1.5m并不超过设计荷载值.〔2〕施工机具停放的位置距坑边间隔应根据设备重量、基坑支撑情况、土质情况等经计算确定.基顶周边设围护栏杆和平安标志警示提示.〔3〕要求施工在开挖过程中应随时做好坑变形明排水并经常检查降水是否正常水位是否到达设计要求是否引起周围建筑物下沉变形或基底土隆起等事故.在潮汛开挖土方应做好相应的防洪措施防止坑外水浸入坑内如发现围护构造有水土流失现象时,应及时施工封堵。〔4〕临时性挖方的边坡值应符合规定土的类别边坡值〔高:宽〕砂土〔不包括细砂、粉砂〕1:1.25-1:1.5一般性黏土硬1:0.75-1:1.00硬、塑1:1.00-1:1.25软1:1.50或更缓碎石类土充填坚硬、硬塑黏性土1:0.50-1:1.00充填砂土1:1.00-1:1.50注:①设计有要求时应符合设计.②如采用降水或其他加固措施可不受本表限制但应计算复核。③开挖深度对软土不应超过4M对硬土不应超过8m〔5〕基坑开挖时须遵循由上而下先撑后挖分层开挖的根本原那么要求基坑支护与挖土亲配合要坚持先撑后挖的原那么严禁先挖后撑或边挖边撑或超挖等做法.在开挖支撑位置时应快挖快撑一般应先开挖支撑位置的土方待支撑好后在开挖其他土方。〔6〕采用机械开挖基坑时应根据土质情况和挖土机械的类型在基坑底保存150~300mm的土层,由人工开挖修整以保持坑底土质的原态构造。〔7〕开挖土方注意保护测量坐标、水准点以及监测埋设的仪器及元件;严禁在开挖过程中碰撞、损坏维护构造、支撑、工程桩和止水帷幕、降排水设施;对周围的电讯、电缆、煤气、供排水道等地下重要设施施工方必须采取可靠的保护措施防止撞坏而造成事故。〔8〕在基坑开挖过程中随时对维护构造、支撑等的内力变化与变形、基坑顶地面沉降、坑底隆起、孔隙水压力、地下水位变化以及邻近周围建筑物动态等进展理解及时将信息反应发现异常应及时采取对策加以控制。同时经常对平面控制桩、水准点、标高、基坑平面位置、边坡坡度等复测检查。〔9〕对基地的土质情况施工变形情况基底换填部分超挖处理及时与施工、设计共同协商根据详细情况采用相应的处理措施。〔10〕基底垫层施工检查内容:①降水作业应连续进展基底垫层施工时不得中断待回填土夯实至地下室顶至少覆土O.5m时方可停顿。②施工人员用法兰盘加橡胶垫圈封闭集水井在其上敷设加强钢筋应用不低于C20混凝土(掺些早强剂)填筑该处与底板...

1、当您付费下载文档后,您只拥有了使用权限,并不意味着购买了版权,文档只能用于自身使用,不得用于其他商业用途(如 [转卖]进行直接盈利或[编辑后售卖]进行间接盈利)。
2、本站所有内容均由合作方或网友上传,本站不对文档的完整性、权威性及其观点立场正确性做任何保证或承诺!文档内容仅供研究参考,付费前请自行鉴别。
3、如文档内容存在违规,或者侵犯商业秘密、侵犯著作权等,请点击“违规举报”。

碎片内容

土石方工程监理实施细则

您可能关注的文档

确认删除?
VIP
微信客服
  • 扫码咨询
会员Q群
  • 会员专属群点击这里加入QQ群
客服邮箱
回到顶部