电脑桌面
添加小米粒文库到电脑桌面
安装后可以在桌面快捷访问

危险化学品建设项目安全设施竣工验收申请书VIP免费

危险化学品建设项目安全设施竣工验收申请书_第1页
1/12
危险化学品建设项目安全设施竣工验收申请书_第2页
2/12
危险化学品建设项目安全设施竣工验收申请书_第3页
3/12
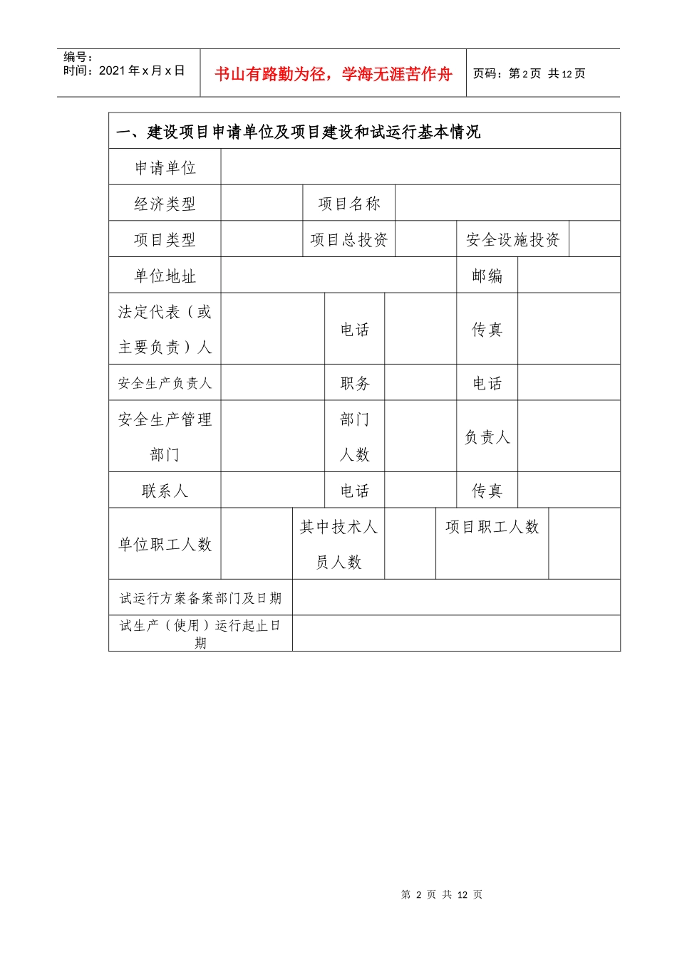
第1页共12页编号:时间:2021年x月x日书山有路勤为径,学海无涯苦作舟页码:第1页共12页项目设立申请受理编号:受理日期:项目设计审查受理编号:受理日期:项目验收申请受理编号:受理日期:危险化学品建设项目安全设施竣工验收申请书申请单位项目名称项目类型设施试运行日期经办人联系电话填写日期受理部门受理人浙江省安全生产监督管理局制第2页共12页第1页共12页编号:时间:2021年x月x日书山有路勤为径,学海无涯苦作舟页码:第2页共12页一、建设项目申请单位及项目建设和试运行基本情况申请单位经济类型项目名称项目类型项目总投资安全设施投资单位地址邮编法定代表(或主要负责)人电话传真安全生产负责人职务电话安全生产管理部门部门人数负责人联系人电话传真单位职工人数其中技术人员人数项目职工人数试运行方案备案部门及日期试生产(使用)运行起止日期第3页共12页第2页共12页编号:时间:2021年x月x日书山有路勤为径,学海无涯苦作舟页码:第3页共12页项目设立、项目施工完成情况概述:安全生产责任制落实、安全生产管理制度建设和职工培训情况概述:第4页共12页第3页共12页编号:时间:2021年x月x日书山有路勤为径,学海无涯苦作舟页码:第4页共12页项目设施试运行情况概述:二、项目设计单位情况及对设施施工情况意见设计单位地址邮编法定代表人设计资质证书号项目组长电话手机第5页共12页第4页共12页编号:时间:2021年x月x日书山有路勤为径,学海无涯苦作舟页码:第5页共12页项目单位是否按设计文件要求组织施工?若作部分修改,列出修改的具体内容,这些修改是否经你单位变更确认?设计单位对安全设施建设情况的陈述:由我公司负责设计的项目,在设计过程中严格按国家法律、法规、规范和标准的要求设计,在建设期间因工程需要图纸修改次,发出设计联系单份,现工程已完成建设,经对照工程现场检查确认,认为建设项目施工现状与设计相符,达到设计要求,能满足安全生产条件。设计单位项目负责人(签章)年月日三、项目施工单位情况单位名称第6页共12页第5页共12页编号:时间:2021年x月x日书山有路勤为径,学海无涯苦作舟页码:第6页共12页地址邮编经济类型联系电话传真法定代表人项目负责人电话资质级别资质证书号资质范围施工起止日期施工单位概况和承担主要相关项目名称:第7页共12页第6页共12页编号:时间:2021年x月x日书山有路勤为径,学海无涯苦作舟页码:第7页共12页施工单位对安全设施施工情况的陈述:由我公司负责施工的项目,在施工过程中完全按设计图纸施工,其中图纸修改次,收到设计联系单份,施工过程符合国家法律、法规、规范和标准的要求,保证项目建设工程质量。建设单位项目负责人(签章)年月日四、项目监理单位情况单位名称地址邮编经济类型联系电话传真法定代表人项目负责人电话资质级别资质证书号资质范围监理起止日期第8页共12页第7页共12页编号:时间:2021年x月x日书山有路勤为径,学海无涯苦作舟页码:第8页共12页监理单位概况和承担主要相关监理项目名称:监理单位对安全设施施工情况的陈述:由我公司负责施工的项目,在施工过程中完全严格遵守国家法律、法规、规范和标准的要求,工程质量合格。监理单位项目负责人(签章)年月日五、设备设施检测检验情况防雷防静电单位名称地址邮编经济类型联系电话传真法定代表人项目负责人电话资质级别资质证书号第9页共12页第8页共12页编号:时间:2021年x月x日书山有路勤为径,学海无涯苦作舟页码:第9页共12页资质范围检测起止日期检测形式检测范围(内容)检测结果:压力容器管道检测检验单位名称地址邮编经济类型联系电话传真法定代表人项目负责人电话资质级别资质证书号资质范围检测起止日期检测形式检测范围(内容)检测结果:六、建设项目安全设施验收评价报告评价机构单位名称联系电话地址邮编资质级别资质证书编号法定代表人第10页共12页第9页共12页编号:时间:2021年x月x日书山有路勤为径,学海无涯苦作舟页码:第10页共12页资质范围主要编制人姓名何种专业技术职称安全评价工作资格证书已从事过何种专业技术工作专业技术工作年限报告结论性意见及整改措施七、建设项目安全设施验收...

1、当您付费下载文档后,您只拥有了使用权限,并不意味着购买了版权,文档只能用于自身使用,不得用于其他商业用途(如 [转卖]进行直接盈利或[编辑后售卖]进行间接盈利)。
2、本站所有内容均由合作方或网友上传,本站不对文档的完整性、权威性及其观点立场正确性做任何保证或承诺!文档内容仅供研究参考,付费前请自行鉴别。
3、如文档内容存在违规,或者侵犯商业秘密、侵犯著作权等,请点击“违规举报”。

碎片内容

危险化学品建设项目安全设施竣工验收申请书

精品中小学资料+ 关注
实名认证
内容提供者

精品文档

确认删除?
VIP
微信客服
  • 扫码咨询
会员Q群
  • 会员专属群点击这里加入QQ群
客服邮箱
回到顶部