电脑桌面
添加小米粒文库到电脑桌面
安装后可以在桌面快捷访问

品种法的成本计算VIP免费

品种法的成本计算_第1页
1/6
品种法的成本计算_第2页
2/6
品种法的成本计算_第3页
3/6
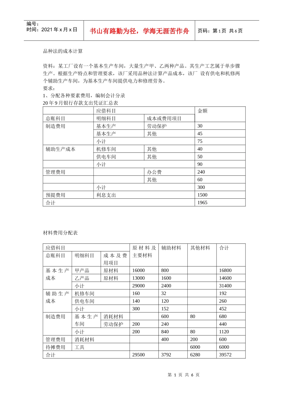
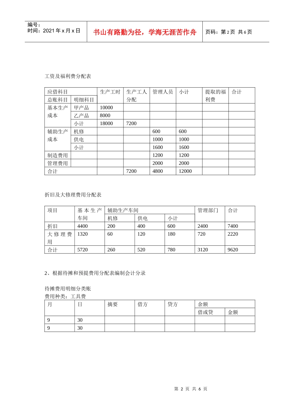
第1页共6页编号:时间:2021年x月x日书山有路勤为径,学海无涯苦作舟页码:第1页共6页品种法的成本计算资料:某工厂设有一个基本生产车间,大量生产甲、乙两种产品。其生产工艺属于单步骤生产。根据生产特点和管理要求,该厂采用品种法计算产品成本,该厂设有供电和机修两个辅助生产车间,为基本生产车间提供电力和修理劳务。要求:1、分配各种要素费用,编制会计分录20年9月银行存款支出凭证汇总表应借科目金额总账科目明细科目成本或费用项目制造费用基本生产劳动保护30基本生产其他45小计75辅助生产成本机修车间其他40供电车间其他50小计90管理费用办公费240其他60小计300预提费用利息支出1500合计1965材料费用分配表应借科目原材料及主要材料辅助材料其他材料合计总账科目明细科目成本及费用项目基本生产成本甲产品原材料1600080016800乙产品原材料13000160014600小计29000240031400辅助生产成本机修车间16032192供电车间140120260小计300152452制造费用基本生产车间消耗材料60080680劳动保护200240440小计200840801120管理费用消耗材料400200600待摊费用工具60006000合计295003792628039572第2页共6页第1页共6页编号:时间:2021年x月x日书山有路勤为径,学海无涯苦作舟页码:第2页共6页工资及福利费分配表应借科目生产工时生产工人分配管理人员小计提取的福利费合计总账科目明细科目基本生产成本甲产品10000乙产品8000小计180007200辅助生产成本机修600600供电10001000小计16001600制造费用12001200管理费用20002000合计7200480012000折旧及大修理费用分配表项目基本生产车间辅助生产车间管理部门合计机修供电小计折旧440020040060024007400大修理费用1320601201807202220合计5720260520780312096202、根据待摊和预提费用分配表编制会计分录待摊费用明细分类账费用种类:工具费月日摘要借方贷方余额借或贷金额930930第3页共6页第2页共6页编号:时间:2021年x月x日书山有路勤为径,学海无涯苦作舟页码:第3页共6页预提费用明细分类账月日摘要借方贷方余额借或贷金额731七月预提500贷500831八月预提500贷1000920付款930九月份预提待摊、预提费用分配表费用种类应借科目应贷科目总账科目明细科目工具费制造费用工具费2000利息支出财务费用利息支出5003、归集和分配辅助生产费用辅助生产成本明细账车间名称:机修月日摘要直接材料直接人工折旧费修理费水电费其他借方合计贷方转出期末余额第4页共6页第3页共6页编号:时间:2021年x月x日书山有路勤为径,学海无涯苦作舟页码:第4页共6页辅助生产成本明细账车间名称:供电月日摘要直接材料直接人工折旧费修理费水电费其他借方合计贷方转出期末余额辅助生产费用分配表(注:按计划成本分配)项目机修供电费用合计数量/h费用数量/kW.h费用待分配费用240011762200019703146计划单位成本0.50.1辅助生产机修电费1000供电修理费400小计基本生产甲产品动力11500乙产品动力6500小计17600制造费用基本生产修理费2000电费01000小计200001000管理费用电费2000第5页共6页第4页共6页编号:时间:2021年x月x日书山有路勤为径,学海无涯苦作舟页码:第5页共6页4、归集和分配制造费用制造费用明细账日期凭证摘要工资及福利费消耗材料折旧费修理费水电费材料盘盈其他合计贷方转出余额制造费用分配表应借科目生产工时制造费用总账科目明细科目基本生产甲产品10000乙产品8000合计180005、分配计算完工产品和月末在产品成本。月末在产品定额成本计算表产品名称所在工序在产品数量直接材料工时定额定额工时动力直接人工制造费用合计单件定额小计0.1元/h0.45元/h0.65元/h甲产品一80258二202528第6页共6页第5页共6页编号:时间:2021年x月x日书山有路勤为径,学海无涯苦作舟页码:第6页共6页小计100乙产品7060800合计产品成本计算表甲产品成本项目月初在产品成本本月费用生产费用合计月末在产品成本产成品成本总成本单位成本材料2000动力10人工45制造费用65合计2120产品成本计算表乙产品成本项目月初在产品成本本月费用生产费用合计月末在产品成本产成品成本总成本单位成本材料6000动力20人工90制造费用130合计6240

1、当您付费下载文档后,您只拥有了使用权限,并不意味着购买了版权,文档只能用于自身使用,不得用于其他商业用途(如 [转卖]进行直接盈利或[编辑后售卖]进行间接盈利)。
2、本站所有内容均由合作方或网友上传,本站不对文档的完整性、权威性及其观点立场正确性做任何保证或承诺!文档内容仅供研究参考,付费前请自行鉴别。
3、如文档内容存在违规,或者侵犯商业秘密、侵犯著作权等,请点击“违规举报”。

碎片内容

品种法的成本计算

确认删除?
VIP
微信客服
  • 扫码咨询
会员Q群
  • 会员专属群点击这里加入QQ群
客服邮箱
回到顶部