电脑桌面
添加小米粒文库到电脑桌面
安装后可以在桌面快捷访问

室外装饰施工组织设计方案(55页)VIP免费

室外装饰施工组织设计方案(55页)_第1页
1/38
室外装饰施工组织设计方案(55页)_第2页
2/38
室外装饰施工组织设计方案(55页)_第3页
3/38
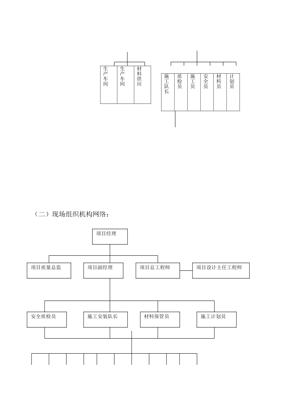
施工组织设计5.1编制依据及目的依据施工图纸和施工中严格遵照执行业主的各项要求和有关规范、规程。(1)中华人民共和国以及山西现行版的建筑安装装饰工程施工验收规范、规程以及相关法规。(2)《建筑装饰工程施工及验收规范》JG73-91。(3)《建筑装饰工程质量检验评定标准》GBJ30088。(4)《高级建筑装饰工程质量检验评定标准》DBJ01-27-96。(5)《电气装置安装工程施工及验收规范》GBJ232-82鹤壁市煤矿监察办事处室外装饰工程是由玻璃幕墙、铝合金门窗及钢网架等分部项目组成。作为重点工程,因其外立面装饰质量要求高、工期紧、各分部分项工程有的需要交叉作业等特点,我们只有通过编写施工组织设计进行统筹安排,才能合理的、安全的、保质保量的、按期竣工交付使用。(一)鹤壁市煤矿监察办事处室外装饰工程是一项高质量、高档次、高要求的幕墙工程。为充分满足该项工程的设计要求,针对其施工重点多、选型难度大,施工质量控制点多等特点,针对这些难点合理有效地制定出施工组织设计和方案,以确保本工程保质、保量、保工期全面优质交付。(二)建筑外立面的幕墙施工安装质量,直接影响幕墙安装后能否满足幕墙的建筑物理及其它性能要求的关键之一,同时幕墙安装施工又是多工种的联合施工,与其他分项工程施工难免有所交叉和衔接的工序,因此,为保证幕墙安装施工质量,必须单独编制施工组织设计。5.2.工程管理体系及项目组织机构:(一)工程管理体系组织机构网络工程总指挥总工程师副总指挥工程设计工厂质量管理工地质量管理生产部门(工厂内)项目经理电工电焊工骨架安装项目班长定位放线工钳工施工员配件安装工板块安装工打胶工(二)现场组织机构网络:生产车间生产车间材料供应施工队长质检员施工员安全员材料员计划员项目经理项目质量总监项目副经理项目总工程师项目设计主任工程师安全质检员施工安装队长材料保管员施工计划员5.3施工部署:3.1进场前的准备工作(1)项目经理及施工员、材料员、质量员等必须会同设计人员对图纸和工程说明作全面、详细的了解,对工程概况做到心中有数。(2)工程量的计算,即根据施工图纸,结合预算项目,统计出各项施工项目单位数量表。(3)制定材料计划表,将工程所需的材料名称、规格和预计数量逐一列表归类后提交一份给材料部,并配合材料部选择材料供应商及材料晶牌。(4)制定施工进度计划表,施工进度计划表用于控制施工进度和调度工人及材料,进度表的编排是按照工程期限将各施工项目的工作量、完成项目所需的时间,科学地编排在时间表内。(5)开工前企业去工地实地勘察,了解施工现场环境、交通运输及施工人员食宿等情况,核对施工空间与设计图纸有无误差。(6)材料进工地应做好以下工作:A、根据材料计划表并结合工程进度计划表确定材料的品种、数量及进工地时间。B、材料堆放位置应事先安排,切勿任意堆放以致影响工期和材料管理的严密性。堆放时应注意以下几点:玻璃幕墙组石材幕墙组钢结构组门窗组其他项目组测量组运输组密封胶机械组焊接组电工组a、不得反复搬迁,损材费工,影响施工的进行。b、分类堆放,便于使用。c、易燃、易爆物品,分开地点堆放,以保安全。d、易碎、易潮、易污的材料,应注意堆放方法和采取保护措施,以免造成损耗。e、即用的材料进工地时应直接放置在工作面,以便节省搬迁的工序。C、工地设临时仓库及仓库管理员,切实做好进场材料的签收工作,并按材料品种、数量进行登记,以备查验。(7)接通工地临时水电A、临时用水的设置应尽量利用原固定管道,水管铺设时尽量按原设计的路线铺设,做到既解决用水又减少铺设时间。B、临时用电的布置一般是以架空线路或电缆拖板的形式。架空线的用电装设自动开关或闸刀开关并符合架设临时线路的要求。采用电缆拖板供电时,电缆用保护层“YHZ”橡胶套电缆,禁止用花线塑料铜芯线作拖引线,以防漏电造成事故,电缆用电端是一块接线板,板上须有漏电保护开关、闸刀、插座等。(8)施工部署及技术交底,施工管理人员掌握全部施工资料后,按施工内容进行人员部署,划分各工序的职责范围,明确各工种的责任,并落实到各工种的负责人。同时,召集各工种、工序施工骨干进行...

1、当您付费下载文档后,您只拥有了使用权限,并不意味着购买了版权,文档只能用于自身使用,不得用于其他商业用途(如 [转卖]进行直接盈利或[编辑后售卖]进行间接盈利)。
2、本站所有内容均由合作方或网友上传,本站不对文档的完整性、权威性及其观点立场正确性做任何保证或承诺!文档内容仅供研究参考,付费前请自行鉴别。
3、如文档内容存在违规,或者侵犯商业秘密、侵犯著作权等,请点击“违规举报”。

碎片内容

室外装饰施工组织设计方案(55页)

您可能关注的文档

确认删除?
VIP
微信客服
  • 扫码咨询
会员Q群
  • 会员专属群点击这里加入QQ群
客服邮箱
回到顶部