电脑桌面
添加小米粒文库到电脑桌面
安装后可以在桌面快捷访问

回填土工程安全技术交底VIP免费

回填土工程安全技术交底_第1页
1/1
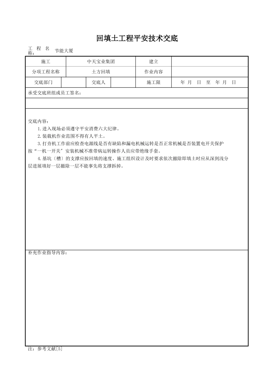
回填土工程平安技术交底工程名称:节能大厦施工中天宝业集团建立分项工程名称土方回填作业内容交底部门交底人施工限年月日至年月日承受交底班组或员工签名:交底内容:1.进入现场必须遵守平安消费六大纪律。2.装载机作业范围不得有人平土。3.打夯机工作前应检查电源线是否有缺陷和漏电机械运转是否正常机械是否装置电开关保护按“一机一开关〞安装机械不准带病运转操作人员应带绝缘手套。4.基坑〔槽〕的支撑应按回填的速度、施工组织设计及时要求依次撤除即填土时应从深到浅分层进展填好一层撤除一层不能事先将支撑拆掉。补充作业指导内容:注:参考文献[5]

1、当您付费下载文档后,您只拥有了使用权限,并不意味着购买了版权,文档只能用于自身使用,不得用于其他商业用途(如 [转卖]进行直接盈利或[编辑后售卖]进行间接盈利)。
2、本站所有内容均由合作方或网友上传,本站不对文档的完整性、权威性及其观点立场正确性做任何保证或承诺!文档内容仅供研究参考,付费前请自行鉴别。
3、如文档内容存在违规,或者侵犯商业秘密、侵犯著作权等,请点击“违规举报”。

碎片内容

回填土工程安全技术交底

海纳百川+ 关注
实名认证
内容提供者

热爱教学事业,对互联网知识分享很感兴趣

确认删除?
VIP
微信客服
  • 扫码咨询
会员Q群
  • 会员专属群点击这里加入QQ群
客服邮箱
回到顶部