电脑桌面
添加小米粒文库到电脑桌面
安装后可以在桌面快捷访问

土建工程量计算讲义VIP免费

土建工程量计算讲义_第1页
1/36
土建工程量计算讲义_第2页
2/36
土建工程量计算讲义_第3页
3/36
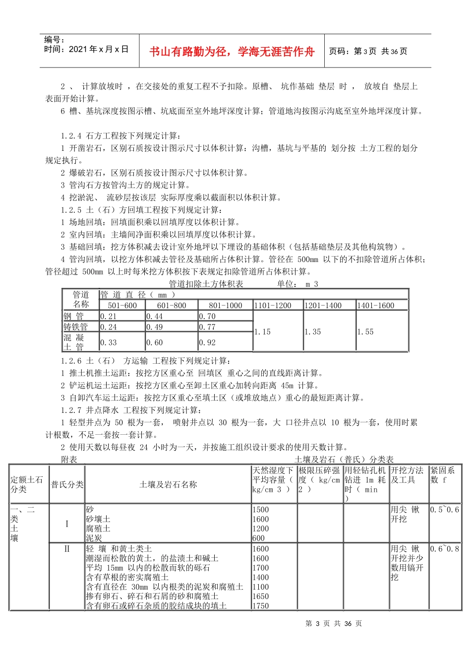
第1页共36页编号:时间:2021年x月x日书山有路勤为径,学海无涯苦作舟页码:第1页共36页第一章土石方工程1.1说明1.1.1人工土石方1土壤分类详见附表。人工挖地槽、地坑定额深度在6m范围内,超过6m时,另作补充定额。2平整场地适用于建筑场地厚度在±30cm内的挖、填、运、找平;场地竖向布置挖填土方时,不再计算平整场地的工程量。3人工挖土方定额是按干土编制的,如挖湿土时,人工乘以系数1.18。干湿的划分,应根据地质勘测资料以地下常水位为准进行划分,地下常水位以上为干土,以下为湿土。淤泥与湿土的区分:地下常水位以下的土层为湿土,具有流动状态者为淤泥。4本定额未包括地下水位以下施工的排水费用,发生时按实计算。挖土方时如遇有地表水需排除时,亦应按实计算。5支挡土板定额项目分为密撑和疏撑,密撑是指满支挡土板;疏撑是指间隔支挡土板,实际间距不同时,定额不作调整。6石方爆破定额是按炮眼法松动爆破编制的,不分明炮、闷炮,但闷炮的覆盖材料应另行计算。7石方爆破是按电雷管导电起爆编制的,如采用火雷管可以换算,雷管数量不变,定额中的胶质导线换为导火索,导火索的长度按每个雷管2.12m计算。1.1.2机械土石方1岩石分类详见附表。2推土机推土、推石碴,铲运机铲运土负荷上坡时,如果坡度大于5%时,其运距按坡度区段斜长乘下列系数计算:坡度(%)5-1015以内20以内25以上系数1.752.02.252.53机械土石方工程中,人工挖方按施工组织设计的规定计算工程量;如施工组织设计无规定时,可按以下规定计算工程量:(1)地下室土方,按机械挖土方95%计,人工挖土方5%计算。(2)沟槽、基坑挖土方,按机械挖土方90%计,人工挖土方10%计算。4定额中土壤含水率是按天然含水率为准制定的,若挖湿土时,定额人工、机械乘以系数1.18。5推土机推土或铲运机铲土土层平均厚度小于300mm时,推土机台班用量乘以系数1.25;铲运机台班用量乘以系数1.17。6挖掘机在垫板上进行作业时,人工、机械乘以系数1.25,定额内不包括垫板铺设所需的工料、机械消耗。7机械挖钢筋混凝土桩间土方时,按相应定额项目乘以1.15系数计算。8推土机、铲运机、推铲未经压实的积土时,按定额项目乘以系数0.73计算。9定额中的爆破材料是按炮孔中无地下渗水、积水编制的,炮孔中若出现地下渗水、积水时,处理渗水、积水发生的费用另行计算。定额内未计爆破时所需覆盖的安全网、草袋、架设安全屏障等设施,发生时另行计算。10机械上下行驶坡道土方,合并在土方工程量内计算。11汽车运土运输道路是按一、二、三类道路综合确定的,已考虑了运输过程中道路清理的人工,如需要铺筑材料时,另行计算。1.1.3井点降水1井点降水项目适用于地下水位较高的粉砂土、砂质粉土、粘质粉土或淤泥质夹薄层砂性土的地层。2采用轻型井点、喷射井点或大口径井点进行降水由施工组织设计确定。一般情况下,降水深度6m以上30m以下采用相应的喷射井点,特殊情况下可选用大口径井点。井点使用时间按施工组织设计确定。喷射井点定额包括两根观察孔制作,喷射井管包括了内管和外管。井点材料使用摊销量中已包括井点拆除时的材料损耗量。井点间距根据地质和降水要求由施工组织设计确定,一般轻型井点管间距为1.2m,喷射井点管间距为2.5m,大口径井点管间距为10m。3轻型井点井管(含滤水管)的成品价可按所需钢管的材料价乘以系数2.40计算。4井点降水过程中,如需提供资料,则水位监测和资料整理费用另计。5井点降水成孔过程中产生的泥水处理及挖沟排水应另行计算。遇有天然水源可用时,不计水费。1.2工程量计算规则1.2.1土石方工程量计算一般规则第2页共36页第1页共36页编号:时间:2021年x月x日书山有路勤为径,学海无涯苦作舟页码:第2页共36页1土方体积均以挖掘前的天然密实体积为准计算。如遇有必须以天然密实体积折算时,可按下表所列数值换算。土方体积折算表虚方体积天然密实度体积夯实后体积松填体积1.000.770.670.831.301.000.871.081.501.151.001.251.200.920.801.002挖土方平均厚度应按自然地面标高至设计地坪标高间的平均厚度确定。基础土方、石方开挖深度应按基础垫层底表面标高至交付施工场地标高确定,无交付施工场地标高时,应...

1、当您付费下载文档后,您只拥有了使用权限,并不意味着购买了版权,文档只能用于自身使用,不得用于其他商业用途(如 [转卖]进行直接盈利或[编辑后售卖]进行间接盈利)。
2、本站所有内容均由合作方或网友上传,本站不对文档的完整性、权威性及其观点立场正确性做任何保证或承诺!文档内容仅供研究参考,付费前请自行鉴别。
3、如文档内容存在违规,或者侵犯商业秘密、侵犯著作权等,请点击“违规举报”。

碎片内容

土建工程量计算讲义

确认删除?
VIP
微信客服
  • 扫码咨询
会员Q群
  • 会员专属群点击这里加入QQ群
客服邮箱
回到顶部