电脑桌面
添加小米粒文库到电脑桌面
安装后可以在桌面快捷访问

地基基础工程验收资料VIP免费

地基基础工程验收资料_第1页
1/64
地基基础工程验收资料_第2页
2/64
地基基础工程验收资料_第3页
3/64
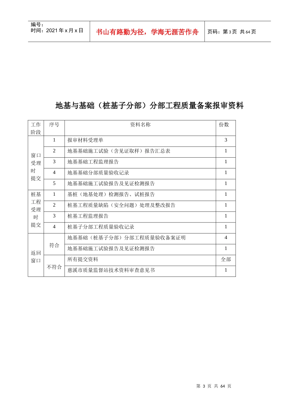
第1页共64页编号:时间:2021年x月x日书山有路勤为径,学海无涯苦作舟页码:第1页共64页附件八地基与基础工程验收(含有地下室)报审资料工作阶段序号资料名称份数窗口受理时提交1报审材料受理单32验收通知单43建筑工程施工安全检查评分汇总表14主要原材料(产品)出厂合格证及进场检验、试验汇总表15施工试验(含见证取样)报告汇总表16基桩(地基处理)检测报告、试桩报告17桩基工程质量缺陷(安全问题)处理及整改报告18桩基工程监理报告19桩基子分部工程质量验收记录110地基基础工程质量(安全问题)缺陷处理及整改报告111地基基础主要原材料(产品)出厂合格证及进场检验、试验报告汇总表112地基基础预拌混凝土合格证汇总表113地基基础结构实体质量检测报告(基础混凝土强度等)1窗口受理时提交后还1图纸会审,设计变更,洽商记录12工程定位测量,放线记录13原材料出厂合格证及进场检(试)验报告14施工试验报告及见证检测报告15隐蔽工程验收记录16施工记录17预制构件、预拌混凝土合格证18新材料、新工艺施工记录1返回窗口符合确定日期的验收通知单3图纸会审,设计变更,洽商记录等8项1不符合所有提交资料全部慈溪市质量监督站技术资料审查意见书1第2页共64页第1页共64页编号:时间:2021年x月x日书山有路勤为径,学海无涯苦作舟页码:第2页共64页附件九主体结构工程验收报审资料工作阶段序号资料名称份数窗口受理时提交1报审材料受理单32验收通知单43建筑工程施工安全检查评分汇总表(钢结构)(主体结构)14钢结构主要原材料(产品)出厂合格证及进场检验、试验汇总表15钢结构施工试验(含见证取样)报告汇总表16钢结构工程质量缺陷(安全问题)处理及整改报告17结构实体检测资料18主体结构工程质量缺陷(安全问题)处理及整改报告19主体结构主要原材料(产品)出厂合格证及进场检验、试验汇总表110主体结构预拌混凝土、预制构件合格证汇总表1窗口受理时提交后还1图纸会审,设计变更,洽商记录12工程定位测量,放线记录13原材料出厂合格证及进场检(试)验报告14施工试验报告及见证检测报告15隐蔽工程验收记录16施工记录17预制构件、预拌混凝土合格证18新材料、新工艺施工记录1返回窗口符合确定日期的验收通知单3图纸会审,设计变更,洽商记录等8项1不符合所有提交资料全部慈溪市质量监督站技术资料审查意见书1第3页共64页第2页共64页编号:时间:2021年x月x日书山有路勤为径,学海无涯苦作舟页码:第3页共64页地基与基础(桩基子分部)分部工程质量备案报审资料工作阶段序号资料名称份数窗口受理时提交1报审材料受理单32地基基础施工试验(含见证取样)报告汇总表13地基基础工程监理报告14地基基础分部质量验收记录15地基基础施工试验报告及见证检测报告1桩基工程受理时提交1基桩(地基处理)检测报告、试桩报告12桩基工程质量缺陷(安全问题)处理及整改报告13桩基工程监理报告14桩基子分部工程质量验收记录1返回窗口符合地基基础(桩基子分部)分部工程质量验收备案证明4地基基础施工试验报告及见证检测报告1不符合所有提交资料全部慈溪市质量监督站技术资料审查意见书1第4页共64页第3页共64页编号:时间:2021年x月x日书山有路勤为径,学海无涯苦作舟页码:第4页共64页附件十地基基础(桩基子分部)分部工程质量备案报审资料工作阶段序号资料名称份数窗口受理时提交1报审材料受理单32地基基础施工试验(含见证取样)报告汇总表13地基基础工程监理报告14地基基础分部质量验收记录15地基基础施工试验报告及见证检测报告1桩基工程受理时提交1基桩(地基处理)检测报告、试桩报告12桩基工程质量缺陷(安全问题)处理及整改报告13桩基工程监理报告14桩基子分部工程质量验收记录1返回窗口符合地基基础(桩基子分部)分部工程质量验收备案证明4地基基础施工试验报告及见证检测报告1不符合所有提交资料全部慈溪市质量监督站技术资料审查意见书1主体结构(钢结构子分部)分部工程质量备案报审资料工作阶段序号资料名称份数窗口受理1报审材料受理单32主体结构施工试验(含见证取样)报告汇总表13主体结构(钢结构子分部)工程监理报告1第5页共64页第4页共64页编号:时间:2021年x...

1、当您付费下载文档后,您只拥有了使用权限,并不意味着购买了版权,文档只能用于自身使用,不得用于其他商业用途(如 [转卖]进行直接盈利或[编辑后售卖]进行间接盈利)。
2、本站所有内容均由合作方或网友上传,本站不对文档的完整性、权威性及其观点立场正确性做任何保证或承诺!文档内容仅供研究参考,付费前请自行鉴别。
3、如文档内容存在违规,或者侵犯商业秘密、侵犯著作权等,请点击“违规举报”。

碎片内容

地基基础工程验收资料

您可能关注的文档

确认删除?
VIP
微信客服
  • 扫码咨询
会员Q群
  • 会员专属群点击这里加入QQ群
客服邮箱
回到顶部