电脑桌面
添加小米粒文库到电脑桌面
安装后可以在桌面快捷访问

塑料线槽配线安装交底记录VIP免费

塑料线槽配线安装交底记录_第1页
1/7
塑料线槽配线安装交底记录_第2页
2/7
塑料线槽配线安装交底记录_第3页
3/7
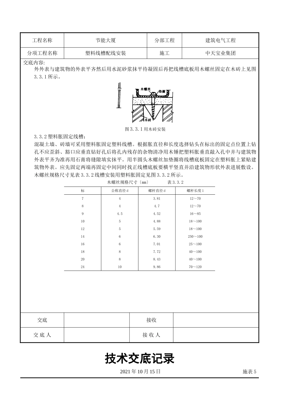
技术交底记录2021年10月15日施表5工程名称节能大厦分部工程建筑电气工程分项工程名称塑料线槽配线安装施工中天宝业集团交底内容:1、根据:?建筑工程施工质量验收统一?GB50300-2001?建筑电气工程施工质量验收?GB50303-20022、施工准备2.1材料要求:2.1.1塑料线槽:由槽底、槽盖及附件组成它是由难燃型硬聚氯乙烯工程塑料挤压成型严禁使用非难燃型材料加工。选用塑料线槽时应根据设计要求选择型、规格相应的定型。其敷设场所的环境温度不得低于-15℃其氧指数不应低于27。以上线槽内外应光滑无棱刺不应有扭曲、翘边等变形现象。并有合格证。2.1.2绝缘导线:导线的型、规格必须符合设计要求线槽内敷设导线的线芯最小允许截面:铜导线为1.0mm2;铝导线为2.5mm2。2.1.3螺旋接线钮:应根据导线截面和导线根数选择相应型的加强型绝缘钢壳螺旋接线钮。2.1.41C平安型压线帽请见3—8、2.1.5有关内容。2.1.5套:套有铜套、铝套及铜过渡套三种选用时应采用与导线规格相应的同材质套。2.1.6接线端子〔接线鼻子〕:选用时应根据导线的根数和总截面选用相应规格的接线端子。2.1.7木砖:用木材制成梯形使用时应做防腐处理。2.1.8塑料胀:选用时其规格应与被紧固的电气器具荷重相对应并选择一样型的圆头机螺丝与垫圈配合使用。2.1.9镀锌材料:选择金属材料时应选用经过镀锌处理的圆钢、扁钢、角钢、螺丝、螺栓、螺母、垫圈、弹簧垫圈等。非镀锌金属材料需进展除锈和防腐处理。2.1.10辅助材料:钻头、焊锡、焊剂、电焊条、氧气、乙炔气、调合漆、防锈漆、橡胶绝缘带或粘塑料绝缘带、黑胶布、石膏等。交底接收交底人接收人技术交底记录2021年10月15日施表5工程名称节能大厦分部工程建筑电气工程分项工程名称塑料线槽配线安装施工中天宝业集团交底内容:2.2主要机具:2.2.1铅笔、卷尺、线坠、粉线袋、电工常用工具、活板子、手锤、錾子。2.2.2钢锯、钢锯条、喷灯、锡锅、锡勺、焊锡、焊剂。2.2.3手电钻、电锤、万用表、兆欧表、工具袋、工具箱、高凳等。2.3作业条件:2.3.1配合土建构造施工预埋保护、木砖及预留孔洞。2.3.2屋顶、墙面及地面、油漆、浆活全部完成。3、操作工艺3.1工艺流程:弹线定位——线槽固定——线槽连结——槽内放线——导线连结——线路检查、绝缘摇测。3.2弹线定位:3.2.1弹线定位应符合以下规定:3.2.1.1线槽配线在穿过楼板或墙壁时应用保护而且穿楼板处必须用钢保护其保护高度距地面不应低于1.8m;装设开关的地方可引至开关的位置。3.2.1.2过变形缝时应做补偿处理。3.2.2弹线定位按设计图确定进户线、盒、箱等电气器具固定点的位置从始端至终端〔先干线后支线〕找好程度或垂直线用粉线袋在线路中心弹线分均档用笔画出加档位置后再细查木砖是否齐全位置是否正确否那么应及时补齐。然后在固定点位置进展钻孔埋入塑料胀或伞形螺栓。弹线时不应弄脏建筑物外表。3.3线槽固定:3.3.1木砖固定线槽:配合土建构造施工时预埋木砖;加气砖墙或砖墙剔洞后再埋木砖梯形木砖较大的一面应朝洞里交底接收交底人接收人技术交底记录2021年10月15日施表5工程名称节能大厦分部工程建筑电气工程分项工程名称塑料线槽配线安装施工中天宝业集团交底内容:外外表与建筑物的外表平齐然后用水泥砂浆抹平待凝固后再把线槽底板用木螺丝固定在木砖上见图3.3.1所示。图3.3.1用木砖安装3.3.2塑料胀固定线槽:混凝土墙、砖墙可采用塑料胀固定塑料线槽。根据胀直径和长度选择钻头在标出的固定点位置上钻孔不应歪斜、豁口应垂直钻好孔后将孔内残存的杂物清净用木锤把塑料胀垂直敲入孔中并与建筑物外表平齐为准再用石膏将缝隙填实抹平。用半圆头木螺丝加垫圈将线槽底板固定在塑料胀上紧贴建筑物外表。应先固定两端再固定中间同时找正线槽底板要横平竖直并沿建筑物形状外表进展敷设。木螺丝规格尺寸见表3.3.2线槽安装用塑料胀固定见图3.3.2所示。木螺丝规格尺寸〔mm〕表3.3.2标公称直径d螺杆直径d螺杆长度178910121416182024444.5556688103.814.74.524.885.596.307.017.728.439.8612~7012~7016~8518~10018~100250~10025~10040~10040~10070~120交底接收交底人接收人技术交底记录2021年10月15日施表5工程名称...

1、当您付费下载文档后,您只拥有了使用权限,并不意味着购买了版权,文档只能用于自身使用,不得用于其他商业用途(如 [转卖]进行直接盈利或[编辑后售卖]进行间接盈利)。
2、本站所有内容均由合作方或网友上传,本站不对文档的完整性、权威性及其观点立场正确性做任何保证或承诺!文档内容仅供研究参考,付费前请自行鉴别。
3、如文档内容存在违规,或者侵犯商业秘密、侵犯著作权等,请点击“违规举报”。

碎片内容

塑料线槽配线安装交底记录

确认删除?
VIP
微信客服
  • 扫码咨询
会员Q群
  • 会员专属群点击这里加入QQ群
客服邮箱
回到顶部