电脑桌面
添加小米粒文库到电脑桌面
安装后可以在桌面快捷访问

高考化学 课时提能演练(二十六) 9.1 原电池 化学电源 新人教版VIP免费

高考化学 课时提能演练(二十六) 9.1 原电池 化学电源 新人教版_第1页
1/8
高考化学 课时提能演练(二十六) 9.1 原电池 化学电源 新人教版_第2页
2/8
高考化学 课时提能演练(二十六) 9.1 原电池 化学电源 新人教版_第3页
3/8
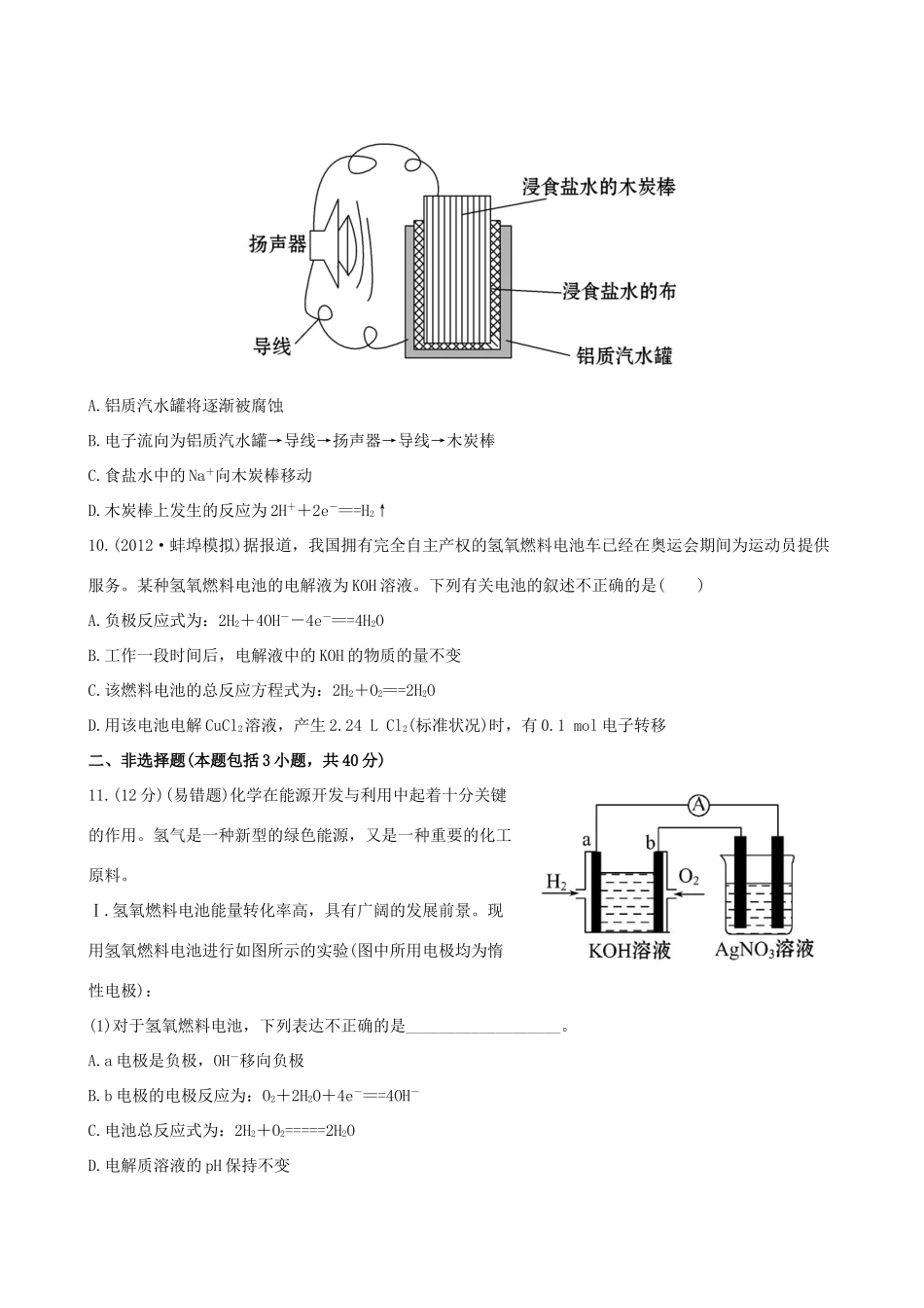
(45分钟100分)一、选择题(本题包括10小题,每小题6分,共60分)1.(2011·海南高考)一种充电电池放电时的电极反应为:H2+2OH--2e-===2H2ONiO(OH)+H2O+e-===Ni(OH)2+OH-当为电池充电时,与外电源正极连接的电极上发生的反应是()A.H2O的还原B.NiO(OH)的还原C.H2的氧化D.Ni(OH)2的氧化2.(2011·福建高考)研究人员研制出一种锂水电池,可作为鱼雷和潜艇的储备电源。该电池以金属锂和钢板为电极材料,以LiOH为电解质,使用时加入水即可放电。关于该电池的下列说法不正确的是()A.水既是氧化剂又是溶剂B.放电时正极上有氢气生成C.放电时OH-向正极移动D.总反应为:2Li+2H2O===2LiOH+H2↑3.两种金属A与B组成原电池时,A是正极。下列有关推断正确的是()A.A的金属性强于BB.A电极上发生的电极反应是还原反应C.电子不断由A电极经外电路流向B电极D.A在金属活动性顺序表中一定排在氢前面4.(2011·广东高考)某小组为研究电化学原理,设计装置。下列叙述不正确的是()A.a和b不连接时,铁片上会有金属铜析出B.a和b用导线连接时,铜片上发生的反应为:Cu2++2e-===CuC.无论a和b是否连接,铁片均会溶解,溶液从蓝色逐渐变成浅绿色D.a和b分别连接直流电源正、负极,电压足够大时,Cu2+向铜电极移动5.(2011·新课标全国卷)铁镍蓄电池又称爱迪生电池,放电时的总反应为:Fe+Ni2O3+3H2O===Fe(OH)2+2Ni(OH)2下列有关该电池的说法不正确的是()A.电池的电解液为碱性溶液,正极为Ni2O3,负极为FeB.电池放电时,负极反应为Fe+2OH--2e-===Fe(OH)2C.电池充电过程中,阴极附近溶液的pH降低D.电池充电时,阳极反应为2Ni(OH)2+2OH--2e-===Ni2O3+3H2O6.(2011·浙江高考)将NaCl溶液滴在一块光亮清洁的铁板表面上,一段时间后发现液滴覆盖的圆圈中心区(a)已被腐蚀而变暗,在液滴外沿形成棕色铁锈环(b),如图所示。导致该现象的主要原因是液滴之下氧气含量比边缘少。下列说法正确的是()A.液滴中的Cl-由a区向b区迁移B.液滴边缘是正极区,发生的电极反应为O2+2H2O+4e-===4OH-C.液滴下的Fe因发生还原反应而被腐蚀,生成的Fe2+由a区向b区迁移,与b区的OH-形成Fe(OH)2,进一步氧化、脱水形成铁锈D.若改用嵌有一铜螺丝钉的铁板,在铜铁接触处滴加NaCl溶液,则负极发生的电极反应为Cu-2e-===Cu2+7.下列防腐措施中,利用原电池反应使主要金属得到保护的是()A.用氧化剂使金属表面生成致密稳定的氧化物保护膜B.在金属中加入一些铬或镍制成合金C.在轮船的壳体水线以下部分装上锌锭D.金属表面喷漆8.(预测题)依据氧化还原反应:2Ag+(aq)+Cu(s)===Cu2+(aq)+2Ag(s),设计的原电池如图所示。下列有关说法中错误的是()A.电解质溶液Y是CuSO4溶液B.电极X的材料是CuC.银电极为电池的正极,其电极反应为Ag++e-===AgD.外电路中的电子是从X电极流向Ag电极9.小军利用家中的废旧材料制作了一个可使玩具扬声器发出声音的电池,装置如图所示。下列有关该电池工作时的说法错误的是()A.铝质汽水罐将逐渐被腐蚀B.电子流向为铝质汽水罐→导线→扬声器→导线→木炭棒C.食盐水中的Na+向木炭棒移动D.木炭棒上发生的反应为2H++2e-===H2↑10.(2012·蚌埠模拟)据报道,我国拥有完全自主产权的氢氧燃料电池车已经在奥运会期间为运动员提供服务。某种氢氧燃料电池的电解液为KOH溶液。下列有关电池的叙述不正确的是()A.负极反应式为:2H2+4OH--4e-===4H2OB.工作一段时间后,电解液中的KOH的物质的量不变C.该燃料电池的总反应方程式为:2H2+O2===2H2OD.用该电池电解CuCl2溶液,产生2.24LCl2(标准状况)时,有0.1mol电子转移二、非选择题(本题包括3小题,共40分)11.(12分)(易错题)化学在能源开发与利用中起着十分关键的作用。氢气是一种新型的绿色能源,又是一种重要的化工原料。Ⅰ.氢氧燃料电池能量转化率高,具有广阔的发展前景。现用氢氧燃料电池进行如图所示的实验(图中所用电极均为惰性电极):(1)对于氢氧燃料电池,下列表达不正确的是___________________。A.a电极是负极,OH-移向负极B.b电极的电极反应为:O2+2H2O+4e-===4OH-C.电池总反应式为:2H2+O2=====2H2OD.电解质溶液的pH保持不变E.氢氧燃料...

1、当您付费下载文档后,您只拥有了使用权限,并不意味着购买了版权,文档只能用于自身使用,不得用于其他商业用途(如 [转卖]进行直接盈利或[编辑后售卖]进行间接盈利)。
2、本站所有内容均由合作方或网友上传,本站不对文档的完整性、权威性及其观点立场正确性做任何保证或承诺!文档内容仅供研究参考,付费前请自行鉴别。
3、如文档内容存在违规,或者侵犯商业秘密、侵犯著作权等,请点击“违规举报”。

碎片内容

高考化学 课时提能演练(二十六) 9.1 原电池 化学电源 新人教版

您可能关注的文档

文章天下+ 关注
实名认证
内容提供者

各种文档应有尽有

确认删除?
VIP
微信客服
  • 扫码咨询
会员Q群
  • 会员专属群点击这里加入QQ群
客服邮箱
回到顶部