电脑桌面
添加小米粒文库到电脑桌面
安装后可以在桌面快捷访问

大广高速公路96区素土路基施工组织设计方案VIP免费

大广高速公路96区素土路基施工组织设计方案_第1页
1/8
大广高速公路96区素土路基施工组织设计方案_第2页
2/8
大广高速公路96区素土路基施工组织设计方案_第3页
3/8
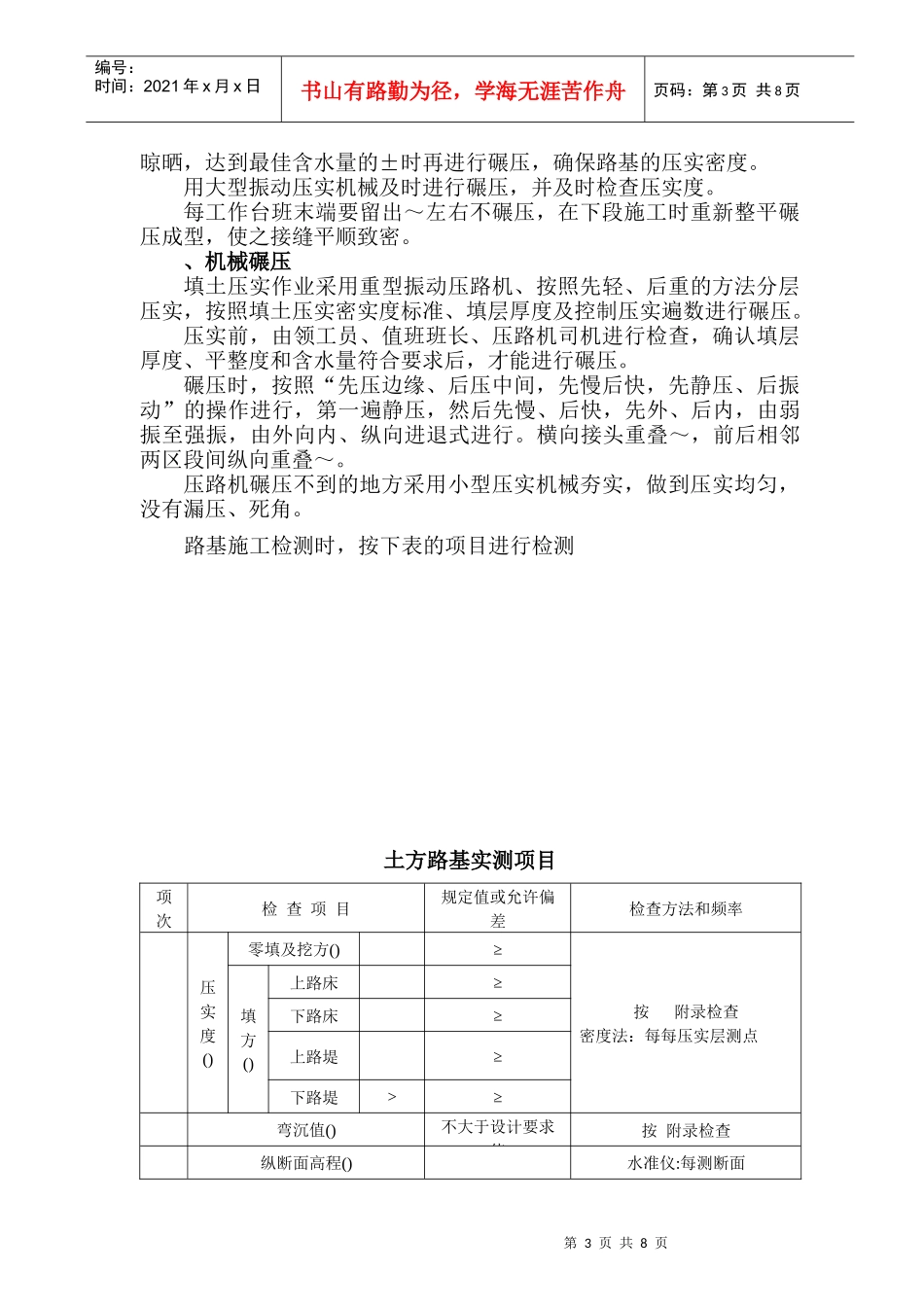
第1页共8页编号:时间:2021年x月x日书山有路勤为径,学海无涯苦作舟页码:第1页共8页区素土路基施工方案一、工程概况本段为大广高速公路新县合同段,桩号—,计.18km。全线采用重丘区双向四车道,计算行车速度100Km/h,路基宽度26m。我标段拟选择有代表性的段做为区素土路基的试验段,确定填筑参数,所得结果将做为我标段素土路基施工的依据。每个区段的长度根据使用机械的能力、汽车数量确定。二、工程管理目标、安全目标始终按照技术可行、措施得力、确保安全的原则进行施工。安全措施落实到位,确保无事故的安全目标实现。、质量目标本标段工程质量验收合格率,创优良工程。三、人员组织:、施工组织体系如下图所示:、主要人员见素土施工人员四、机械组织见素土施工设备五、施工方案、素土路基填筑路基素土填筑严格按“四区段、八流程”作业方法分层填筑、分层压实,实行程序化、标准化施工,施工工艺流程见表。四区段为:填筑区→平整区→碾压区→检验区,每区段长度视现场情况和机械设备施工能力按~划分。填筑区是专供自卸汽车或铲运机卸载路基填料的作业区域;平整区是专供推土机和平地机进行摊铺平整的施工区域;碾压区是专供压路机进行碾压施工的作业区域;检验区是专供试验、检测人员进行路基填土压实密度等各项指标检测的作业区域。八流程为:施工准备→基底处理→分层填筑→摊铺平整(洒水、晾晒、拌合改良)→机械碾压→检验签证→路面整形→边坡整修。施工负责人试验负责人质检负责人技术负责人素土二队素土一队第2页共8页第1页共8页编号:时间:2021年x月x日书山有路勤为径,学海无涯苦作舟页码:第2页共8页各区段或流程内只允许进行该段或该流程的作业,不允许几种作业交叉进行。各区段、各工序相对独立进行作业,各种机械设备在各自的作业区域内独立、高效的进行施工作业,互不干扰,充分发挥机械化生产效能,提高生产效率,确保工程质量。、施工准备①测放中线线路复测后测放出线路主要控制桩,对施工现场按设计断面进行复核(包括中线、标高、水准点的复查与增设,横断面的测量与绘制),放出路基坡脚和施工边线以及排水沟的具体位置,在施工前做好排水系统的施工,并保证排水沟不被路基填料和施工机械破环。②检测土样对取土场或路堑挖方的土质取有代表性的土样,按标准试验方法进行天然密实度、含水量、液限指数和颗粒分析,确定填土层的最佳含水量和最佳密实度。、基底清理回填后的基底清理:在铺筑前,应将下层的表面拉毛,并洒水湿润。、分层填筑在分层填筑前,依据技术标准、压实机械性能、土质类别,取得最佳含水量、分层填筑厚度和各类机械压实遍数、速度等各项参数后,确定填筑施工工艺,并报监理工程师审批。路堤填筑采取全断面、纵向分层方式。当原地面高低不平时,先从最低处分层填筑,每层由里向外填筑。路基填筑水平分层填筑压实,分层厚度根据试验确定,严格控制,每~设一组标高点,每层填筑厚度不超过,最大虚铺厚度不超过。为保证路堤边缘填土的压实度,边坡外侧超填,竣工时刷坡整平、压实。路堤填筑成型后,用平地机细平路床表面,做好路拱。中途停工,路堤表层及边坡加以整理,防止积水及冲刷。、摊铺、平整填筑区段完成一层卸料后,根据设计填土高度及由试验段确定的分层松铺厚度及压实参数,采用推土机摊铺平整,平地机精平,做到摊铺面在纵向和横向平顺均匀,以保证压路机压轮表面能均匀地接触地面进行碾压,达到碾压效果。素土平整完毕后,根据素土量撒出方格网进行堆放素土,再用人工或机械将素土均匀摊铺。在摊铺的同时,填筑层顶面向两侧做成~的横向排水坡,以利路基面排水。路基素土填筑时严格控制填料的含水量,使其不超过试验所确定最佳含水量的±;当路基填料含水量过小时,在平整区内采用洒水车洒水湿润,洒水量经过试验确定,做到洒水均匀,防止洒水过多,碾压成橡皮土。当路基填土含水量过大时,采用拖拉机或推土机挂圆盘耙翻松、第3页共8页第2页共8页编号:时间:2021年x月x日书山有路勤为径,学海无涯苦作舟页码:第3页共8页晾晒,达到最佳含水量的±时再进行碾压,确保路基的压实密度。用大型振动压实机械及时进行碾压,...

1、当您付费下载文档后,您只拥有了使用权限,并不意味着购买了版权,文档只能用于自身使用,不得用于其他商业用途(如 [转卖]进行直接盈利或[编辑后售卖]进行间接盈利)。
2、本站所有内容均由合作方或网友上传,本站不对文档的完整性、权威性及其观点立场正确性做任何保证或承诺!文档内容仅供研究参考,付费前请自行鉴别。
3、如文档内容存在违规,或者侵犯商业秘密、侵犯著作权等,请点击“违规举报”。

碎片内容

大广高速公路96区素土路基施工组织设计方案

确认删除?
VIP
微信客服
  • 扫码咨询
会员Q群
  • 会员专属群点击这里加入QQ群
客服邮箱
回到顶部