电脑桌面
添加小米粒文库到电脑桌面
安装后可以在桌面快捷访问

建筑工程施工质量验收资料(SN建筑给水排水及采暖工程部VIP免费

建筑工程施工质量验收资料(SN建筑给水排水及采暖工程部_第1页
1/53
建筑工程施工质量验收资料(SN建筑给水排水及采暖工程部_第2页
2/53
建筑工程施工质量验收资料(SN建筑给水排水及采暖工程部_第3页
3/53
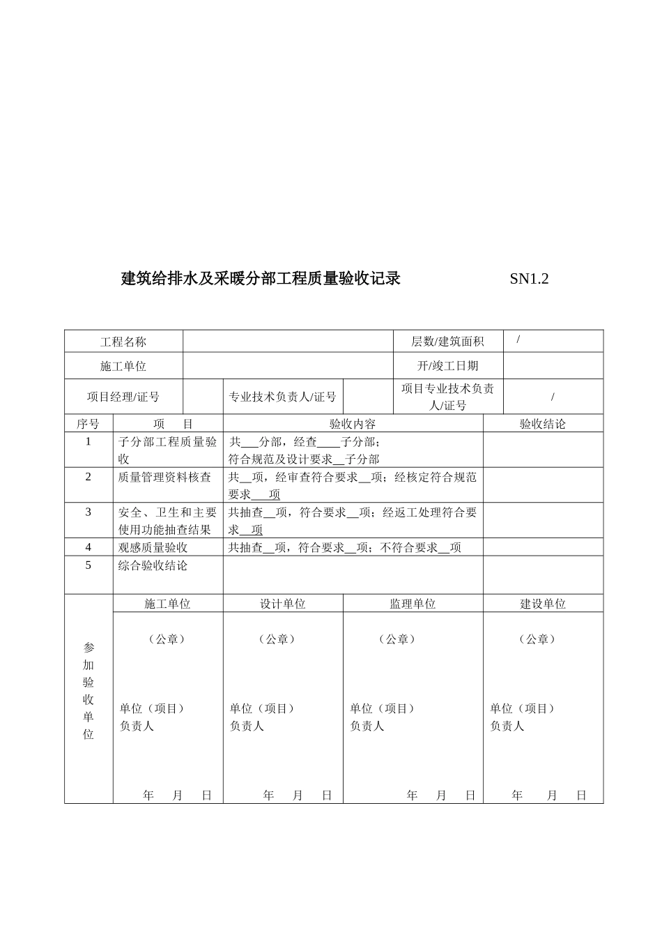
建筑给水排水及采暖工程施工现场质量管理记录SN1.1工程名称施工许可证号建设单位项目负责人设计单位项目负责人监理单位施工单位主要工种姓名工种待证名称证号发证部门现场管理制度质量检验制度施工图审查情况施工组织设计及方案审批人现场使用主要设备仪器、仪表名称型号规格单位数量说明专业施工负责人:年月日专业监理工程师:年月日提示该表如栏目内不够填写时,可另行加页。建筑给排水及采暖分部工程质量验收记录SN1.2工程名称层数/建筑面积/施工单位开/竣工日期项目经理/证号专业技术负责人/证号项目专业技术负责人/证号/序号项目验收内容验收结论1子分部工程质量验收共分部,经查子分部;符合规范及设计要求子分部2质量管理资料核查共项,经审查符合要求项;经核定符合规范要求项3安全、卫生和主要使用功能抽查结果共抽查项,符合要求项;经返工处理符合要求项4观感质量验收共抽查项,符合要求项;不符合要求项5综合验收结论参加验收单位施工单位设计单位监理单位建设单位(公章)单位(项目)负责人年月日(公章)单位(项目)负责人年月日(公章)单位(项目)负责人年月日(公章)单位(项目)负责人年月日建筑给水排水及采暖子分部工程质量验收记录SN1.3(统表1)工程名称结构类型层数施工单位技术部门负责人质量部门负责人分包单位分包单位负责人分包技术负责人序号分项工程名称检验批数施工单位检查评定验收意见1234567891011质量控制资料应查项数项核查结果安全和功能检验(检测)报告应查项数项核查结果观感质量验收应查项数项好:项一般:项差:项验收意见分包单位项目经理:年月日施工单位项目经理:年月日设计单位项目负责人:年月日监理(建设)单位总监理工程师(建设单位项目专业负责人)年月日建筑给排水及采暖分项工程质量验收记录SN1.4(统表2)工程名称结构类型检验批数施工单位项目经理技术负责人分包单位分包单位负责人分包项目经理/证号序号检验批部位、区段施工单位评定结果监理(建设)单位验收结论12345678910111213检查结论项目专业技术负责人:年月日验收结论监理工程师:(建设单位项目专业技术负责人)年月日建筑给水排水及采暖工程质量控制资料核查记录SN1.5工程名称施工单位序号资料名称份数核查意见检查人1图纸合审、设计变更、洽商记录2材料、配件出厂合格证书及进场检(试)验报告3管道、设备强度试验、严密性试验记录4隐蔽工程验收记录5系统清洗、灌水、通水、通球试验记录6施工记录7分项分部工程质量验收记录核查意见:施工单位项目经理年月日验收结论:总监理工程师(建设单位项目负责人)年月日建筑给排水及采暖工程安全和功能检验资料核查及主要功能抽查记录SN1.6工程名称施工单位序号安全和功能检查项目份数核查意见抽查结果检查(抽查)人1给水管道通水试验记录及冲洗、消毒检测记录2暖气管道、散热器压力试验记录3卫生器具通水试验,具有溢流功能的器具满水试验记录4消防管道、燃气(油)管道压力试验记录5排水管道通球试验记录6承压管道系统和设备及阀门水压试验记录7雨水管道灌水试验8地漏及地面清扫口排水试验9消火栓系统试射试验10采暖系统冲洗及调试记录11安全阀及报警联动系统动作测试记录12锅炉48h负荷试运行检验抽查和核查意见:施工单位项目经理年月日验收结论:总监理工程师(建设单位项目负责人)年月日建筑给排水及采暖观感质量检查记录SN1.7工程名称施工单位序号项目抽查情况质量评价好一般差1管道接口、伸缩节2管道坡度3管道支架4卫生器具、支架、阀门5检查口、扫除口6地漏7散热器及支架观感质量综合评价施工单位项目经理:年月日总监理工程师:(建设单位项目负责人)年月日设备、材料进场验收记录SN2.1建设单位施工单位工程名称单位(分部)工程设备名称型号、规格系统编号装箱单号设备检查1.包装2.设备外观3.设备零部件4.其它技术文件检查1.装箱单份张2.合格证份张3.说明书份张4.设备图份张5.其它存在问题及处理意见检查人员:建设监理单位:年月日施工单位项目经理年月日建筑给排水及采暖工程材料、设备、器具合格证、质保书、进场检(试)验报告汇总表SN2.2工程名称施工单位序号材料设备名称规格型号单...

1、当您付费下载文档后,您只拥有了使用权限,并不意味着购买了版权,文档只能用于自身使用,不得用于其他商业用途(如 [转卖]进行直接盈利或[编辑后售卖]进行间接盈利)。
2、本站所有内容均由合作方或网友上传,本站不对文档的完整性、权威性及其观点立场正确性做任何保证或承诺!文档内容仅供研究参考,付费前请自行鉴别。
3、如文档内容存在违规,或者侵犯商业秘密、侵犯著作权等,请点击“违规举报”。

碎片内容

建筑工程施工质量验收资料(SN建筑给水排水及采暖工程部

您可能关注的文档

海纳百川+ 关注
实名认证
内容提供者

热爱教学事业,对互联网知识分享很感兴趣

确认删除?
VIP
微信客服
  • 扫码咨询
会员Q群
  • 会员专属群点击这里加入QQ群
客服邮箱
回到顶部