电脑桌面
添加小米粒文库到电脑桌面
安装后可以在桌面快捷访问

天津塘沽文化艺术中心工程外贴式橡胶止水带施工方案VIP免费

天津塘沽文化艺术中心工程外贴式橡胶止水带施工方案_第1页
1/9
天津塘沽文化艺术中心工程外贴式橡胶止水带施工方案_第2页
2/9
天津塘沽文化艺术中心工程外贴式橡胶止水带施工方案_第3页
3/9
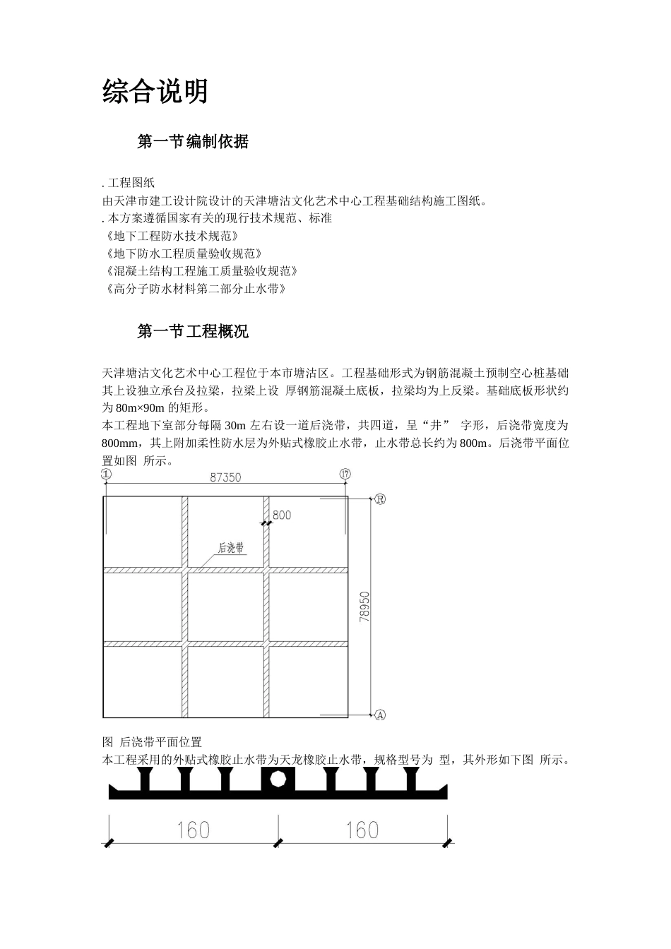
目录第一章综合说明.................................................................第节编制依据...............................................................第节工程概况...............................................................第节施工部署...............................................................第二章施工方法及要点...........................................................第节施工准备...............................................................第节底板止水带的安装方法...................................................第节地下室外墙止水带的安装方法.............................................第节底板后浇带的设置.......................................................第节橡胶止水带纵横交接处处理方法...........................................第节橡胶止水带的拼接方法...................................................第三章质量保证措施.............................................................第四章成品保护措施.............................................................综合说明第一节编制依据.工程图纸由天津市建工设计院设计的天津塘沽文化艺术中心工程基础结构施工图纸。.本方案遵循国家有关的现行技术规范、标准《地下工程防水技术规范》《地下防水工程质量验收规范》《混凝土结构工程施工质量验收规范》《高分子防水材料第二部分止水带》第一节工程概况天津塘沽文化艺术中心工程位于本市塘沽区。工程基础形式为钢筋混凝土预制空心桩基础其上设独立承台及拉梁,拉梁上设厚钢筋混凝土底板,拉梁均为上反梁。基础底板形状约为80m×90m的矩形。本工程地下室部分每隔30m左右设一道后浇带,共四道,呈“井”字形,后浇带宽度为800mm,其上附加柔性防水层为外贴式橡胶止水带,止水带总长约为800m。后浇带平面位置如图所示。图后浇带平面位置本工程采用的外贴式橡胶止水带为天龙橡胶止水带,规格型号为型,其外形如下图所示。图天龙橡胶止水带外形图第一节施工部署本工程混凝土垫层养护天后,即可进行橡胶止水带的施工。我公司拟安排施工人员人,天内完成全部止水带施工任务。根据本工程的具体情况,结合我专业防水公司的技术优势和一切为业主服务的宗旨,优选科学先进的施工方法和施工工艺,配备先进的施工机械和高精度的测量、检测仪器,配备技术娴熟的施工人员,制定科学合理的施工进度计划,力创一流工程质量,创一流施工管理,创一流施工速度,创一流分包管理,顺利完成本工程止水带施工任务。施工方法及要点第一节施工准备.安装前应对进场材料抽样,对材质进行检验。()规格尺寸:(详见表)材质规格尺寸表表()外观质量:(详见表)止水带外观产品标准表序号缺陷名称外观标准气泡产品每延米不允许有三处以上的气泡,且气泡直径不得大于1mm杂质产品每延米不允许有三处以上杂质,且每处面积不的大于4m接缝处缺陷不允许有裂口及海绵现象,凸出高度不得大于1mm窝气塌坑不允许有中心孔壁厚差±1mm注:缺陷超过表内规定者,允许修理次,再行检验若仍不合格,则为不合格品。止水带表面不允许有开裂、缺胶、海绵状等影响使用的缺陷,中心孔偏心不允许超过管状断面厚度的。止水带表面允许有深度不大于2mm、面积不大于16mm的凹痕、气泡、杂质、明疤等缺陷不超过处;但设计工作面仅允许有不大于1mm、面积不大于的缺陷不超过处。()物理性能:(详见表)止水带的物理性质()表项目指标①硬度(邵尔),度±±±拉伸强度()≥扯断伸长率()≥压缩永久变形70×℃()≤23×℃()≤撕裂强度②()≥脆性温度(℃)≤热空气老化③70×℃硬度变化(邵尔),度≤——拉伸强度()≥扯断伸长率()≥100×℃硬度变化(邵尔)度≥————拉伸强度()≥扯断伸长率()≥臭氧老化,,级级级采标说明:①德国标准不分类。②此项指标高于德国标准。③类产品试验温度高于德国标准。注:.止水带按其用途分为三类:适用于变形缝用的止水带用的表示;适用于施工缝用的止水带用表示;适用于有特...

1、当您付费下载文档后,您只拥有了使用权限,并不意味着购买了版权,文档只能用于自身使用,不得用于其他商业用途(如 [转卖]进行直接盈利或[编辑后售卖]进行间接盈利)。
2、本站所有内容均由合作方或网友上传,本站不对文档的完整性、权威性及其观点立场正确性做任何保证或承诺!文档内容仅供研究参考,付费前请自行鉴别。
3、如文档内容存在违规,或者侵犯商业秘密、侵犯著作权等,请点击“违规举报”。

碎片内容

天津塘沽文化艺术中心工程外贴式橡胶止水带施工方案

确认删除?
VIP
微信客服
  • 扫码咨询
会员Q群
  • 会员专属群点击这里加入QQ群
客服邮箱
回到顶部