电脑桌面
添加小米粒文库到电脑桌面
安装后可以在桌面快捷访问

某居住区模板工程施工技术交底VIP免费

某居住区模板工程施工技术交底_第1页
1/28
某居住区模板工程施工技术交底_第2页
2/28
某居住区模板工程施工技术交底_第3页
3/28
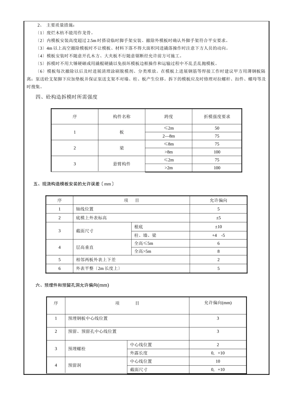
施工技术交底记录工程名称:长沙金源世纪城五合垸居住区W7区商业施工:湖南沙坪建筑编:工程技术负责人:程继辉工程专业施工员:尹力生工程专业质量检查员:刘溢新专业班组长:许富交底时间:2021年4月9日交底:工地交底内容1、交底分部〔子分部〕、分项工程名称:模板制作与安装技术交底2、交底执行名称及编:GB50204-20023、交底内容摘要:一、施工准备1、材料:〔1〕脱模剂:用水溶性脱模剂。〔2〕柱模采用18厚胶合模装备一层用量按图纸尺寸制作柱模板并编、散装、散拆、定位连续翻转。柱箍采用12#双槽钢间距600mm固定。〔3〕梁模采用18厚胶合板、装备三层模板连续翻转并适时补充。〔4〕支撑采用¢48×3.5钢满堂脚手架支撑系统装备三层定型支撑连续翻转。〔5〕梁底模板:当梁跨度大于4m时起拱高度为梁跨度的2/1000。主次梁交接时先主梁起拱后次梁起拱。〔6〕楼面模板:采用18厚的胶合模板散装散拆投入三层数量进展周转。〔7〕木方采用50×70木方。2、作业条件:〔1〕按工程构造图进展模板设计和配套确保刚度和稳定性。〔2〕墙身钢筋绑扎完毕电线、电线盒、预埋件、门窗洞口预埋完毕钢筋办完隐蔽工程验收。〔3〕为防止模板下口跑浆安装柱模、大模前抹好砂浆找平层但砂浆找平层不能吃入墙身内。〔4〕外墙内模构造:在安装模板前把组合柱外的墙上舌头灰清理干净全现浇构造挂好外墙模板操作的外架子。〔5〕安装模板前应把模板板面清理干净刷好脱模剂〔不允许在模板就位后刷脱模剂防止污染钢筋及混凝土接触面〕脱模剂应涂刷均匀不得漏刷。〔6〕所有柱子均做成定型清水模板钉子先用电钻开孔后再钉。〔7〕模板接缝用玻璃胶封口并贴30mm宽胶带模板锯开后侧向刷酚醛树胶漆一遍柱木方必须双面过刨做到尺寸统一。〔8〕模板加工时必须严格检查模板原材料尺寸误差控制在以下范围内对角线误差不大于2mm厚度误差不大于2mm板面翘曲度不大于1mm.。〔9〕对框架柱、剪力墙、梁侧模等竖向构造在混凝土浇筑24小时后其强度能保证构件不变形棱角完好时方可拆模。〔10〕柱、板混凝土保护层厚度用专用塑料垫块控制。所有柱模必须逐一编分类堆砌柱头模板配制时须仔细对照图纸控制好模板尺寸的方向性。二、操作工艺1、阶形根底模板:阶形根底模板每一台阶模板由四块侧板拼钉而成其中两块侧板的尺寸与相应的台阶侧面尺寸相等另两块侧板长度应比相应的台阶侧面尺寸长度大于150~200mm高度与其相等四块侧板用木档拼成方框。上台阶模板的其中两块侧板的一块拼板要加长以便搁置在下层台阶模板上下层台阶模板的四周要设斜撑及平撑。斜撑和平撑一端钉在侧板的木档上另一端钉在木桩上。上台阶模板的四周也要用斜撑和平撑。斜撑和平撑的一端钉在上台阶侧板的木档上另一端可钉在下台阶侧板的木档上。模板安装时先在侧板内侧划出中线在基坑底弹出根底中线把各台阶侧板拼成方框然后把下台阶模板放在基坑底两者中线互相对准并用程度尺校正其标高在模板周围钉上木桩。2、条形根底模板:条形根底模板一般由侧板、斜撑、平撑组成。侧板可用长条木板加钉竖向木档拼制也可用短条木板加横向木档拼成。斜湘质监统编施2002-11撑和平撑钉在木桩与木档之间。条形根底模板安装时先在基坑底弹出根底边线再把侧板对准边垂直竖立校正调平无误后用斜撑和平撑钉牢。如根底较长可先立根底两端的两块的侧板校正后再在侧板上口拉通线按照通线再立中间的侧板当侧板高度大于根底台阶高度时可在侧板内侧接台阶高度弹准线并每隔2m左右在准线上钉圆钉作为浇混凝土的标志每隔一定间隔在侧板上口钉上格头木防止模板变形。3、柱模板:按图示尺寸制作柱侧模板后按放线位置安装的第一道术箍〔距地150mm〕再安装柱模板。术箍应根据柱模尺寸、侧压力的大小等因素进展选择本工程选有钢箍。柱箍间距一般在500mm左右柱截面较大的那么设置柱在对拉螺丝根据柱径的大小选用Ф12对拉螺栓。4、模板安装:〔1〕在柱上弹出轴线、梁位置和程度线钉柱头模板。〔2〕梁底模板:按设计标高调整支柱的标高然后安装梁底模板〔梁底制成定型模板〕并拉线找平当梁底板跨度大于4m时跨中梁底按设计规模要求起拱起拱高度为梁跨度的1‰一3‰。主次梁接时先主梁后次梁。〔3〕梁干...

1、当您付费下载文档后,您只拥有了使用权限,并不意味着购买了版权,文档只能用于自身使用,不得用于其他商业用途(如 [转卖]进行直接盈利或[编辑后售卖]进行间接盈利)。
2、本站所有内容均由合作方或网友上传,本站不对文档的完整性、权威性及其观点立场正确性做任何保证或承诺!文档内容仅供研究参考,付费前请自行鉴别。
3、如文档内容存在违规,或者侵犯商业秘密、侵犯著作权等,请点击“违规举报”。

碎片内容

某居住区模板工程施工技术交底

确认删除?
VIP
微信客服
  • 扫码咨询
会员Q群
  • 会员专属群点击这里加入QQ群
客服邮箱
回到顶部