电脑桌面
添加小米粒文库到电脑桌面
安装后可以在桌面快捷访问

数电课程设计——简易交通灯控制逻辑电路VIP免费

数电课程设计——简易交通灯控制逻辑电路_第1页
1/38
数电课程设计——简易交通灯控制逻辑电路_第2页
2/38
数电课程设计——简易交通灯控制逻辑电路_第3页
3/38
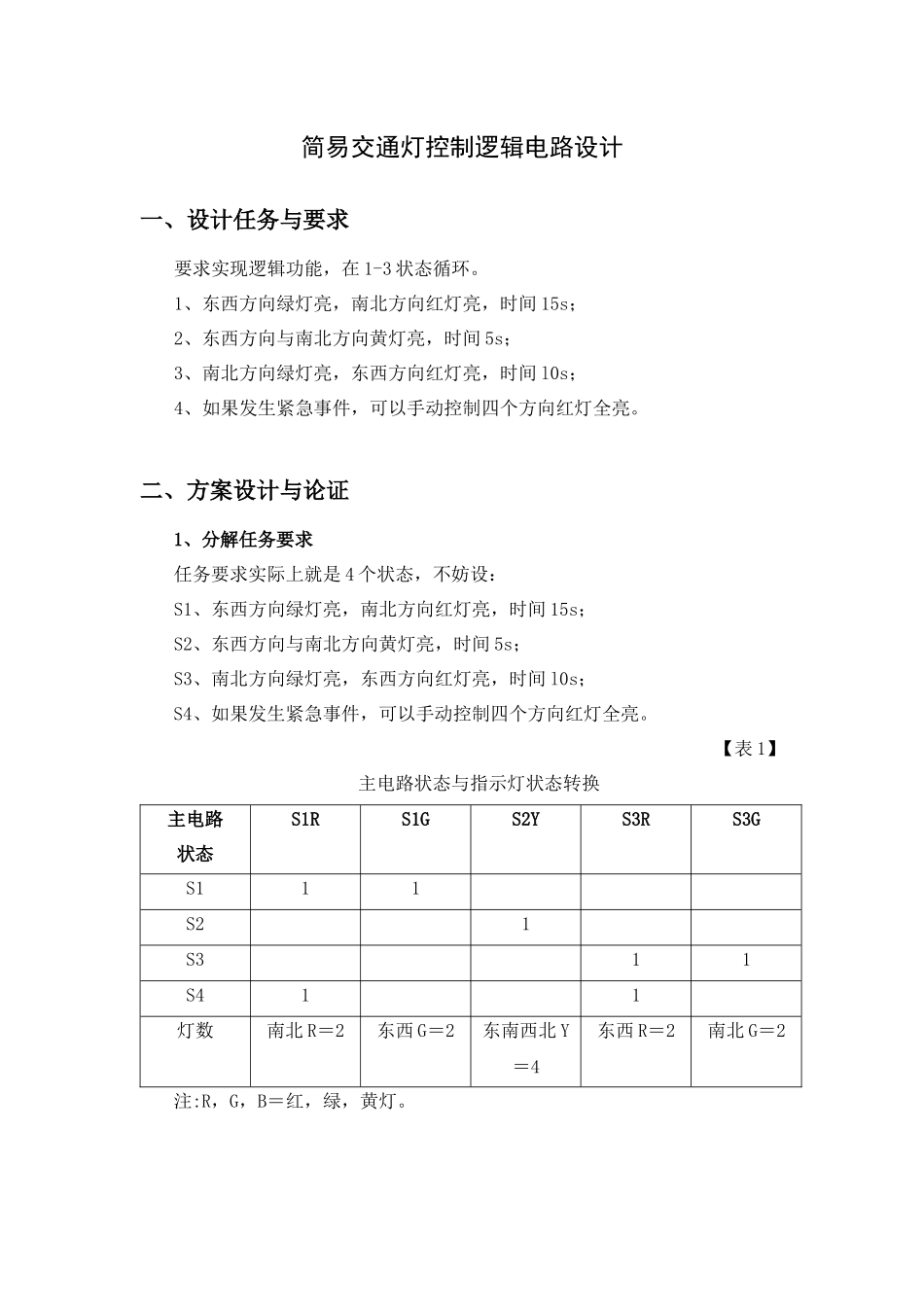
课程设计说明书课程名称:数字电子技术课程设计题目:简易交通灯控制逻辑电路学生姓名:陈卓斌专业:____________班级:____________学号:____________指导教师:____________日期:2011年01月09日课程设计任务书一、设计题目简易交通灯控制逻辑电路设计二、主要内容及要求要求实现逻辑功能:1、东西方向绿灯亮,南北方向红灯亮,时间15s。2、东西方向与南北方向黄灯亮,时间5s。3、南北方向绿灯亮,东西方向红灯亮,时间l0s。4、如果发生紧急事件,可以手动控制四个方向红灯全亮。三、进度安排1、2011.01.01-2011.01.07复习归纳触发器、计数器的逻辑功能2、2011.01.08查找常用器件的资料,包括:型号中文名称英文名称7473双j-k触发器(带清除端)DualJKFF(Clr)7474正沿触发双d型触发器(带预置端和清除端)DualD-typeFF(pre,clr)741383-8线译码器/多路转换器3-To-8-LineDemultiplexer74153双4选1数据选择器/多路选择器Dual4-to-1DataSel/MUX74192同步可逆计数器(bcd,二进制)SynchronousUp/DownCounter3、2011.01.09使用EWB5.12辅助设计电路,并进行调试。完成任务设计书。四、总评成绩简易交通灯控制逻辑电路设计一、设计任务与要求要求实现逻辑功能,在1-3状态循环。1、东西方向绿灯亮,南北方向红灯亮,时间15s;2、东西方向与南北方向黄灯亮,时间5s;3、南北方向绿灯亮,东西方向红灯亮,时间l0s;4、如果发生紧急事件,可以手动控制四个方向红灯全亮。二、方案设计与论证1、分解任务要求任务要求实际上就是4个状态,不妨设:S1、东西方向绿灯亮,南北方向红灯亮,时间15s;S2、东西方向与南北方向黄灯亮,时间5s;S3、南北方向绿灯亮,东西方向红灯亮,时间l0s;S4、如果发生紧急事件,可以手动控制四个方向红灯全亮。【表1】主电路状态与指示灯状态转换主电路状态S1RS1GS2YS3RS3GS111S21S311S411灯数南北R=2东西G=2东南西北Y=4东西R=2南北G=2注:R,G,B=红,绿,黄灯。根据【表1】可知,设计电路只需要5组输出端控制指示灯,指示灯都是以2个或4个一组。总计需要4×3=12个灯。2、输出指示灯状态设计(显示电路)【图1】显示电路设计▲3、主电路设计①、主电路实现S1→S2→S3状态的转换,↑↓②、另外可以在任何一个状态进入S4,并能恢复正常工作状态。实现①、②可以用触发器,也可以用锁存器或使能电路。③、实现S1=15S,S2=5S,S3=10S方案一①、S1-S3使用2个SR锁存器,设置00,01,10三个状态。②、S4使用触发器,当出现紧急情况,触发器由“0”进入S4状态“1”后,在解除紧急时,恢复“0”,进入S1状态。③、使用4个JK触发器,实现16位计数。方案二①、S1-S3使用2个7473替代的T触发器。【图2】1个7473替代的T触发器▲JK触发器包含SR触发器和T触发器的功能,J=K=T,则得到T触发器。②、S4使用或门、非门实现,从【表1】可知:S1R=S1+S4S1G=S1⋅S4(不能出现红绿同时亮的情况)S2Y=S2⋅S4(不能出现红黄同时亮的情况)S3R=S3+S4S3G=S3⋅S4(不能出现红绿同时亮的情况)③、使用74192同步可逆10进制计数器(8421码)2个方案对比【表2】方案项目实现方法优点缺点一①S1-S32个锁存器简单电平触发,与时钟信号不匹配②S4触发器解除紧急(S4)后指定回到S1③T4个JK触发器复杂二①S1-S32个T触发器下降脉冲触发,与时钟信号匹配②S4或门、非门解除紧急(S4)后回到S1/S2/S3任一状态,不固定③T2个74192计数器容易处理,可显示数值综合考虑,为使电路简化、运行稳定,选用方案二。三、单元电路设计与参数计算【图3】总体模块设计▲1、时钟控制系统:使用上升时序,个位、十位两片74192。进位关联使用个位TCU=十位UP实现(TerminalCountUp(Carry)Line)。数据状态通过判断条件进入选择器74153。判断条件成立后执行清零。2、时序Sx控制:使用7473改装的TFF2个,实现S1→S2→S3状态的转换。↑↓3、判断时钟、Sx:判断74192和7473的状态,满足条件输出74192的清零使能和7473的CLK信号。4、翻译Sx-LED,翻译S1、S2、S3对应LED的5个状态:S1R,S1G,S2Y,S3R,S3G5、输出调整电路,令紧急电平开关控制LED的状态。四、总电路工作原理及元器件清单1.总原理图【图4】2.电路完整工作过程描述(...

1、当您付费下载文档后,您只拥有了使用权限,并不意味着购买了版权,文档只能用于自身使用,不得用于其他商业用途(如 [转卖]进行直接盈利或[编辑后售卖]进行间接盈利)。
2、本站所有内容均由合作方或网友上传,本站不对文档的完整性、权威性及其观点立场正确性做任何保证或承诺!文档内容仅供研究参考,付费前请自行鉴别。
3、如文档内容存在违规,或者侵犯商业秘密、侵犯著作权等,请点击“违规举报”。

碎片内容

数电课程设计——简易交通灯控制逻辑电路

您可能关注的文档

确认删除?
VIP
微信客服
  • 扫码咨询
会员Q群
  • 会员专属群点击这里加入QQ群
客服邮箱
回到顶部