电脑桌面
添加小米粒文库到电脑桌面
安装后可以在桌面快捷访问

成都某公司扩建工程电气安装工程施工组织设计(55页)VIP免费

成都某公司扩建工程电气安装工程施工组织设计(55页)_第1页
1/29
成都某公司扩建工程电气安装工程施工组织设计(55页)_第2页
2/29
成都某公司扩建工程电气安装工程施工组织设计(55页)_第3页
3/29
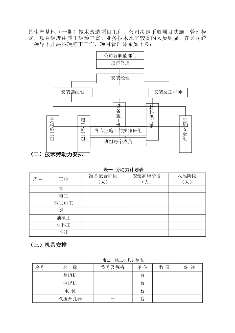
目录第一章一、工程概况及特点工程名称:******有限公司扩大生产规模、开发新产品、建立先进高效的专业模具生产基地(一期)技术改造项目建设单位:******有限公司设计单位:建设地点:成都市****开发区结构类型:框架结构、钢结构建筑面积:要求工程质量标准:按国家现行标准(合格)要求工期:日历天数为天公司扩大生产规模、开发新产品、建立先进高效的专业模具生产基地(一期)技术改造项目工程,其安装共有如下的分部工程:.管道工程:室内生活给排水管道、消防给水管道、气体动力管道、雨水排水管道。.电气工程:动力、照明系统、防雷接地;火灾自动报警、电话、综合布线等弱电工程。.通风空调工程:排风系统。本工程在设计上功能齐全,设计布局合理,并且在系统设计中采用了较先进的技术及材料。为了顺利完成本工程,要求各专业工种间紧密配合,交叉施工,本着工程的特点和具体条件,科学地确定施工程序、工艺流程,合理使用各种资源,把各单位、各部门、各阶段的关系有机协调起来,使施工管理建立在科学合理的基础上,优良、低耗、高速、安全地完成******有限公司扩大生产规模、开发新产品、建立先进高效的专业模具生产基地(一期)技术改造项目工程。二、主要经济技术指标(一)工期天;(二)降低成本指标;(三)施工机械完好率,施工机械利用率为。(四)文明工地,符合文明工地十二条标准要求;三、施工组织管理机构与部署(一)施工组织保证体系******有限公司扩大生产规模、开发新产品、建立先进高效的专业模具生产基地(一期)技术改造项目工程,公司决定采取项目法施工管理模式,项目经理由施工经验丰富、业务技术水平较高的人员组成,在公司统一领导下开展各项施工工作,项目管理体系如下图:图一项目管理体系(二)技术劳动力安排表一劳动力计划表序号工种准备配合阶段(人)安装高峰阶段(人)收尾阶段(人)管工电工调试电工焊工油漆工材料工小计(三)机具安排表二施工机具计划表序号名称型号及规格单位数量备注热熔机台电焊机台电锤台液压开孔器~台公司各职能部门项目经理安装经理安装副经理安装总工程师管道施工组电气施工组设备施工组材料供应组质量安全组各专业施工的操作班组班组每个成员抱式机械压线钳台地阻仪台绝缘电阻表台万用表、台冲击电钻台冲击电钻台切割机φ台手摇试压泵台液压煨弯器φφ台交流焊机台冲击电锤把手枪电钻把人字梯档台钳型电流表只水平仪只套丝机台四、施工配合施工配合是施工的重要环节,这项工作应纳入项目部日常性管理工作之中,从施工准备阶段开始就予以高度重视,避免在施工过程中出现配合脱节的现象。施工配合的内容包括以下几个环节:(一)与建设、监理单位配合.与建设单位、监理单位保持密切配合,在他们的指导下开展工作。.参加建设单位组织的施工进度计划协调会和其他有关的业务会议,与监理单位保持密切联系,认真听取他们的意见,改进项目部工作。.自行采购材料应在施工前及时与甲方有关人员联系,搞好产品质量、价格考察,在甲方、监理确认后进行订货采购。.在重点部位及隐蔽工程施工时应及时报请建设单位和监理单位共同进行检查验收。.要认真慎重地处理好施工中技术变更,特别是重大技术变更要与建设单位和监理单位充分协商,尊重他们的意见,并在他们确认后方可实施。.按照建设单位和监理单位的要求,主动向他们提供必要的施工资料和信息,使他们了解项目部的工作情况。(二)与土建配合.工期配合根据土建工程工期为天及各阶段进度计划进行安装工期的布置、调整,进行安装人员、机具、材料的准备及组织,时刻注意土建的旬、月、季度计划,倒排工期,做好流水作业,保证工期进度及总工期,按时完成工程任务。.现场管理的配合遵循总包单位现场管理的各项规章制度,协调各兄弟单位在施工过程中发生的矛盾。现场工人宿舍、办公室、材料库房统一由土建进行安排,现场的各种临时用水用电由土建统一进行布置,严禁私拉乱接。.现场动力使用及脚手架作用配合现场作业动力、由现场安装各工长向土建项目经理提出,由土建项目经理协调解决,避免工程中出现无组织地作业,工程不能有序进行,劳动力不能得到合理使用。...

1、当您付费下载文档后,您只拥有了使用权限,并不意味着购买了版权,文档只能用于自身使用,不得用于其他商业用途(如 [转卖]进行直接盈利或[编辑后售卖]进行间接盈利)。
2、本站所有内容均由合作方或网友上传,本站不对文档的完整性、权威性及其观点立场正确性做任何保证或承诺!文档内容仅供研究参考,付费前请自行鉴别。
3、如文档内容存在违规,或者侵犯商业秘密、侵犯著作权等,请点击“违规举报”。

碎片内容

成都某公司扩建工程电气安装工程施工组织设计(55页)

确认删除?
VIP
微信客服
  • 扫码咨询
会员Q群
  • 会员专属群点击这里加入QQ群
客服邮箱
回到顶部