电脑桌面
添加小米粒文库到电脑桌面
安装后可以在桌面快捷访问

室内水泥浆抹灰工程安全技术交底VIP免费

室内水泥浆抹灰工程安全技术交底_第1页
1/2
室内水泥浆抹灰工程安全技术交底_第2页
2/2
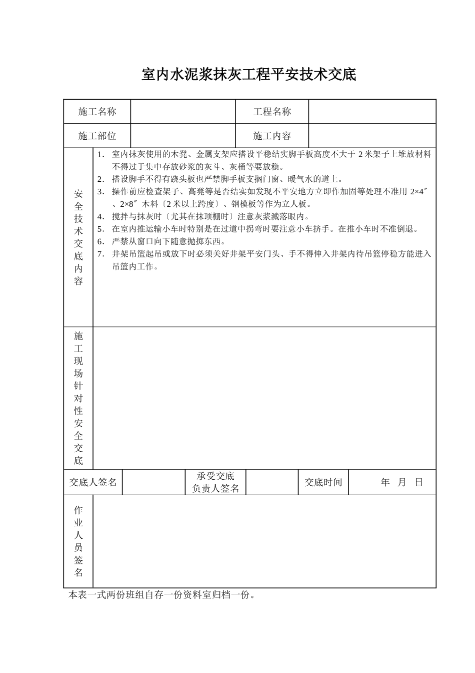
室内水泥浆抹灰工程平安技术交底施工名称工程名称施工部位施工内容安全技术交底内容1.室内抹灰使用的木凳、金属支架应搭设平稳结实脚手板高度不大于2米架子上堆放材料不得过于集中存放砂浆的灰斗、灰桶等要放稳。2.搭设脚手不得有跷头板也严禁脚手板支搁门窗、暖气水的道上。3.操作前应检查架子、高凳等是否结实如发现不平安地方立即作加固等处理不准用2×4〞、2×8〞木料〔2米以上跨度〕、钢模板等作为立人板。4.搅拌与抹灰时〔尤其在抹顶棚时〕注意灰浆溅落眼内。5.在室内推运输小车时特别是在过道中拐弯时要注意小车挤手。在推小车时不准倒退。6.严禁从窗口向下随意抛掷东西。7.井架吊篮起吊或放下时必须关好井架平安门头、手不得伸入井架内待吊篮停稳方能进入吊篮内工作。施工现场针对性安全交底交底人签名承受交底负责人签名交底时间年月日作业人员签名本表一式两份班组自存一份资料室归档一份。

1、当您付费下载文档后,您只拥有了使用权限,并不意味着购买了版权,文档只能用于自身使用,不得用于其他商业用途(如 [转卖]进行直接盈利或[编辑后售卖]进行间接盈利)。
2、本站所有内容均由合作方或网友上传,本站不对文档的完整性、权威性及其观点立场正确性做任何保证或承诺!文档内容仅供研究参考,付费前请自行鉴别。
3、如文档内容存在违规,或者侵犯商业秘密、侵犯著作权等,请点击“违规举报”。

碎片内容

室内水泥浆抹灰工程安全技术交底

海纳百川+ 关注
实名认证
内容提供者

热爱教学事业,对互联网知识分享很感兴趣

确认删除?
VIP
微信客服
  • 扫码咨询
会员Q群
  • 会员专属群点击这里加入QQ群
客服邮箱
回到顶部