电脑桌面
添加小米粒文库到电脑桌面
安装后可以在桌面快捷访问

大沥镇谢边涌景观工程监理月报VIP免费

大沥镇谢边涌景观工程监理月报_第1页
1/15
大沥镇谢边涌景观工程监理月报_第2页
2/15
大沥镇谢边涌景观工程监理月报_第3页
3/15
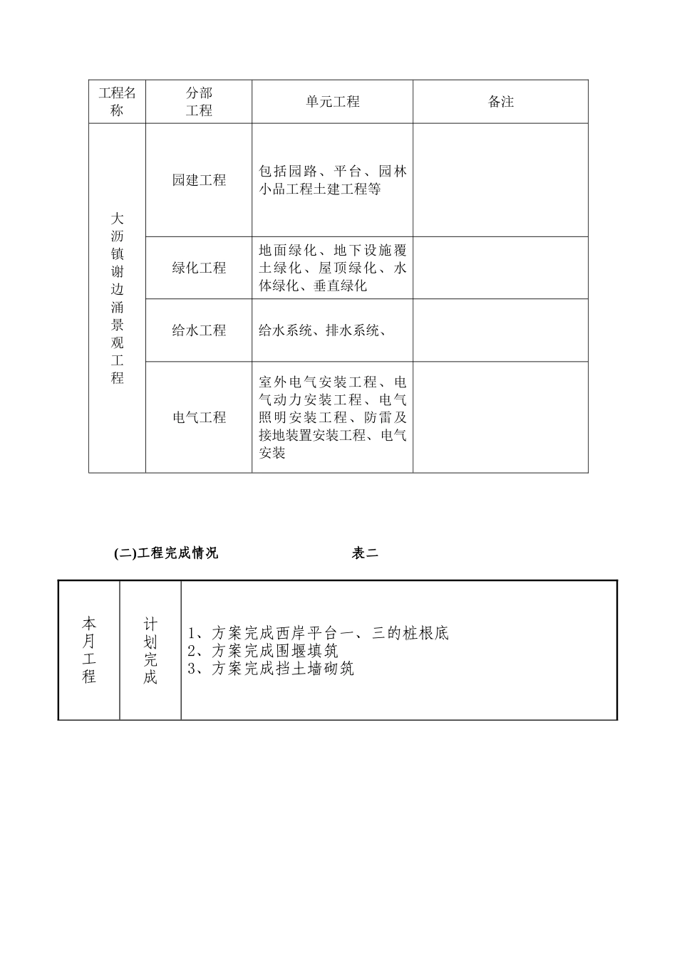
目录内容提要:一、工程概况二工程完成情况1、本月工程形象进度完成情况及质量控制情况2、本月工程签证情况3、本月工程合同执行情况4、本月完成主要工程量一览表5、工程监理组织机构6、本月监理工作小结和方案附件:1、投入的监理设备和现场监理人员台帐2、承包人主要机械设备台帐3、承包人现场主要人员台帐4、施工现场劳动力投入情况5、材料质量情况台帐6、晴雨表7、工程大事记8、工程施工照片〔一〕、工程概况:工程工程名称:大沥镇谢边涌景观工程;主要分为绿化工程、园建工程、绿化给水工程、电气工程等工程根本情况见下表1。表1工程根本情况表工程名称大沥镇谢边涌景观工程工程地点谢边涌桩0+985至3十060全长750m建立山南海区大沥镇水利工程建立指挥部勘察山政设计研究院设计山政设计研究院总承包湖南水利水电工程总监理广东河海工程咨询开工日2010-11-1开工日2011-5-1工天数180天质量目的合格合同价款992.65万元承包方式施工总承包工程工程一览表工程名称分部工程单元工程备注大沥镇谢边涌景观工程园建工程包括园路、平台、园林小品工程土建工程等绿化工程地面绿化、地下设施覆土绿化、屋顶绿化、水体绿化、垂直绿化给水工程给水系统、排水系统、电气工程室外电气安装工程、电气动力安装工程、电气照明安装工程、防雷及接地装置安装工程、电气安装(二)工程完成情况表二本月工程计划完成1、方案完成西岸平台一、三的桩根底2、方案完成围堰填筑3、方案完成挡土墙砌筑形象进度完成情况及质量控制情况实际完成1、完成西岸平台三的桩根底2、完成围堰填筑50原因分析1、由于亚运间交通制原材料供给不及时影响工程进度但是通过12月份的赶工不会影响总工。质量控制情况1、事前控制:进场钢筋按照要求进展了复检质量合格商品混凝土试块按照要求制作开工前承包人编制了施工方案经监理审核后施行钻孔桩施工前进展了试桩。2、隐蔽工程已按照要求进展了验收钻孔桩施工时监理进展了旁站桩深、桩径均满足图纸设计要求本月工程签证情况纪要例会专题(1份〕内容简要-〔2021〕01工地第一次例会及图纸会审工程质量签证〔8份〕内容简要混凝土开仓证8份向施工单位发出的指〔1份〕内容简要1、开工施工设计业主提出的各种〔2份〕内容简要1、施工建议砂包围堰改为钢板桩。2、地质资料和实际地质不符建议端承桩改为摩擦桩。3、亲程度台原设计面高程-1.5米由于现有河涌底高程0米高程因此建议亲程度台面高程改为0米高程本月工程合同执行情况工程付款签证(0份〕内容简要本月承包人没有申请进度款支付资金到位使用情况内容简要本工程开工以来没有申请支付合同变更情况内容简要无索赔违约情况内容简要本月末发生索赔违约情况本月完成主要工程量一览表序项目名称单位计划完成实际完成累计完成累计完成百分比〔〕备注一建筑工程1钻孔桩根52444435.337注:主要工程量为主要工程的工程量。单元评定统计表序分部工程名称单元工程名称软基岸坡开挖桩根底评定砼工程评定回填土评定浆砌石评定垫层评定合计合格其中优良合格其中优良合格其中优良合格其中优良合格其中优良合格其中优良合格其中优良优良率1▲园建工程210612650.0▲绿化工程给水工程电气工程标有▲的为主要分部工程。监理工作总结和方案本月监理工作小结:本月监理部工作为严格按照监理的“三控制、两理、一协调进展工作〞现将2021年11月份监理工作小结如下:1、监理部编制监理工作方案指导监理工作。2、催促承包人完成了设计修改后的钻孔灌注桩施工。3、严格执行旁站监理工作制度现场旁站砼浇筑确保工程质量;施工过程中及时组织对钢筋砼工程进展工程量签证和工程质量评定工作。4、下月工程材料主要为砼工程施工为确保进场材料质量关要求施工对进场原材料进展报验监理人员审阅书面证明材料及时现场抽样送检。5、召开监理例会及时解决施工过程中出现的问题协调各方关系。与工程进度同步做好工程资料的编制和整理工作。6、催促承包人加强平安文明消费。下月监理工作方案:1、监理部编制监理工作方案指导监理工作。2、催促施工承包人加快挡土墙等工程的施工。3、催促承包人尽快完成钻孔桩工程施工任务确保春节前完成水下工程。4、严格执行旁站监理工作制度...

1、当您付费下载文档后,您只拥有了使用权限,并不意味着购买了版权,文档只能用于自身使用,不得用于其他商业用途(如 [转卖]进行直接盈利或[编辑后售卖]进行间接盈利)。
2、本站所有内容均由合作方或网友上传,本站不对文档的完整性、权威性及其观点立场正确性做任何保证或承诺!文档内容仅供研究参考,付费前请自行鉴别。
3、如文档内容存在违规,或者侵犯商业秘密、侵犯著作权等,请点击“违规举报”。

碎片内容

大沥镇谢边涌景观工程监理月报

海纳百川+ 关注
实名认证
内容提供者

热爱教学事业,对互联网知识分享很感兴趣

确认删除?
VIP
微信客服
  • 扫码咨询
会员Q群
  • 会员专属群点击这里加入QQ群
客服邮箱
回到顶部