电脑桌面
添加小米粒文库到电脑桌面
安装后可以在桌面快捷访问

国际焊接工程师考试材料最后复习提纲VIP免费

国际焊接工程师考试材料最后复习提纲_第1页
1/12
国际焊接工程师考试材料最后复习提纲_第2页
2/12
国际焊接工程师考试材料最后复习提纲_第3页
3/12
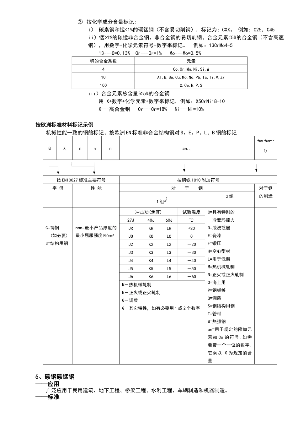
1、材料基础知识——金属结构、铁碳合金、铁碳相图金属材料中常见的晶格形式纯铁的结晶过程置换固溶体、间隙固溶体、金属化合物共晶相图、包晶相图铁碳合金相图中各特征点的意义铁素体、奥氏体、珠光体、贝氏体、马氏体、莱氏体、渗碳体,魏氏组织共析钢、亚共析钢、过共析钢、共晶白口铁、亚共晶白口铁、过共晶白口铁钢的冷却转变,TTT曲线,CCT曲线——焊接冶金焊接接头构成和各区的特点焊接裂纹的种类和形成机理焊接接头断裂形式和裂纹试验——热处理热处理种类、作用正火、淬火、回火、调质、消除应力退火、时效强化、固溶处理——金属材料性能,试验方法(破坏性检验),材料特征值强度、塑性、韧性、硬度、导热性、热膨胀性、耐腐蚀性2、钢的工业生产——高炉炼铁过程还原过程,焦碳既作为燃料又作为还原剂,成品为生铁。——炼钢过程基本氧化过程,由生铁炼成钢要求去除不期望存在的铁的伴生杂质,如碳、硅、锰、磷和硫。精炼方法:酸性转炉炼钢法、平炉炼钢法、电炉炼钢法——钢的浇注浇注的钢水中仍含有大量氧的成份。应进行脱氧,这一过程为还原。沸腾钢镇静钢(在钢水中添加约0.15%的硅和少量的锰和铝)特别镇静钢(在钢水中添加约0.2%的硅,约0.02%的铝和少量的锰)——合金元素对钢性能的影响性能CSiMnPSCrNiMoCuAl抗拉强度++++(-)+++++硬度+++++++++屈服极限+++++++++延伸率-<2%(-)(-)--(-)-(-)-冲击韧性--+--(-)+-(-)冷变形性--(-)--(+)-(-)深冲性---(-)-(-)-(+)-(-)锻造--+-(-)(-)-(-)压力焊能力--(+)---(+)(-)-熔化焊能力--+----+(-)热脆性--++++淬硬性++++++(+)+热强性+至400++-+(+)同C+临界冷却速度-----(-)耐腐蚀性+(+)-++(+)同C(+)+抗高温氧化性+++(+)+冷作硬化性++++(+)疲劳性能(+)间接(+)同C(+)同C(+)同C(+)同C3、钢的分类,EN10020标准,——按合金元素的含量分类碳钢(非合金钢)低合金钢∑合金元素含量<5%例如13CrMo4-5高合金钢∑合金元素含量≥5%例如X6CrNi16-13——按使用要求分类普通钢优质钢特殊优质钢4、钢的标记体系,EN10027EN10027-2材料的数字标记×××××××①②③④⑤①-材料分组:0=纯铁1=钢2=重金属如Cu、Ni3=轻金属如Al②-分类组别见表2③-不同品种的数字编号④⑤-钢种的数量有要求时的标记数字例:1.0116按EN10025-2对S235J2钢的数字编号01=一般结构钢Rm<500N/mm2材料类别号:1=钢材分类号按EN10027-1和ECISSIC10标准:材料符号标记主要符号(EN10027-1)(钢种)附加符号(ECISSIC10)对于钢对于钢的制造*主要符号标记:①G-铸钢如GS-35,GG-灰口铸铁②根据钢的使用及其机械性能和物理性能的主要符号:S-普通结构用钢P-压力容器用钢L-管道用钢E-机器制造用钢B-钢筋用钢Y-应力钢R-钢轨用钢H-高强度拉伸性能的冷轨钢板例如:EN10025-2S235J2③按化学成分含量标记:i)碳素钢和锰<1%的碳锰钢(不含易切削钢),标记为:CXX。例如:C25,C45ii)锰>1%的碳锰非合金钢、非合金钢的易切削钢、合金元素<5%的合金钢(不含高速钢),用数字+化学元素符号+数字来标记。例如:13CrMo4-513---C=0.13%Cr---Cr=1%Mo---Mo=0.5%钢的合金系数元素4Co,Cr,Mn,Ni,Si,W10Al,B,Be,Cu,Mo,No,Pb,Ta,Ti,V,Zr100C,Ce,N,P,Siii)合金元素总含量≥5%的合金钢用X+数字+化学元素+数字来标记,例如:X5CrNi18-10X---高合金钢Cr---Cr=18%Ni---Ni=10%按欧洲标准材料标记示例机械性能一致的钢的标记、按欧洲EN标准非合金结构钢对S、E、P、L、B钢的标记GXnnnan..+an+an…1)按EN10027标准主要符号按钢铁IC10附加符号字母性能对于钢对于钢的制造1组³)2组G=铸钢(如必要)S=结构用钢nnn=最小产品厚度的最小屈服强度N/mm²冲击功(焦耳)试验温度C=具有特别的冷变形能力D=液浸镀层E=瓷漆F=锻压H=空心型材L=用于低温M=热机械轧制N=正火或正火轧制O=海上用P=钢板桩Q=调质S=钢结构用钢T=管材W=热强钢an=用于规定的附加元素如Cu的符号,如需要带一个一位的数字,它乘以10为规定的含量27J40J60J℃JRKRLR+20JOKOLO0J2K2L2-20J3K3L3-30J4K4L4-40J5K5L5-50J6K6L6-60M-热机械轧制N-正火或正火轧制Q-...

1、当您付费下载文档后,您只拥有了使用权限,并不意味着购买了版权,文档只能用于自身使用,不得用于其他商业用途(如 [转卖]进行直接盈利或[编辑后售卖]进行间接盈利)。
2、本站所有内容均由合作方或网友上传,本站不对文档的完整性、权威性及其观点立场正确性做任何保证或承诺!文档内容仅供研究参考,付费前请自行鉴别。
3、如文档内容存在违规,或者侵犯商业秘密、侵犯著作权等,请点击“违规举报”。

碎片内容

国际焊接工程师考试材料最后复习提纲

确认删除?
VIP
微信客服
  • 扫码咨询
会员Q群
  • 会员专属群点击这里加入QQ群
客服邮箱
回到顶部