电脑桌面
添加小米粒文库到电脑桌面
安装后可以在桌面快捷访问

枫林绿洲住宅楼工程监理实施细则VIP免费

枫林绿洲住宅楼工程监理实施细则_第1页
1/22
枫林绿洲住宅楼工程监理实施细则_第2页
2/22
枫林绿洲住宅楼工程监理实施细则_第3页
3/22
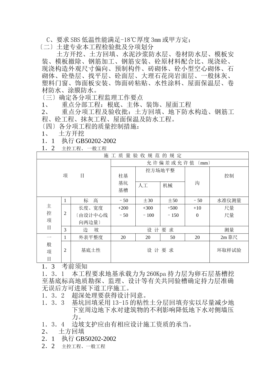
枫林绿洲监理实施细那么一、土建工程概况1、工程名称:水岸绿洲11#楼2、工程内容和范围根底、主体、装饰、楼地面、水电安装、屋面工程的监理工作。3、工程目的:4457556.78万4、工程工目的:442天5、工程质量目的:合格6、专业工程所涉及的主要专业技术和适应的质量验收。6.1?混凝土构造工程施工质量验收?GB50204-20026.2?建筑地面工程施工质量验收?GB50209-20026.3?屋面工程质量验收?GB50207-20026.4?建筑地基工程施工质量验收?GB50202-20026.5?地下防水工程质量验收?GB50208-20026.6?砌体工程施工质量验收?GB50203-20026.7?建筑装饰工程质量验收?GB50210-20016.8?建筑工程施工质量验收统一?GB50300-2001二、细那么编制根据1、已批准的监理规划2、设计、相关专业的技术和技术资料3、已批准的施工组织设计三、土建工程施工前需具备的条件及施工资质审查1、施工前应具备的条件1.1施工答应证、平安报监、质检委托、试验委托、规划验线等相关手序及批文具备。1.2施工人员、机械条件具备特种工上岗证具备。1.3场地三通一平完成1.4施工组织设计批准2、施工资质审查情况2.1营业执照:有2.2企业资质等级为:施工总承包二级符合本工程的资质要求条件2.3劳务分包:本总包企业有相应的劳务作业资历质。四、质量控制〔一〕施工前的准备及审查1.专业施工需具备的法定条件:是否获得施工答应证;2.是否经过平安报检;是否监视手续;是否委托了试验室资质条件审核;施工的技术装备条件;本工程建筑等级施工是否有相应的资质条件;理人员、特殊工种是否持证上岗;分包队伍资质是否到达要求;核查施工的质量保证体系及成员。3.施工机械审查:是否符合设计及施工要求;施工机械性能等查验。4.施工组织设计施工工程组织是否完善;施工方案是否适用;能否保证工程质量;审查执行强迫性和治理通病的措施;平安文明施工措施是否到位;进度方案是否满足合同要求;工是否合理;工料分析是否正确;现场布置是否合理。5.环境场地情况能否满足施工要求;临时设施是否满足平安文明的要求;“三通一平〞、原始标高、坐标情况、放线复核情况。6.材料准备情况:材料堆放情况检查如水泥棚、钢筋棚等。材料化验情况检查。材料报验情况:(1)钢筋:现行?钢筋混凝土用热扎带肋钢筋?GB1499等的规定。A、直径偏向不大于0.45㎜不同圆不大于0.45㎜;B、外表不得有裂纹折叠结疤、耳子分层及夹杂等;C、每批不得大于60T取样拉伸2根冷弯2根〔冷扎带肋为50T冷扎扭10T冷拉钢筋20T为一批〕;D、备案证、合格证、材料单、复验齐全。(2)水泥:采用GB175-99A、备案证、合格证、材料单、复验委托单齐全。B、出厂日不超过3个月。C、堆放有雨棚。D、取样每400T为一批缺乏一批按一批取24公斤取自20代混合取一半送检。(3)砂、石采用JGJ52-92、JGJ63-A、砂石有合格证、复验;B、要求中砂含泥量≤1低于C30时≤2;C、石子原状、形状含泥量符合要求;D、取样400立方米为一批取80公斤。(4)砖:采用GB/T5101-19987A、检查合格证、复验;B、外观检查缺边角破碎情况尺寸是否有无泛霜;C、取样数量:15万一批缺乏一批按一批随机取样15块送12块;D、堆放情况:堆放整齐插牌子标明产地、标。(5)空心砌块:采用GB133545-92A、检查合格、复验;B、是否符合设计要求的度等级小于1000kg/立方米;C、外观无冻融、泛霜、石灰爆裂、尺寸完好性等检查合格;D、取样数量:3万块为一批每批15块随机取样;E、堆放整齐插牌标明度等级。(6)商品砼:采用GB14902-94A、商品砼资料齐全。B、有质量证明书。C、坍落度符合要求0~30m时100~140允许30。D、不得有现场加水只准厂家技术人员加减水泵送剂。(7)防水卷材:草用JC/T560-94A、备案证、合格证、复验齐全;B、1000卷为一验收批去年4卷;C、要求SBS低温性能满足-18℃厚度3mm或甲方定;〔二〕土建专业本工程检验批及分项划分土方开挖、土方回填、水泥沙浆防水层、卷材防水层、模板安装、模板撤除、钢筋加工、钢筋安装、砼原材料配合比、现浇砼、现浇构造外观尺寸偏向、预制构件、砖砌体、砼小型空心砌体、石砌体、砼垫层、找平层、砼面层、大理石花岗岩面层、一般抹灰、塑料门窗、饰面板...

1、当您付费下载文档后,您只拥有了使用权限,并不意味着购买了版权,文档只能用于自身使用,不得用于其他商业用途(如 [转卖]进行直接盈利或[编辑后售卖]进行间接盈利)。
2、本站所有内容均由合作方或网友上传,本站不对文档的完整性、权威性及其观点立场正确性做任何保证或承诺!文档内容仅供研究参考,付费前请自行鉴别。
3、如文档内容存在违规,或者侵犯商业秘密、侵犯著作权等,请点击“违规举报”。

碎片内容

枫林绿洲住宅楼工程监理实施细则

确认删除?
VIP
微信客服
  • 扫码咨询
会员Q群
  • 会员专属群点击这里加入QQ群
客服邮箱
回到顶部