电脑桌面
添加小米粒文库到电脑桌面
安装后可以在桌面快捷访问

电力变压器安装交底记录VIP免费

电力变压器安装交底记录_第1页
1/16
电力变压器安装交底记录_第2页
2/16
电力变压器安装交底记录_第3页
3/16
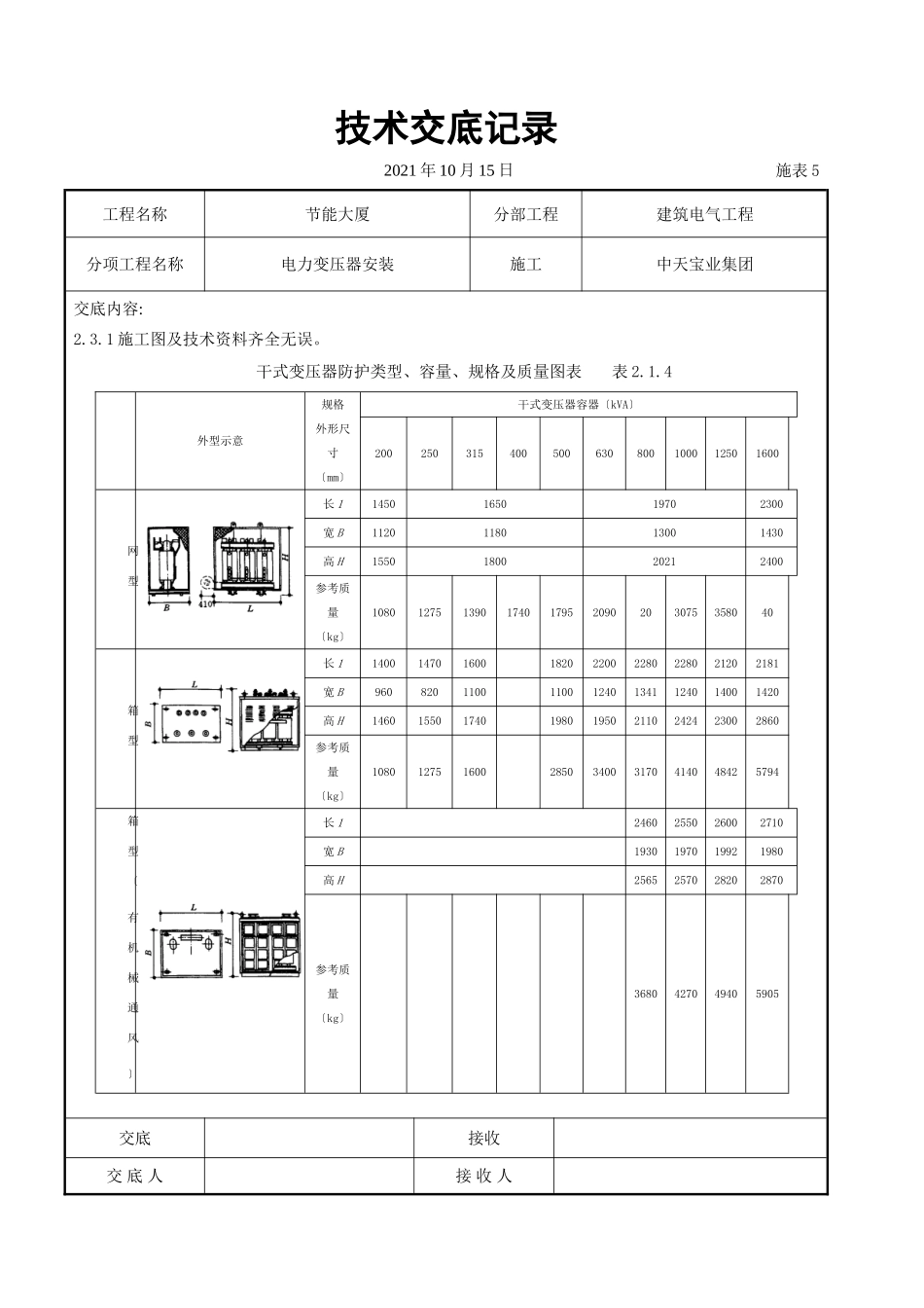
技术交底记录2021年10月15日施表5工程名称节能大厦分部工程建筑电气工程分项工程名称电力变压器安装施工中天宝业集团交底内容:根据:?建筑工程施工质量验收统一?GB50300-2001?建筑电气工程施工质量验收?GB50303-20021、范围本工艺适用于一般工业与民用建筑电气安装工程10kV及以下室内变压器安装。2、施工准备2.1设备及材料要求:2.1.1变压器应装有铭牌。铭牌上应注明制造厂名、额定容量一二次额定电压电流阻抗电压及接线组别等技术数据。2.1.2变压器的容量规格及型必须符合设计要求。附件、备件齐全并有出厂合格证及技术。2.1.3干式变压器的放试验PC值及噪音测试器dB〔A〕值应符合设计及要求。2.1.4带有防护罩的干式变压器防护罩与变压器的间隔应符合的规定不小于表2.1.4的尺寸。2.1.5型钢:各种规格型钢应符合设计要求并无明显锈蚀。2.1.6螺栓:除地脚螺栓及防震装置螺栓外均应采用镀锌螺栓并配相应的平垫圈和弹簧垫。2.1.7其它材料:蛇皮耐油塑料电焊条防锈漆调和漆及变压器油均应符合设计要求并有合格证。2.2主要机具:2.2.1搬运吊装机具:汽车吊汽车卷扬机吊链三步搭道木钢丝绳带子绳滚杠。2.2.2安装机具:台钻砂轮电焊机气焊工具电锤台虎钳活扳子、鎯头套丝板。2.2.3测试器具:钢卷尺钢板尺程度线坠摇表万用表电桥及试验仪器。2.3作业条件:交底接收交底人接收人技术交底记录2021年10月15日施表5工程名称节能大厦分部工程建筑电气工程分项工程名称电力变压器安装施工中天宝业集团交底内容:2.3.1施工图及技术资料齐全无误。干式变压器防护类型、容量、规格及质量图表表2.1.4外型示意规格外形尺寸〔mm〕干式变压器容器〔kVA〕200250315400500630800100012501600网型长11450165019702300宽B1120118013001430高H1550180020212400参考质量〔kg〕108012751390174017952090203075358040箱型长1140014701600182022002280228021202181宽B9608201100110012401341124014001420高H146015501740198019502110242423002860参考质量〔kg〕108012751600285034003170414048425794箱型〔有机械通风〕长12460255026002710宽B1930197019921980高H2565257028202870参考质量〔kg〕3680427049405905交底接收交底人接收人技术交底记录2021年10月15日施表5工程名称节能大厦分部工程建筑电气工程分项工程名称电力变压器安装施工中天宝业集团交底内容:2.3.2土建工程根本施工完毕标高、尺寸、构造及预埋件焊件强度均符合设计要求。2.3.3变压器轨道安装完毕并符合设计要求〔注:此项工作应由土建作安装配合〕。2.3.4墙面、屋顶喷浆完毕屋顶无漏水门窗及玻璃安装完好。2.3.5室内地面工程完毕场地清理干净道路畅道。2.3.6安装干式变压器室内应无灰尘相对湿度宜保持在70以下。3、操作工艺3.1工艺流程:设备点件检查→变压器二次搬运→变压器稳装→附件安装→变压器吊芯检查及交接试验→送电前的检查→送电运行验收3.2设备点件检查:3.2.1设备点件检查应由安装、供货、会同建立代表共同进展并作好记录。3.2.2按照设备施工图纸及设备技术核对变压器本体及附件备件的规格型是否符合设计图纸要求。是否齐全有无丧失及损坏。3.2.3变压器本体外观检查无损伤及变形油漆完好无损伤。3.2.4油箱封闭是否良好有无漏油、渗油现象油标处油面是否正常发现问题应立即处理。3.2.5绝缘瓷件及环氧树脂铸件有无损伤、缺陷及裂纹。3.3变压器二次搬运:3.3.1变压器二次搬运应由起重工作业电工配合。采用汽车吊吊装也可采用吊链吊装间隔较长用汽车运输运输时必须用钢丝绳固定结实并应行车平稳尽量减少需动;间隔较短且道路良好时可用卷扬机、滚杠运输。变压器重量及吊装点高度可参照表3.3.1.1及表3.3.1.2。垄脂浇铸干式变压器重量表3.3.1.1序容量〔kVA〕重量〔t〕序容量〔kVA〕重量〔t〕123100~200250~500630~10000.71~0.921.16~1.902.08~2.73451250~16002000~25003.39~4.225.14~6.30交底接收交底人接收人技术交底记录2021年10月15日施表5工程名称节能大厦分部工程建筑电气工程分项工程名称电力变压器安装施工中天宝业集团交底内容:油浸式电力变压器重量表3.3.1.25序容量〔kVA〕总量〔t〕吊点高〔m〕123456100~180200~4205...

1、当您付费下载文档后,您只拥有了使用权限,并不意味着购买了版权,文档只能用于自身使用,不得用于其他商业用途(如 [转卖]进行直接盈利或[编辑后售卖]进行间接盈利)。
2、本站所有内容均由合作方或网友上传,本站不对文档的完整性、权威性及其观点立场正确性做任何保证或承诺!文档内容仅供研究参考,付费前请自行鉴别。
3、如文档内容存在违规,或者侵犯商业秘密、侵犯著作权等,请点击“违规举报”。

碎片内容

电力变压器安装交底记录

确认删除?
VIP
微信客服
  • 扫码咨询
会员Q群
  • 会员专属群点击这里加入QQ群
客服邮箱
回到顶部