电脑桌面
添加小米粒文库到电脑桌面
安装后可以在桌面快捷访问

高考物理 随堂基础巩固 第1部分 第二章 第5节 学生实验:测量电源的电动势和内阻(含解析) 新人教版选修3-1VIP免费

高考物理 随堂基础巩固 第1部分 第二章 第5节 学生实验:测量电源的电动势和内阻(含解析) 新人教版选修3-1_第1页
1/3
高考物理 随堂基础巩固 第1部分 第二章 第5节 学生实验:测量电源的电动势和内阻(含解析) 新人教版选修3-1_第2页
2/3
高考物理 随堂基础巩固 第1部分 第二章 第5节 学生实验:测量电源的电动势和内阻(含解析) 新人教版选修3-1_第3页
3/3
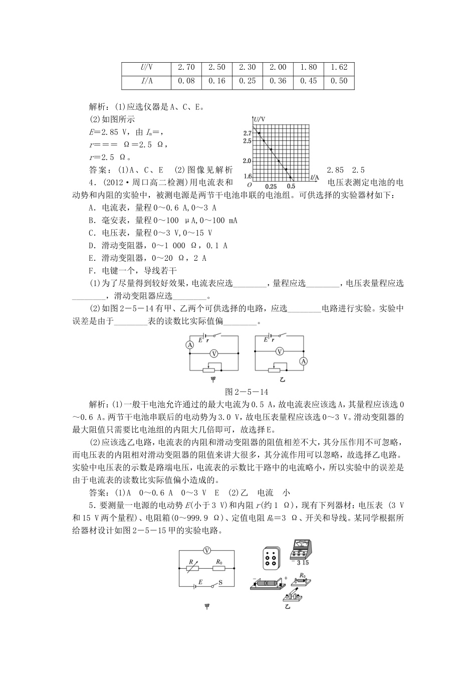
1.在用图2-5-11所示的电路测量电池电动势和内阻的实验中,若有两只电压表V1和V2量程相同,内阻RV1>RV2;两只电流表A1、A2量程相同,内阻RA1>RA2,在该实验中,为了使E、r的测量精确些,选择的电表可以是()图2-5-11A.V1和A2B.V2和A2C.V2和A1D.V1和A1解析:用此电路图测量电池的电动势和内阻时,产生误差的原因是由于电压表的分流作用,使电流表的示数小于流过电源的电流,因此只要选用内阻较大的电压表即可,与电流表的内阻大小无关,故A、D正确,B、C错误。答案:AD2.如图2-5-12所示是根据某次实验记录数据画出的U-I图像,下列关于这个图像的说法中正确的是()A.纵轴截距表示待测电源的电动势B.横轴截距表示短路电流C.根据r=E/I短,计算出待测电源内电阻为12Ω图2-5-12D.电流为0.3A时的外电阻是18Ω解析:图像与纵轴的交点,电流取值为0,此时为断路状态,截距即等于电源电动势,选项A对;但图像与横轴的交点处,电压等于5.0V,所以0.5A是路端电压为5.0V时的电流,而不是短路电流,所以B错;根据r=(E-U)/I得:r=2Ω,所以C错;根据R==Ω=18Ω,选项D对。答案:AD3.在用电压表、电流表测两节干电池串联的电动势和内电阻时,除备有被测电池、开关和足量导线外,还有下列仪器可供选择:A.电流表(0~0.6A)B.电流表(0~3A)C.电压表(0~3V)D.电压表(0~15V)图2-5-13E.滑动变阻器R1(20Ω,2A)F.滑动变阻器R2(1750Ω,3A)(1)应该选用的仪器是(写出前面的字母)________。(2)一个学生用以上仪器测得下表中的数据,在如图2-5-13所示的坐标轴上画出U-I图像,从图中可得出电源电动势为______V,内电阻为________Ω。实验序号123456U/V2.702.502.302.001.801.62I/A0.080.160.250.360.450.50解析:(1)应选仪器是A、C、E。(2)如图所示E=2.85V,由Im=,r===Ω=2.5Ω,r=2.5Ω。答案:(1)A、C、E(2)图像见解析2.852.54.(2012·周口高二检测)用电流表和电压表测定电池的电动势和内阻的实验中,被测电源是两节干电池串联的电池组。可供选择的实验器材如下:A.电流表,量程0~0.6A,0~3AB.毫安表,量程0~100μA,0~100mAC.电压表,量程0~3V,0~15VD.滑动变阻器,0~1000Ω,0.1AE.滑动变阻器,0~20Ω,2AF.电键一个,导线若干(1)为了尽量得到较好效果,电流表应选________,量程应选________,电压表量程应选________,滑动变阻器应选________。(2)如图2-5-14有甲、乙两个可供选择的电路,应选________电路进行实验。实验中误差是由于________表的读数比实际值偏________。图2-5-14解析:(1)一般干电池允许通过的最大电流为0.5A,故电流表应该选A,其量程应该选0~0.6A。两节干电池串联后的电动势为3.0V,故电压表量程应该选0~3V。滑动变阻器的最大阻值只需要比电池组的内阻大几倍即可,故选择E。(2)应该选乙电路,电流表的内阻和滑动变阻器的阻值相差不大,其分压作用不可忽略,而电压表的内阻相对滑动变阻器的阻值来讲大很多,其分流作用可以忽略,故选择乙电路。实验中电压表的示数是路端电压,电流表的示数比干路中的电流略小,所以实验中的误差是由于电流表的读数比实际值偏小造成的。答案:(1)A0~0.6A0~3VE(2)乙电流小5.要测量一电源的电动势E(小于3V)和内阻r(约1Ω),现有下列器材:电压表(3V和15V两个量程)、电阻箱(0~999.9Ω)、定值电阻R0=3Ω、开关和导线。某同学根据所给器材设计如图2-5-15甲的实验电路。图2-5-15(1)电路中定值电阻R0的作用是______________________________________。(2)请根据图甲电路,在图乙中用笔画线代替导线连接电路。(3)该同学调节电阻箱阻值R,读出对应的电压表读数U,得到两组数据:R1=2.0Ω时U1=2.37V;R2=4.0Ω时U2=2.51V。由这两组数可求得电源的电动势为E=________V,内阻为r=________Ω。(4)为使最终测量结果更精确,在不改变实验方法、不更换实验器材的前提下,请你对该同学提一条建议_________________________________________________________________________________________________________________________________。解析:(1)保护电源,防止短路。(2)如图所示。(3)由闭合电路欧姆定律E=U+r,由题给的两组数据代入解方程组得E=2.94V,r=1.2Ω。(4)多测几组R、U,分别求出电动势E、内阻r,再求E、r的平均值,利用图像处理数据。答案:(1)保护电源,防止短路(2)见解析图(3)2.941.2(4)见解析

1、当您付费下载文档后,您只拥有了使用权限,并不意味着购买了版权,文档只能用于自身使用,不得用于其他商业用途(如 [转卖]进行直接盈利或[编辑后售卖]进行间接盈利)。
2、本站所有内容均由合作方或网友上传,本站不对文档的完整性、权威性及其观点立场正确性做任何保证或承诺!文档内容仅供研究参考,付费前请自行鉴别。
3、如文档内容存在违规,或者侵犯商业秘密、侵犯著作权等,请点击“违规举报”。

碎片内容

高考物理 随堂基础巩固 第1部分 第二章 第5节 学生实验:测量电源的电动势和内阻(含解析) 新人教版选修3-1

您可能关注的文档

确认删除?
VIP
微信客服
  • 扫码咨询
会员Q群
  • 会员专属群点击这里加入QQ群
客服邮箱
回到顶部