电脑桌面
添加小米粒文库到电脑桌面
安装后可以在桌面快捷访问

安徽省某段高速公路施工组织设计方案VIP免费

安徽省某段高速公路施工组织设计方案_第1页
1/166
安徽省某段高速公路施工组织设计方案_第2页
2/166
安徽省某段高速公路施工组织设计方案_第3页
3/166
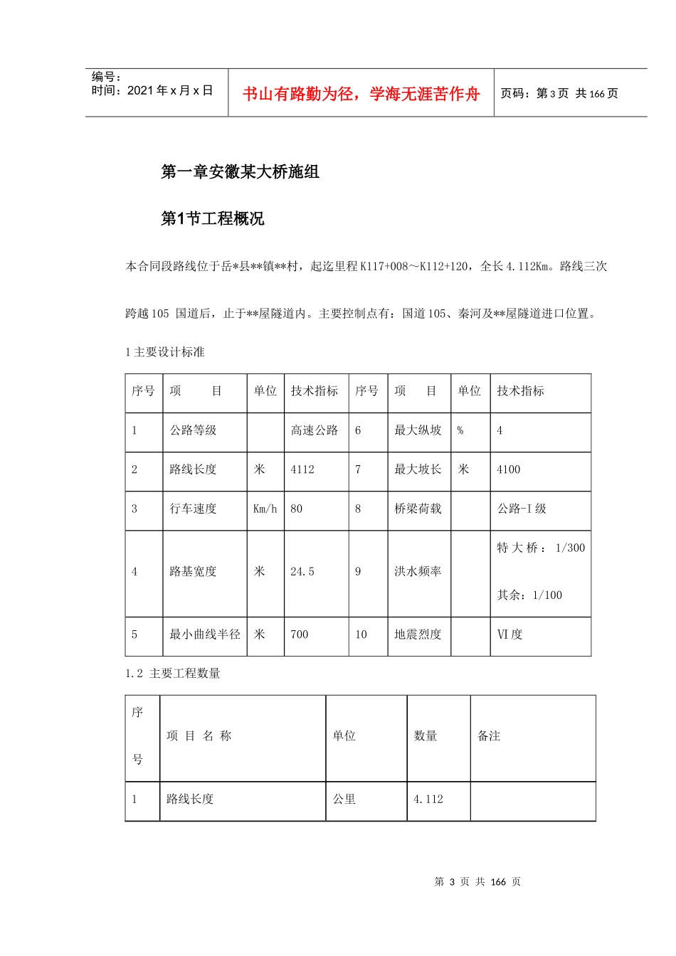
第1页共166页编号:时间:2021年x月x日书山有路勤为径,学海无涯苦作舟页码:第1页共166页目录第一章安徽某大桥施组..........................................................3第1节工程概况.............................................................3第2节工程特点分析.........................................................5第3节总体施工部署.........................................................7第4节设备、人员动员周期和设备、人员、材料运到施工现场的方法..............15第5节施工进度计划........................................................17第6节各分项工程施工顺序..................................................20第7节主要工程项目的施工方案、施工方法....................................21第8节重点和难点工程的施工方案、方法、工艺流程及其措施....................34第9节资源配置...........................................................124第10节确保工程质量和工期的措施..........................................125第11节冬季和雨季的施工安排..............................................129第12节质量、安全保证体系................................................130第13节环保及廉政措施....................................................133第14节其他应说明的事项..................................................134第二章施工工艺框图路基......................................................135第三章施工工艺框图桥隧......................................................137第2页共166页第1页共166页编号:时间:2021年x月x日书山有路勤为径,学海无涯苦作舟页码:第2页共166页第3页共166页第2页共166页编号:时间:2021年x月x日书山有路勤为径,学海无涯苦作舟页码:第3页共166页第一章安徽某大桥施组第1节工程概况本合同段路线位于岳*县**镇**村,起迄里程K117+008~K112+120,全长4.112Km。路线三次跨越105国道后,止于**屋隧道内。主要控制点有:国道105、秦河及**屋隧道进口位置。1主要设计标准序号项目单位技术指标序号项目单位技术指标1公路等级高速公路6最大纵坡%42路线长度米41127最大坡长米41003行车速度Km/h808桥梁荷载公路-I级4路基宽度米24.59洪水频率特大桥:1/300其余:1/1005最小曲线半径米70010地震烈度Ⅵ度1.2主要工程数量序号项目名称单位数量备注1路线长度公里4.112第4页共166页第3页共166页编号:时间:2021年x月x日书山有路勤为径,学海无涯苦作舟页码:第4页共166页2路基土石方填方千立方米154.394断面方挖方千立方米186.944断面方3路基防护及排水浆砌片石千立方米2.000水泥砼千立方米0.2234挡土墙工程数量千立方米0.322浆砌片石5桥涵特大桥米/座1010/1大桥米/座1075.8/2涵洞道26隧道分离式隧道米/座2605/1单洞总长1.3工程条件地质地层为岩性岩浆侵入形成的花岗岩、花岗岩脉岩,全风化层普遍厚度不大。气象项目区属北亚热带湿润季风气候类型,具有季风显著、四季分明、气候温和、雨量充沛、光照充足、无霜期长等气候特点,常有旱、涝、风、雹等自然灾害发生。水系区域内地表水较为发育,主要为秦家河支沟河流,常年流水不断,水质清澈无污染,地表水和地下水对砼无腐蚀性。地震烈度根据《中国地震动峰值加速度区划图》,路线经过区域地震基本烈度为Ⅵ度。工程材料:第5页共166页第4页共166页编号:时间:2021年x月x日书山有路勤为径,学海无涯苦作舟页码:第5页共166页片石、碎石本合同段现有石料场3处,分布于岳*、潜山两县。石料场有少量开采。砂砂场分布在潜山县水吼镇及野寨镇两地。为中粗砂,储量丰富。潜河岸边有105国道运输便利。水泥工程所需水泥可采用巢湖水泥厂、安庆红旗水泥厂、皖西中天集团、寿县水泥厂等厂家生产的符合设计要求的优质水泥。1.4建设工期业主建设工期24个月,计划2005年6月30日开工。第2节工程特点分析2.1工程特点本合同段的主要工程特点可归纳为以下四点:一是桥隧密集。桥梁占线路长度的50.85%,隧道占31.75%,几乎是桥...

1、当您付费下载文档后,您只拥有了使用权限,并不意味着购买了版权,文档只能用于自身使用,不得用于其他商业用途(如 [转卖]进行直接盈利或[编辑后售卖]进行间接盈利)。
2、本站所有内容均由合作方或网友上传,本站不对文档的完整性、权威性及其观点立场正确性做任何保证或承诺!文档内容仅供研究参考,付费前请自行鉴别。
3、如文档内容存在违规,或者侵犯商业秘密、侵犯著作权等,请点击“违规举报”。

碎片内容

安徽省某段高速公路施工组织设计方案

确认删除?
VIP
微信客服
  • 扫码咨询
会员Q群
  • 会员专属群点击这里加入QQ群
客服邮箱
回到顶部