电脑桌面
添加小米粒文库到电脑桌面
安装后可以在桌面快捷访问

工程项目管理实施方案(DOC39页)VIP免费

工程项目管理实施方案(DOC39页)_第1页
1/32
工程项目管理实施方案(DOC39页)_第2页
2/32
工程项目管理实施方案(DOC39页)_第3页
3/32
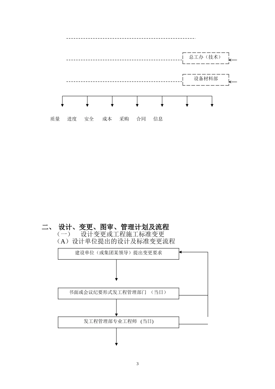
一、项目管理组织依据集团“一体两翼”发展战略,结合集团运营机制的改革,促成在投资项目实施中监管不失控,程序简约,执行实施专业,职责分工明确。依据战略中心要求,针对基建投资的特点,结合集团决策层的工作思路,为使集团项目投资成本能得到良好的掌控,现提出“基建项目管理实施方案”。针对项目的特点,为保证整个项目信息传递便捷,管理层次合理管理效率有保障,严格按照项目管理结构图开展项目管理工作。领导小组组成:1、财务集团战略中心:战略中心2、法务项目管理公司:建设使用单位:(一)、工程项目管理结构图1房地产公司组建项目管理部监理单位厂方分管基建负责人地址勘探单位房建设计单位施工手续承建主管部门施工总承包设备材料供应其他专业分包机电设备安装集团战略中心同时在公司(集团)内部,工程项目实施以专业的工程项目管理单位为中心;合同签订、工程款支付由项目申请单位负责。集团战略中心监督管理为基础的管理控制机制。在管理组织结构上采用公司矩阵支撑协作,专业项目管理部门直线指挥的管理模式。经各部门分工与协作以及设置不同层次的权利和责任制度,建立精干、合理、科学和高效的现场管理组织,专业人干专业事,顺利实现项目管理目标,成本投资控制目标。工程项目管理部设经理、土建工程师、水暖工程师、电气工程师、资料员,做到岗位分工明确,责任明确。(二)工程项目管理部组织结构图公司职能部门2房地产公司总经理项目部经理土建工程师水暖工程师电气工程师资料员成本预算部质量进度安全成本采购合同信息二、设计、变更、图审、管理计划及流程(一)设计变更或工程施工标准变更(A)设计单位提出的设计及标准变更流程建议反馈3总工办(技术)设备材料部建设单位(或集团某领导)提出变更要求书面或会议纪要形式发工程管理部门(当日)发工程管理部专业工程师(当日)(B)现场提出的设计变更流程否4专业工程师签字后报工程管理负责人(1日内完成)工程部以书面形式报送设计院(要求限期完成或回复)或专业公司总工程师设计院出图发工程管理部门(专业工程师)1日内工程管理部门专业工程师发监理部门签收(施工现场)按监理程序、监理发施工方各专业技术人员签收施工单位提出的变更申请(盖章、签字,合同约定的代表)形成书面文档报送监理单位(一日内完成)是否通过监理审核否要求限期完成当日当日(二)图纸会审流程(A)图纸会审联系流程:5监理签字盖章后报送工程管理部门专业工程师签字后报主管负责(1日内完成)是否通过专业工程师审核是否通过工程管理部门审核工程管理部门联系人以书面形式报送设计院(总工办)设计出图工程管理部门签收(当日完成)发工程管理专业工程师(当日完成)发监理工程师(施工现场)施工单位签收施工单位在限定的时间内阅图施工单位提出图审申请并提交图纸问题否(B)会审记录审核盖章流程:6监理单位将图纸问题上报工程管理部是否通过专业工程师审核图纸问题草稿发设计院,确定3日后进行图审四家单位共同进行图纸会审问题总结,确认记录无误(监理公司负责协调,施工单位负责整理)整理的会审记录进入审核签章程序。是否通过监理审核三、监理管理计划工程项目部负责监督工程监理单位履行监理委托合同情况。根据有关监理的法规和监理规范的规定,监理应履行四控、二管、一协调(四控即:进度、质量、成本、安全控制;二管:合同、信息管理;一协调:组织协调)的职能。在现场管理中,工程项目部将积极协助监督监理的各项工作,提高监理工作的积极性和权威性,以实现项目目标。在实践操作中,主要工作任务是对监理的协助、监督和指导,并做到不越位、不越权。在监理范围内的任何工作;通过监理上传下达。原则上未经监理同意,工程项目部不向施工单位下达任何指令,施工单位不得越过监理向工程项目部传达任何工作信息。1、工程项目部与监理单位之间的工作范围及权限划分。根据公司与监理单位签订的《建设工程委托监理合同》约定,以及《建设工程监理规范》的相关规定,在项目实施中,工程项目部与监7施工单位整理会审记录完毕施工单位将记录上报监理单位是否通过监理审核监理单位将记录上报工程管理部门上...

1、当您付费下载文档后,您只拥有了使用权限,并不意味着购买了版权,文档只能用于自身使用,不得用于其他商业用途(如 [转卖]进行直接盈利或[编辑后售卖]进行间接盈利)。
2、本站所有内容均由合作方或网友上传,本站不对文档的完整性、权威性及其观点立场正确性做任何保证或承诺!文档内容仅供研究参考,付费前请自行鉴别。
3、如文档内容存在违规,或者侵犯商业秘密、侵犯著作权等,请点击“违规举报”。

碎片内容

工程项目管理实施方案(DOC39页)

确认删除?
VIP
微信客服
  • 扫码咨询
会员Q群
  • 会员专属群点击这里加入QQ群
客服邮箱
回到顶部