电脑桌面
添加小米粒文库到电脑桌面
安装后可以在桌面快捷访问

山区公路施工组织设计---1(DOC94页)VIP免费

山区公路施工组织设计---1(DOC94页)_第1页
1/84
山区公路施工组织设计---1(DOC94页)_第2页
2/84
山区公路施工组织设计---1(DOC94页)_第3页
3/84
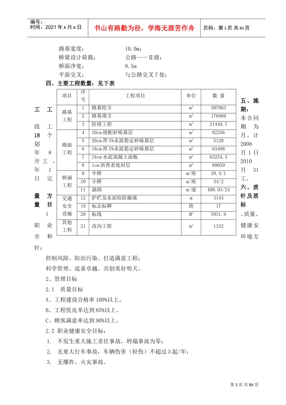
第1页共84页编号:时间:2021年x月x日书山有路勤为径,学海无涯苦作舟页码:第1页共84页第一部分总说明省道S308线黄沙坪至东坪公路改建工程第A合同段,起讫桩号为K0+000~K3+000、K4+600~K9+000,全长7.4公里。主要工程量有:路基挖方70.7963万m3,路基填方17.6969万m3;级配砂砾基层6.4541万m2,水泥稳定砂砾基层5.7195万m2;防排工程32449.7m3;水泥砼面层5.2271万m2;大中桥28.4m/1座,小桥34m/2座,涵洞400.03m/24道及交通安全设施工程等。该工程属二级公路新改建项目,由于边通车、边施工、加之石方比较多,增加了施工难度。为了较好的完成本工程的施工任务,我部根据投标文件有关承诺及结合以往的施工经验,按照:“精心设计,精心施工”的要求,用务实的态度编制了此施工组织设计。此设计按照轻重缓急的原则考虑了明年雨季到来之前必须完成软土路基处理、清淤、回填及路床顶以下的填方、岩石切方路段盖山土的开挖处理、桥梁等工程的施工任务,当雨季或洪水到来时,路基、路面有施工空间。不会影响整体施工进度,为了不影响明年的春耕生产,在涵洞、水渠施工方面尽量提前和加快对农田灌溉影响较大的涵洞和灌溉渠道的施工。为了保证关键和难点工程的施工质量,除了制定详细的施工方案和施工方法外,我们还准备采用“专门的设备、专门的队伍、专门的技术人员”三专进行精心施工。投标文件编制时,根据当时能参与施工的管理人员和技术人员可以调集的情况,编制了当时的施工组织机构,由于此后一些项目相继中标,人员有所变动,但为了圆满的完成本工程的施工任务,经公司领导研究,抽调了有管理水平、有施工经验能吃苦耐劳的技术人员,组成了现有的项目经理部组织机构。我们一定会秉承业主提出的“倡一流的管理、保一流的质量、争一流的速度、创一流的效益”圆满的完成此项工程的施工任务。第二部分编制依据该总体施工组织设计在编制过程中参照了2008年黄柘公路投标文件有关内容,2003年6月施行的公路工程国内招标文件范本《技术规范》,益阳市交通规划设计院提供的《省道S308线黄沙坪至柘溪公路招标文件》的设计图表等资料编制而成。第三部分工程概况第2页共84页编号:时间:2021年x月x日书山有路勤为径,学海无涯苦作舟页码:第2页共84页一、项目地理位置:黄沙坪至柘溪公路是省道S308线中的一段,是益阳市公路网规划两纵两横主骨架的第一横中的一段,也是益阳西通怀化的主要通道。路线起于黄沙坪,与原S308线于乔口村(K0+000)分叉,经城南开发区至东坪低水坝电站,利用大坝过河,至资江北岸东坪镇,沿原S308线至柘溪镇,与柘溪隧道相接(K16+396.88)。本合同段起讫桩号为K0+000~K3+000、K4+600~K9+000,全线长7.4km。按二级公路技术标准建设,路基宽10米,对应路面(含硬路肩)宽8.5m,汽车荷载等级为公路Ⅱ级,计算行车速度为60km/h,路面采用水泥混凝土结构。本合同段工作内容为K0+000~K3+000、K4+600~K9+000路基、路面、桥涵工程和交通安全设施。二、气候水文、地形地貌、地质及其它:本区域属大陆中亚热带季风湿润气候,具有气候温和,阳光充足,雨量充沛,四季分明,年平均气温16~18℃,7——9月气温最高平均达28℃,白日平均气温高达36℃;极端温度达40℃;12——2月气温最低平均为5℃左右,极端最低气温达-10℃。年平均降雨量1200~1700毫米,日照时数为1378~1776小时,年平均相对湿度80%,雾75天。线路经过处水文地质条件较为简单,地下水储存形式有三类:上层滞水、孔隙水和基岩裂隙水。各种形式地下水无明显的界限,相互之间有水力联系,均接受大气降水和地表水的补给,地下水位随季节性变化,地下水径流迅速,直接向资江及次级河流排泄,并与资江次级河流呈互补关系,环境水对钢筋砼不具浸蚀性。线路所经地带,主要为溶蚀、剥蚀丘陵、河流浸蚀阶地地貌,地势总体西高东低,临近资水,最大标高370m,一般标高97-157m,相对高差120-270m,山体走向多为东西向,植被较发育。资江北岸路段路线左侧为资江河道,右侧为山体。受区域构造影响,板岩、炭质泥页岩、冰碛砾岩岩层中小断层及褶皱挠曲现象发育,节理、劈理发育。线路不良工程地质主要表现为特殊类土、崩塌...

1、当您付费下载文档后,您只拥有了使用权限,并不意味着购买了版权,文档只能用于自身使用,不得用于其他商业用途(如 [转卖]进行直接盈利或[编辑后售卖]进行间接盈利)。
2、本站所有内容均由合作方或网友上传,本站不对文档的完整性、权威性及其观点立场正确性做任何保证或承诺!文档内容仅供研究参考,付费前请自行鉴别。
3、如文档内容存在违规,或者侵犯商业秘密、侵犯著作权等,请点击“违规举报”。

碎片内容

山区公路施工组织设计---1(DOC94页)

确认删除?
VIP
微信客服
  • 扫码咨询
会员Q群
  • 会员专属群点击这里加入QQ群
客服邮箱
回到顶部