电脑桌面
添加小米粒文库到电脑桌面
安装后可以在桌面快捷访问

全套房地产开发前期手续资料解析资料VIP免费

全套房地产开发前期手续资料解析资料_第1页
1/36
全套房地产开发前期手续资料解析资料_第2页
2/36
全套房地产开发前期手续资料解析资料_第3页
3/36
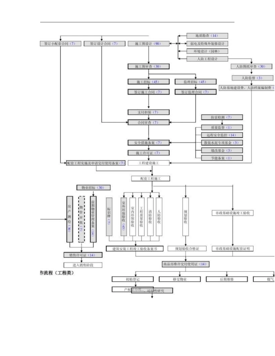
序言开发建设项目工作流程(工程类由以下四个部分组成:一、工作流程(工程类该流程对自“项目可行性研究”开始至“初始登记”为止的主要工作进行条理化梳理,使员工对工程类管理的主要工作节点之间的相互关系及彼此联系有所了解,可以为公司逐步进行规范和整合管理制度提供一种可分割可组合的工作流程。二、主要节点工作流程:该部分对主要工作节点的工作目的、主要工作内容、申报要件及办理时限都作了较为详细的介绍,力图使经办人对办件的目标、办理程序有较全面的了解,同时也为其岗位责任制的确定和考核给出了较为实际的工作内涵。三、呈报要件明细表:该表的制定是为工作人员在办理相关节点所执的要件、办件部门、工作时限、联系电话等均给出了明细,是相关节点工作的办事指南。四、开发企业收费明细表:该表的制定可以使工作人员对自己经办的工作节点、应执行的政策、收费标准、文件的索引有一个全面清晰的了解,对控制开发成本、编制用款计划、查阅相关政策等提供了文件依据,可以相对提高办理要件的效率。说明:1、该工作流程(工程类中凡没有编号的工作节点均未编制节点流程,其主要原因是该节点不属于行政许可的范畴或属于随机的、不确定的技术审查工作,是较机动的工作程序。2、此次编制流程只反映了主要工作节点的相互关系,而其中一个节点和其他工作节点之间有着比较复杂、重复关联的关系。此种关系很难从工作的流程中体现出来,因而该流程仅反映主要工作之间概念性的和主要的条理关系。3、本工作流程仅适用土地经招、拍、挂方式(带规划条件取得土地使用权的开发建设项目。4、由于部门工作的能力所限,因此在编制过程中还存在着诸多缺陷和有待完善的内容,因此希望相关职能部门予以订正和完善。开发部2005年12月20日九、地名申报办件流程图六、环境评估(一工作目的:环境评估是项目进入设计阶段前,全面评估项目对周边及环境的影响,其目的在于通过设计来规避项目对环境的不利影响。因此,环境评估是前期工作中不可或缺的环节。(二主管部门:市、区行政许可中心,环保窗口。(三工作内容:1、到市、区行政许可中心环保窗口领《建设项目环境保护申报登记表》,按表格要求填写并加盖单位公章。2、委托有资质的环保单位,对项目进行环境影响评估。3、参加评审会议,提出对项目环境评估的意见。4、应当注意以下几个问题:(1委托环境评估单位时,最好由环保局下设的环境评估单位参与以利于审查顺利通过;(2环境评估费用可以按市场价格由双方议定,目前参考价为0.8元/㎡;(3环境评估报告下达后应到项目所在区环保局办理送达和备案手续。(4向施工单位交底,以规避施工期间的因素给周边带来环境影响。(5供热证明可由提供热源的主管部门出据证明。(四要件:1、项目立项批准文件或年度投资计划;2、《工程建设项目报建登记表》;3、《建设用地规划许可证》;4、规划平面图;5、供热证明。(五时限:依照条例规定为15——60日,通常10——15日。六、环境评估办件流程图结合城市控制性规划的要求对项目规划进行全方(二主管部门:行政许可中心规划局窗口。(三工作内容:此项工作应按以下步骤分别进行:1、首先委托详细规划的设计院将规划总平面方案报请规划行政主管部门认可后,再进行详细规划设计。2、详规成果完成后,领取《建设工程规划设计方案申报表》、《市政工程规划设计方案申报表》。汇集填报上述表格。执表格及相关要件到窗口进件。3、详细规划批准后,委托施工图设计院设计建筑方案,方案应包括建筑效果、总平面、各层平面、立面和剖面等。建筑方案设计完成后领取《建筑设计方案申报表》。汇集填报上述表格。执表格及相关要件到窗口进件。(四要件:1、建设工程规划设计方案申报(1出让供地方式提交《国有土地使用权出让合同》和《建设用地规划许可证》,其他供地方式提交《选址意见书》;(2总平面方案(包括设计说明、现状地形图和规划总平面图等、规划设计方案(包括规划设计说明、现状地形图和规划图等、在规划设计方案审定前,根据《规划设计方案修改通知书》要求提交规划设计方案;(3申报单位(人委托代理的,须提交授权委托书。2、市政工程规划设计方案申报(1市政工程规划设计要求通知书;属于修建性详细规划项目,须提交建设项目《...

1、当您付费下载文档后,您只拥有了使用权限,并不意味着购买了版权,文档只能用于自身使用,不得用于其他商业用途(如 [转卖]进行直接盈利或[编辑后售卖]进行间接盈利)。
2、本站所有内容均由合作方或网友上传,本站不对文档的完整性、权威性及其观点立场正确性做任何保证或承诺!文档内容仅供研究参考,付费前请自行鉴别。
3、如文档内容存在违规,或者侵犯商业秘密、侵犯著作权等,请点击“违规举报”。

碎片内容

全套房地产开发前期手续资料解析资料

确认删除?
VIP
微信客服
  • 扫码咨询
会员Q群
  • 会员专属群点击这里加入QQ群
客服邮箱
回到顶部