电脑桌面
添加小米粒文库到电脑桌面
安装后可以在桌面快捷访问

工行收费标准VIP免费

工行收费标准_第1页
1/11
工行收费标准_第2页
2/11
工行收费标准_第3页
3/11
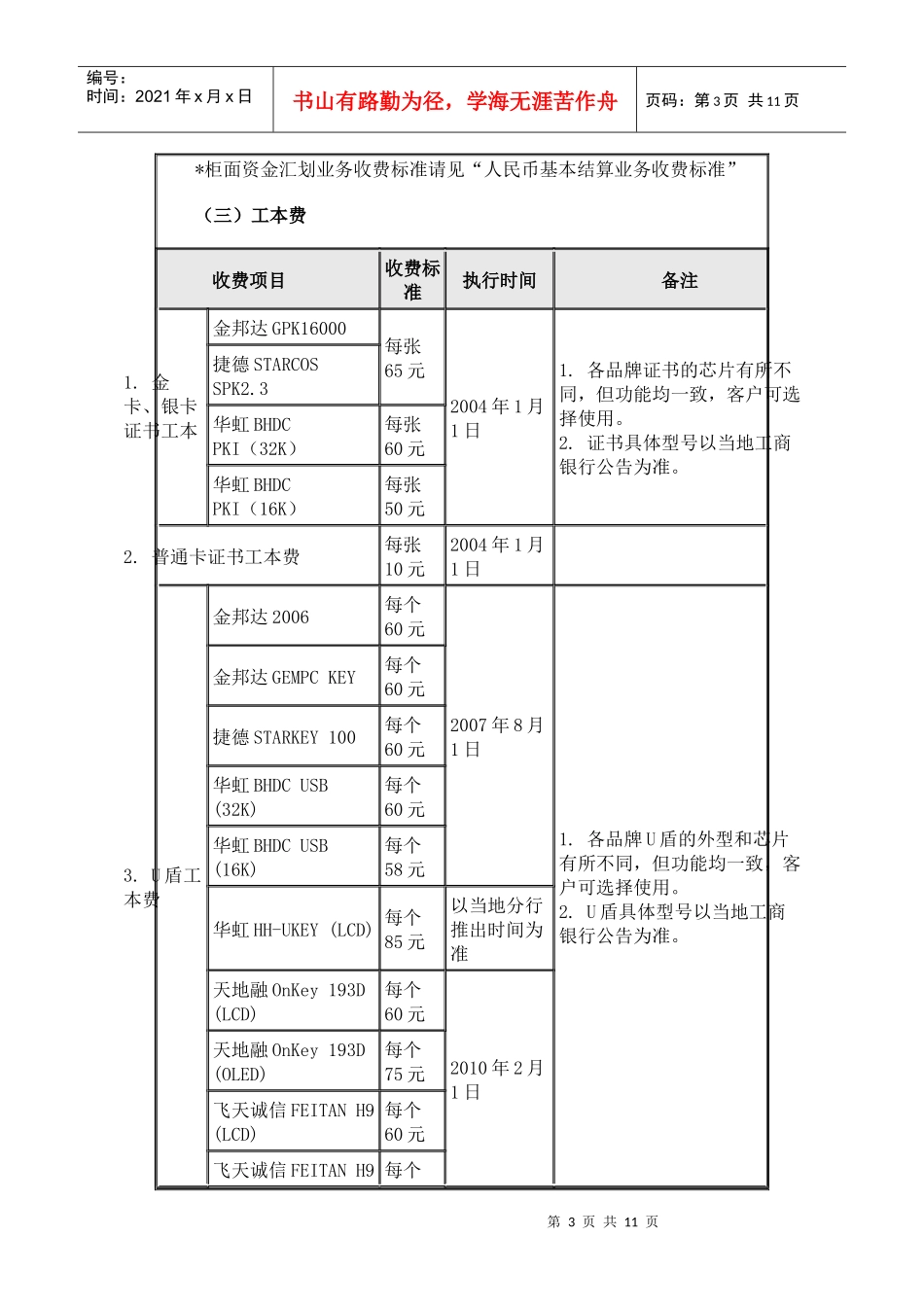
第1页共11页编号:时间:2021年x月x日书山有路勤为径,学海无涯苦作舟页码:第1页共11页中国工商银行电子银行业务收费标准企业业务收费标准个人业务收费标准电子商务收费标准一、企业业务(一)服务费收费项目收费标准执行时间备注1.网上银行(包括银企互联和电子商务)证书年服务费每张证书200元2000年2月1日2.网上银行证书年服务费(CFCA证书)每年每张(个)证书最低280元2009年6月8日3.网上银行账户年服务费每个注册账户20元(一般单位客户不收此项费用,集团客户主账户不收此项费用;每年截至12月20日,账户注册时间超过半年(含)的按标准收取,不足半年的按半价收取)2004年1月1日4.网上银行贵宾室年服务费每个客户10000元2006年1月7日5.企业网上银行(普及版)年服务费每张证书不超过500元2004年11月14日按当地工商银行公告标准执行。6.银企互联开通服务费10万元(一次性收取。特约网站开通银企互联的,按特约网站开通服务费标准执行。)2004年1月1日7.银企互联账户每个注册账户200元(一般单位客户不收此2006年第2页共11页第1页共11页编号:时间:2021年x月x日书山有路勤为径,学海无涯苦作舟页码:第2页共11页年服务费项费用,集团客户主账户不收此项费用;每年截至12月20日,账户注册时间超过半年(含)的按标准收取,不足半年的按半价收取)1月7日8.工行信使(余额变动提醒)服务费每月每手机号10元2009年4月19日9.电话银行年服务费每张证书不超过500元(未采用证书方式的,按其客户编号或登录账号,比照证书方式收费标准收取)2004年1月1日按当地工商银行公告标准执行。10.票据托管年服务费每个客户8000元2009年6月8日按当地工商银行公告标准执行。(二)交易费业务种类收费标准执行时间备注1.工行系统内电子银行人民币结算同城业务每笔0.8元;异地业务按柜面资金汇划业务收费标准收取。2009年6月8日2.跨行电子银行人民币结按柜面资金汇划业务收费标准收取,其中同城非联机处理的业务按每笔1元收取。当地人民银行另有规定的,按人民银行的规定执行。2009年6月8日3.外汇汇款手续费:按汇出金额0.8‰收取,统一按我行当日外汇牌价折算为等值人民币,最低每笔40元,最高每笔800元;邮电费:按每笔10元收取。2009年6月8日4.企业财务室(含贵宾室企业财务室)向付款单位收取。工行系统内同城每笔不超过5元,工行系统内异地每笔不超过10元;跨行业务按照资金汇划业务收费标准收取。2005年1月1日按当地工商银行公告标准执行。5.票据托管实物票据托管的,按票面金额的万分之零点五收取,最低20元,最高200元;只委托我行录入票据信息的,每笔1元。2006年1月7日第3页共11页第2页共11页编号:时间:2021年x月x日书山有路勤为径,学海无涯苦作舟页码:第3页共11页*柜面资金汇划业务收费标准请见“人民币基本结算业务收费标准”(三)工本费收费项目收费标准执行时间备注1.金卡、银卡证书工本金邦达GPK16000每张65元2004年1月1日1.各品牌证书的芯片有所不同,但功能均一致,客户可选择使用。2.证书具体型号以当地工商银行公告为准。捷德STARCOSSPK2.3华虹BHDCPKI(32K)每张60元华虹BHDCPKI(16K)每张50元2.普通卡证书工本费每张10元2004年1月1日3.U盾工本费金邦达2006每个60元2007年8月1日1.各品牌U盾的外型和芯片有所不同,但功能均一致,客户可选择使用。2.U盾具体型号以当地工商银行公告为准。金邦达GEMPCKEY每个60元捷德STARKEY100每个60元华虹BHDCUSB(32K)每个60元华虹BHDCUSB(16K)每个58元华虹HH-UKEY(LCD)每个85元以当地分行推出时间为准天地融OnKey193D(LCD)每个60元2010年2月1日天地融OnKey193D(OLED)每个75元飞天诚信FEITANH9(LCD)每个60元飞天诚信FEITANH9每个第4页共11页第3页共11页编号:时间:2021年x月x日书山有路勤为径,学海无涯苦作舟页码:第4页共11页(OLED)75元明华MWe-Key(LCD)每个60元明华MWe-Key(OLED)每个75元4.读卡器工本费金邦达GEMPC400每台460元2004年1月1日1.各品牌读卡器的外型有所不同,但功能均一致,客户可选择使用。2.读卡器具体型号以当地工商银行公告为准金邦达GEMPC410每台200元金邦达GEMPC430金邦达GEMPCTwin捷德STARSCR100捷德CARDMAN10...

1、当您付费下载文档后,您只拥有了使用权限,并不意味着购买了版权,文档只能用于自身使用,不得用于其他商业用途(如 [转卖]进行直接盈利或[编辑后售卖]进行间接盈利)。
2、本站所有内容均由合作方或网友上传,本站不对文档的完整性、权威性及其观点立场正确性做任何保证或承诺!文档内容仅供研究参考,付费前请自行鉴别。
3、如文档内容存在违规,或者侵犯商业秘密、侵犯著作权等,请点击“违规举报”。

碎片内容

工行收费标准

您可能关注的文档

确认删除?
VIP
微信客服
  • 扫码咨询
会员Q群
  • 会员专属群点击这里加入QQ群
客服邮箱
回到顶部