电脑桌面
添加小米粒文库到电脑桌面
安装后可以在桌面快捷访问

广东省建设工程项目招标中标后监督检查试行办法VIP免费

广东省建设工程项目招标中标后监督检查试行办法_第1页
1/10
广东省建设工程项目招标中标后监督检查试行办法_第2页
2/10
广东省建设工程项目招标中标后监督检查试行办法_第3页
3/10
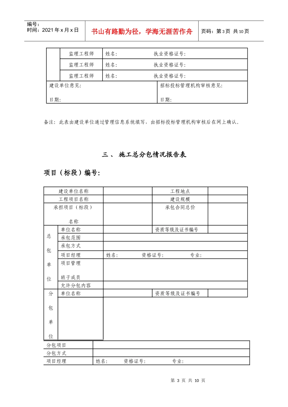
第1页共10页编号:时间:2021年x月x日书山有路勤为径,学海无涯苦作舟页码:第1页共10页广东省建设工程项目招标中标后监督检查办法(试行)》附件:一、施工招标中标情况登记表项目(标段)编号:中标通知书编号招标方式中标单位名称资质等级及证书编号建设单位名称工程地点工程项目名称建设规模中标项目名称中标价项目工期起止时间招标代理机构名称招标代理机构资质等级及证号编号中标承包范围承包方式项目经理姓名:资格证号:专业:项目管理班子成员第2页共10页第1页共10页编号:时间:2021年x月x日书山有路勤为径,学海无涯苦作舟页码:第2页共10页情况允许分包内容质量安全、文明施工目标承诺建设单位意见:日期:招标投标管理机构审核意见:日期:备注:此表由建设单位通过管理信息系统填写,由招标投标管理机构审核后在网上确认。二、监理招标中标情况登记表项目(标段)编号:中标通知书编号招标方式中标单位名称资质等级及证书编号建设单位名称工程地点工程项目名称工程规模中标价监理合同期限年月日至年月日中标情况监理范围总监理工程师姓名:执业资格证号:监理工程师姓名:执业资格证号:监理工程师姓名:执业资格证号:监理工程师姓名:执业资格证号:监理工程师姓名:执业资格证号:监理工程师姓名:执业资格证号:监理工程师姓名:执业资格证号:监理工程师姓名:执业资格证号:第3页共10页第2页共10页编号:时间:2021年x月x日书山有路勤为径,学海无涯苦作舟页码:第3页共10页监理工程师姓名:执业资格证号:监理工程师姓名:执业资格证号:监理工程师姓名:执业资格证号:建设单位意见:日期:招标投标管理机构审核意见:日期:备注:此表由建设单位通过管理信息系统填写,由招标投标管理机构审核后在网上确认。三、施工总分包情况报告表项目(标段)编号:建设单位名称工程地点工程项目名称建设规模承担项目(标段)名称承包合同总价总包单位单位名称资质等级及证书编号承包范围承包方式项目经理姓名:资格证号:专业:项目管理班子成员允许分包内容分包单位单位名称资质等级及证书编号分包项目分包方式项目经理姓名:资格证号:专业:第4页共10页第3页共10页编号:时间:2021年x月x日书山有路勤为径,学海无涯苦作舟页码:第4页共10页项目管理班子成员总包施工单位意见:日期:建设单位意见:日期:监理单位审核意见:日期:备注:此表由施工总包单位填写,建设单位认可,经监理单位审核后上网登录。第5页共10页第4页共10页编号:时间:2021年x月x日书山有路勤为径,学海无涯苦作舟页码:第5页共10页四、建设项目工程量及工程造价重大变更主要原因分析报告备案表项目(标段)编号:建设项目名称中标项目(标段)名称中标价变更项目名称造价变更额报告事项变更具体内容、所在单位工程分部工程、时间1.2.变更原因(合同内容增减、设计变更、隐蔽工程签证……)1.2.工程量变更(数量、计算依据……)1.2.工程造价增减(单价变更、分部分项预算、计算依据……)1.2.建设单位或其委托造价咨询单位名称造价师(签名):资格证书号:日期:第6页共10页第5页共10页编号:时间:2021年x月x日书山有路勤为径,学海无涯苦作舟页码:第6页共10页注:此表以每一标段单位工程的分项变更工程为单位填写,分项变更工程造价大于单位工程造价5%的,由建设单位或其委托造价咨询单位上网登录,并接受工程造价管理机构的抽查审核。五、建设工程项目管理班子变更情况报告表项目(标段)编号:建设单位名称工程地点工程项目名称建设规模项目工期起止时间项目班子变更变更前项目经理(项目总监)姓名:资格证号:专业:变更前项目管理班子变更后项目经理(项目总监)姓名:资格证号:专业:变更后项目管理班子报告事项项目经理(项目总监)更换及变更原因:施工(监理)企业法定代表人:年月日建设单位意见:建设单位法定代表人:年月建设行政主管部门审核意见:年月日第7页共10页第6页共10页编号:时间:2021年x月x日书山有路勤为径,学海无涯苦作舟页码:第7页共10页日备注:此表由施工单位(或监理单位)填写,经建设单位同意,报建设行政主管部门批准并由建设行政主管部门...

1、当您付费下载文档后,您只拥有了使用权限,并不意味着购买了版权,文档只能用于自身使用,不得用于其他商业用途(如 [转卖]进行直接盈利或[编辑后售卖]进行间接盈利)。
2、本站所有内容均由合作方或网友上传,本站不对文档的完整性、权威性及其观点立场正确性做任何保证或承诺!文档内容仅供研究参考,付费前请自行鉴别。
3、如文档内容存在违规,或者侵犯商业秘密、侵犯著作权等,请点击“违规举报”。

碎片内容

广东省建设工程项目招标中标后监督检查试行办法

您可能关注的文档

精华资料店+ 关注
实名认证
内容提供者

大量教育教学资料

确认删除?
VIP
微信客服
  • 扫码咨询
会员Q群
  • 会员专属群点击这里加入QQ群
客服邮箱
回到顶部