电脑桌面
添加小米粒文库到电脑桌面
安装后可以在桌面快捷访问

高考物理 极限预测七VIP免费

高考物理 极限预测七_第1页
1/22
高考物理 极限预测七_第2页
2/22
高考物理 极限预测七_第3页
3/22
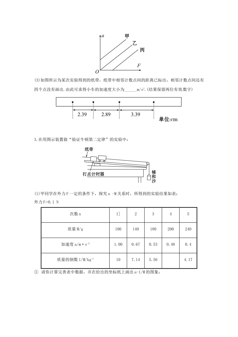
【模拟演练】1.在“探究小车速度随时间变化的规律”的实验中,打点计时器使用的交流电的频率为50Hz,记录小车运动的纸带如图所示,在纸带上选取0、1、2、3、4、5共6个计数点,相邻两计数点之间还有四个点未画出.纸带旁并排放着最小分度为mm的刻度尺,计算小车通过计数点“2”的瞬时速度v2=_______m/s,小车的加速度是a=________m/s2.(保留两位有效数字)2.如图所示,为“探究加速度与力、质量的关系”实验装置图.图中A为小车,B为砝码及砝码盘,C为一端带有定滑轮的长木板,小车通过纸带与电火花打点计时器相连,计时器接50Hz交流电.小车A的质量为m1,砝码及砝码盘B的质量为m2.(1)下列说法正确的是_______.A.每次改变小车质量时,应重新平衡摩擦力B.实验时应先释放小车后接通电源C.本实验m2应远大于m1D.在用图象探究加速度与质量关系时,应作11am图象(2)实验时,某同学由于疏忽,遗漏了平衡摩擦力这一步骤,他测量得到的a-F图象,可能是图中的图线_______.(选填“甲”、“乙”或“丙”)(3)如图所示为某次实验得到的纸带,纸带中相邻计数点间的距离已标出,相邻计数点间还有四个点没有画出.由此可求得小车的加速度大小为______m/s2.(结果保留两位有效数字)3.在用图示装置做“验证牛顿第二定律”的实验中:(1)甲同学在外力F一定的条件下,探究a-M关系时,所得到的实验结果如表:外力F=0.1N次数n1]2345质量M/g100140180200240加速度a/m·s-21.000.670.530.480.4质量的倒数1/M/kg-1107.145.564.17①请你计算完善表中数据,并在给出的坐标纸上画出a-1/M的图象;②由图象可得到的结论是____________________________________________.(2)乙同学在探究加速度与外力关系的实验中得到的a-F图象如图,则该图象中图线不过原点的原因是:___________________________________________,小车的质量为________kg(保留两位有效数字).4.某同学要探究弹力和弹簧伸长的关系,并测弹簧的劲度系数k.做法是先将待测弹簧的一端固定在铁架台上,然后将最小刻度是毫米的刻度尺竖直放在弹簧一侧,并使弹簧另一端恰好落在刻度尺上.当弹簧自然下垂时,指针指示的刻度数值记作L0;弹簧下端每增加一个50g的钩码时,指针示数分别记作L1、L2、…、L7.(1)表中记录的是该同学测出的8个值:根据表中数据,用“逐差法”计算出每增加50g钩码时弹簧平均伸长量ΔL的数值为代表符号L0L1L2L3L4L5L6L7刻度数值/cm1.703.405.106.858.6010.3012.1014.05ΔL=________cm.(2)根据以上数据,求出弹簧的劲度系数k=________N/m.(g取9.8m/s2)5.某同学在研究性学习中,利用所学的知识解决了如下问题:一轻弹簧一端固定于某一深度为h=0.25m、且开口向右的小筒中(没有外力作用时弹簧全部位于筒内),如图甲所示,如果本实验的长度测量工具只能测量出距筒口右端弹簧的长度l,现要测出弹簧的原长l0和弹簧的劲度系数,该同学通过改变挂钩码的个数来改变l,作出F-l变化的图线如图乙所示.(1)由此图线可得出的结论是_____________________________________;(2)弹簧的劲度系数为________N/m,弹簧的原长l0=_______m;(3)该同学实验时,把弹簧水平放置与弹簧悬挂放置相比较,优点在于:______________________________________________________;缺点在于:______________________________________________________.6.某学习小组在“探究功与速度变化关系”的实验中采用了如图所示的实验装置.(1)将气垫导轨接通气泵,通过调平螺丝调整气垫导轨使之水平,检查是否调平的方法是____________________.(2)如图所示,游标卡尺测得遮光条的宽度Δd=_______cm;实验时,将橡皮条挂在滑块的挂钩上,向后拉伸一定的距离,并做好标记,以保证每次拉伸的距离恒定.现测得挂一根橡皮条时,滑块弹离橡皮条后,经过光电门的时间为Δt,则滑块最后匀速运动的速度表达式为_________(用字母表示).(3)逐条增加橡皮条,记录每次遮光条经过光电门的时间,并计算出对应的速度.则画出的W-v2图象应是_________.7.在“研究匀变速直线运动”的实验中,某同学的操作中有以下实验步骤,其中错误或遗漏的步骤有____________.(遗漏步骤可编上序号G、H…)A.拉住纸带,将小车移至...

1、当您付费下载文档后,您只拥有了使用权限,并不意味着购买了版权,文档只能用于自身使用,不得用于其他商业用途(如 [转卖]进行直接盈利或[编辑后售卖]进行间接盈利)。
2、本站所有内容均由合作方或网友上传,本站不对文档的完整性、权威性及其观点立场正确性做任何保证或承诺!文档内容仅供研究参考,付费前请自行鉴别。
3、如文档内容存在违规,或者侵犯商业秘密、侵犯著作权等,请点击“违规举报”。

碎片内容

高考物理 极限预测七

文章天下+ 关注
实名认证
内容提供者

各种文档应有尽有

相关文档

确认删除?
VIP
微信客服
  • 扫码咨询
会员Q群
  • 会员专属群点击这里加入QQ群
客服邮箱
回到顶部