电脑桌面
添加小米粒文库到电脑桌面
安装后可以在桌面快捷访问

高考物理 考前预测实验题冲刺训练 力学VIP免费

高考物理 考前预测实验题冲刺训练 力学_第1页
1/7
高考物理 考前预测实验题冲刺训练 力学_第2页
2/7
高考物理 考前预测实验题冲刺训练 力学_第3页
3/7
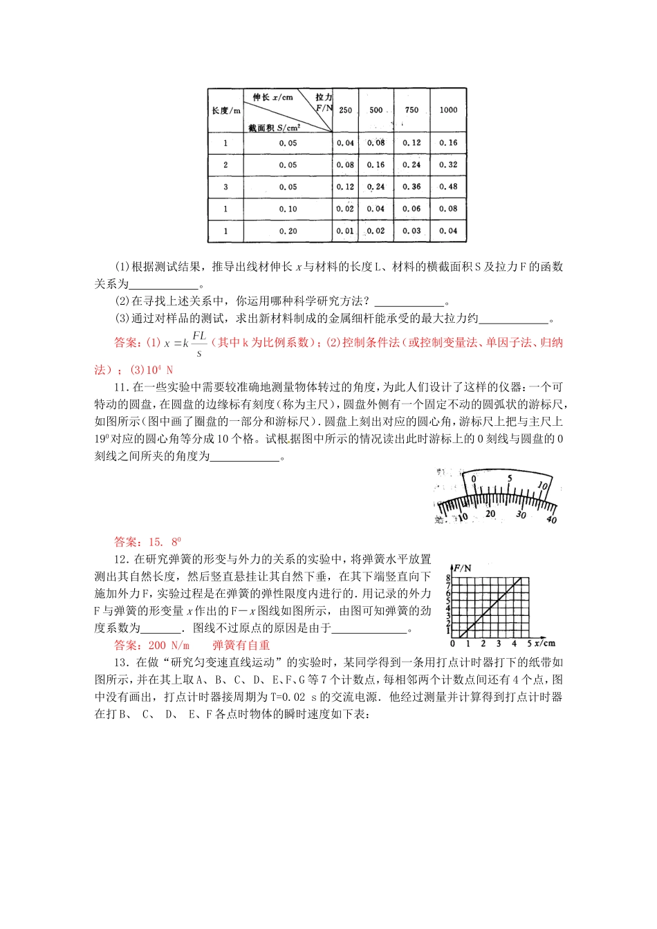
1.西昌卫星发射中心的火箭发射架上,有一待发射的卫星,它随地球自转的线速度为、加速度为;发射升空后在近地轨道上做匀速圆周运动,线速度为、加速度为;实施变轨后,使其在同步卫星轨道上做匀速圆周运动,运动的线速度为、加速度为.则、、的大小关系是;、、的大小关系是。答案:>>>>2.如图所示,在水平地面上静置一质量为m的物块,现对物块施加一水平向右的拉力F1,物块开始向右做匀加速直线运动;过一段时间后,保持拉力的方向不变,大小变为F2,物块开始做匀减速直线运动.若加速与减速运动的时间和位移的大小均相等,则物块与地面间的动摩擦因数为。答案:3.已知某行星表面处的重力加速度为地球表面处重力加速度的1/4,那么,在地球上走得很准的摆钟搬到此行星上后,此钟的分针走一圈所经历的时间是h.答案:24.如图所示,两个劲度系数分别为和的轻质弹簧竖直悬挂,弹簧下端用光滑细绳连接,并有一光滑的轻滑轮放在细线上.当滑轮下端挂一重为G的物体后,滑轮下降一段距离,则弹簧的弹大小为,静止后重物下降的距离为。答案:5.面积很大的水池中有一个很长的管子,其内径截面积为10cm2,管子在贴近水面处有一质量可忽略不计的活塞,活塞与管壁摩擦不计,且气密性良好,如图所示,当用力将活塞沿管壁缓慢提升15m高时,拉力所做的功是(g取10m/s2,p0取105Pa).答案:1000J6.卫星绕地球做匀速圆周运动时处于完全失重状态,物体对支持面几乎没有压力,所以在这种环境中已无法用天平称量物体的质量.假设某同学在这种环境设计了如图所示装置(图中O为光滑的小孔)来间接测量物体的质量:给待测物体一个初速度,使它在桌面上做匀速圆周运动.设航天器中具有基本测量工具.(1)物体与桌面间的摩擦力可以忽略不计,原因是;(2)实验时需要测量的物理量是;(3)待测物体质量的表达式为m=。答案:(1)物体与接触面间几乎没有压力,摩擦力几乎为零;(2)弹簧秤示数F、圆周运动的半径R、圆周运动的周期T;(3)7.如图所示,排球场总长18m,设网的高度为2m,运动员站在网前的3m线上正对网前紧直跳起把球水平击出。若击球点的高度不够,无论球被水平击出的速度多大,球不是触网就是出界,因此击球点的高度应不低于。答案:2.13m8.当千分尺的两个小砧合拢时,会听到“嗒”、“嗒”声响,此时若套筒上可动刻度的零刻线与固定刻度的零刻线不重合,说明该千分尺存在零误差,如图甲所示,零误差为mm,用这个千分尺去测量长度时,实际长度就是读数与这个零误差的修正值.若用这个千分尺测某滚球珠直径时的显示如图乙所示,则滚珠的实际直径为d0=mm.答案:-0.010;2.6309.(1)若以mm为长度的单位,则用下列几种测量工具测量物体长度时,分别可准确读到小数点后第几位(不包括估读)?直尺;十分度的游标卡尺;螺旋测微器。(2)中学实验中,用单摆测重力加速度的实验时,摆球的直径和摆线长大约是多少?摆球直径;摆线长。答案:(1)012(2)略10.用金属制成的线材(如纲丝、钢筋)受到的拉力会伸长,17世纪英国物理学家胡克发现,金属丝或金属杆在弹性限度内的伸长与拉力成正比,这就是著名的胡克定律.这个发现为后人对材料的研究奠定了重要的基础.现有一根用新材料制成的金属杆,长为4m,横截面积为0.8cm2,设计要求它受到拉力后的伸长不超过原长的1/1000,由于这一拉力很大,杆又较长,直接测试有困难,就选用同种材料制成样品进行测试,通过测试取得数据如下:(1)根据测试结果,推导出线材伸长x与材料的长度L、材料的横截面积S及拉力F的函数关系为。(2)在寻找上述关系中,你运用哪种科学研究方法?。(3)通过对样品的测试,求出新材料制成的金属细杆能承受的最大拉力约。答案:(1)(其中k为比例系数);(2)控制条件法(或控制变量法、单因子法、归纳法);(3)104N11.在一些实验中需要较准确地测量物体转过的角度,为此人们设计了这样的仪器:一个可特动的圆盘,在圆盘的边缘标有刻度(称为主尺),圆盘外侧有一个固定不动的圆弧状的游标尺,如图所示(图中画了圈盘的一部分和游标尺).圆盘上刻出对应的圆心角,游标尺上把与主尺上190对应的圆心角等分成10个格。试根据图中所示的情况读出此时...

1、当您付费下载文档后,您只拥有了使用权限,并不意味着购买了版权,文档只能用于自身使用,不得用于其他商业用途(如 [转卖]进行直接盈利或[编辑后售卖]进行间接盈利)。
2、本站所有内容均由合作方或网友上传,本站不对文档的完整性、权威性及其观点立场正确性做任何保证或承诺!文档内容仅供研究参考,付费前请自行鉴别。
3、如文档内容存在违规,或者侵犯商业秘密、侵犯著作权等,请点击“违规举报”。

碎片内容

高考物理 考前预测实验题冲刺训练 力学

文章天下+ 关注
实名认证
内容提供者

各种文档应有尽有

确认删除?
VIP
微信客服
  • 扫码咨询
会员Q群
  • 会员专属群点击这里加入QQ群
客服邮箱
回到顶部