电脑桌面
添加小米粒文库到电脑桌面
安装后可以在桌面快捷访问

德龙钢铁-发展规划办非满意度评价指标信息量化表VIP免费

德龙钢铁-发展规划办非满意度评价指标信息量化表_第1页
1/1
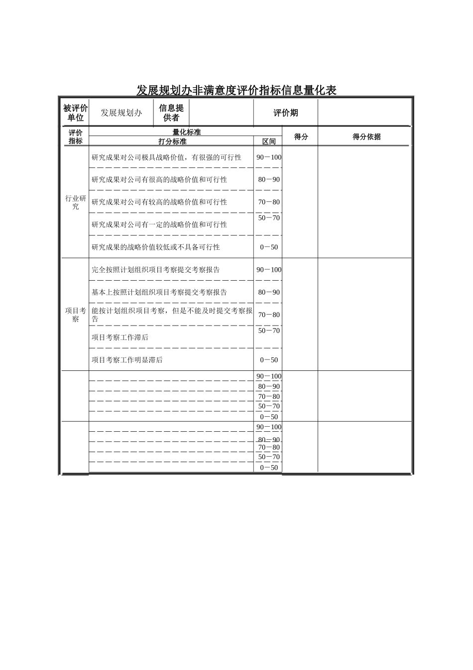
发展规划办非满意度评价指标信息量化表被评价单位发展规划办信息提供者评价期评价指标量化标准得分得分依据打分标准区间行业研究研究成果对公司极具战略价值,有很强的可行性90-100研究成果对公司有很高的战略价值和可行性80-90研究成果对公司有较高的战略价值和可行性70-80研究成果对公司有一定的战略价值和可行性50-70研究成果的战略价值较低或不具备可行性0-50项目考察完全按照计划组织项目考察提交考察报告90-100基本上按照计划组织项目考察提交考察报告80-90能按计划组织项目考察,但是不能及时提交考察报告70-80项目考察工作滞后50-70项目考察工作明显滞后0-5090-10080-9070-8050-700-5090-10080-9070-8050-700-50

1、当您付费下载文档后,您只拥有了使用权限,并不意味着购买了版权,文档只能用于自身使用,不得用于其他商业用途(如 [转卖]进行直接盈利或[编辑后售卖]进行间接盈利)。
2、本站所有内容均由合作方或网友上传,本站不对文档的完整性、权威性及其观点立场正确性做任何保证或承诺!文档内容仅供研究参考,付费前请自行鉴别。
3、如文档内容存在违规,或者侵犯商业秘密、侵犯著作权等,请点击“违规举报”。

碎片内容

德龙钢铁-发展规划办非满意度评价指标信息量化表

中小学资料+ 关注
实名认证
内容提供者

精美课件,值得下载

确认删除?
VIP
微信客服
  • 扫码咨询
会员Q群
  • 会员专属群点击这里加入QQ群
客服邮箱
回到顶部