电脑桌面
添加小米粒文库到电脑桌面
安装后可以在桌面快捷访问

建筑工程量计算实例VIP免费

建筑工程量计算实例_第1页
1/33
建筑工程量计算实例_第2页
2/33
建筑工程量计算实例_第3页
3/33
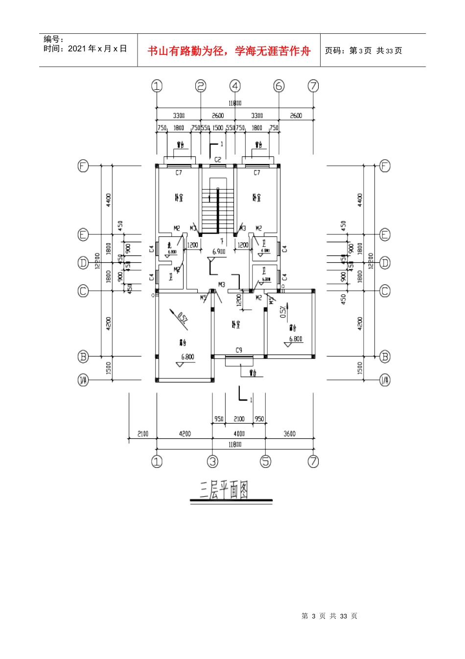
第1页共33页编号:时间:2021年x月x日书山有路勤为径,学海无涯苦作舟页码:第1页共33页2、计算图示工程各层建筑面积及总建筑面积第2页共33页第1页共33页编号:时间:2021年x月x日书山有路勤为径,学海无涯苦作舟页码:第2页共33页第3页共33页第2页共33页编号:时间:2021年x月x日书山有路勤为径,学海无涯苦作舟页码:第3页共33页第4页共33页第3页共33页编号:时间:2021年x月x日书山有路勤为径,学海无涯苦作舟页码:第4页共33页第5页共33页第4页共33页编号:时间:2021年x月x日书山有路勤为径,学海无涯苦作舟页码:第5页共33页第6页共33页第5页共33页编号:时间:2021年x月x日书山有路勤为径,学海无涯苦作舟页码:第6页共33页1、计算图示工程平整场地工程量(清单规范规则)、各层建筑面积及总建筑面积(99重庆规则)。(18分)解:平整场地=153.19m2(2分)一层面积=153.19m2(5分)二层面积=128.98m2(5分)三层面积=95.59m2(5分)总建筑面积=377.78m2(1分)(工程量计算格式不限,计算结果±1m2以内得分。)案例2某建筑物如下图所示。内、外墙与基础均为MU7.5灰砂标砖砖砌,均用M7.5水泥石灰砂浆砌筑。土壤为三类土,不考虑弃土运距5km。内、外砖墙厚度均为240mm,外墙为单面清水砖墙,M7.5水泥砂浆勾缝。圈梁断面为240mm×180mm,用C20混凝土(碎石粒径5-20,特细沙)沿内外墙每层及基础设置,纵向钢筋4φ8,箍筋φ6@200,135o弯钩。层高均为3000mm,板厚120mm,无女儿墙。内外墙基础均为三级等高大放脚砖基础,断面相同如图所示,砖基础下为C10混凝土垫层(混凝土碎石粒径5-20,特细沙)。门窗洞口尺寸为:M-l尺寸为900mm×2400mm;C-1尺寸为1800mm×1500mm。试依据所提供资料,编制分部分项工程量清单(钢筋锚固、搭接量按0.0533的系数计算)。(42分第7页共33页第6页共33页编号:时间:2021年x月x日书山有路勤为径,学海无涯苦作舟页码:第7页共33页第8页共33页第7页共33页编号:时间:2021年x月x日书山有路勤为径,学海无涯苦作舟页码:第8页共33页第9页共33页第8页共33页编号:时间:2021年x月x日书山有路勤为径,学海无涯苦作舟页码:第9页共33页第10页共33页第9页共33页编号:时间:2021年x月x日书山有路勤为径,学海无涯苦作舟页码:第10页共33页第11页共33页第10页共33页编号:时间:2021年x月x日书山有路勤为径,学海无涯苦作舟页码:第11页共33页分部分项工程量清单工程名称:某三层建筑物第页共页序号清单项目项目名称计量单位工程数量l第12页共33页第11页共33页编号:时间:2021年x月x日书山有路勤为径,学海无涯苦作舟页码:第12页共33页[解](共42分)1、计算工程量序号项目编码项目名称计算式工程量单位备注外墙中心线=(3.6+3.6+5.4+3.6+5.4)*243.20m内墙净长线=(5.4-0.24)*210.32m三层相同内墙下基础垫层净长线=(5.4-0.815)*29.17m1010101001001平整场地=(3.6+3.6+5.4+0.24)*(0.24+3.6+5.4)-(3.6+3.6)*3.692.72m22010101003001挖基础土方=0.815*(43.2+9.17)*1.772.56m3第13页共33页第12页共33页编号:时间:2021年x月x日书山有路勤为径,学海无涯苦作舟页码:第13页共33页3010301001001砖基础=0.5073*(43.2+10.32)27.15m3砖基础断面=1.9*0.24+3*4*0.0625*0.126-0.18*0.240.51m2C10垫层=0.815*(43.2+9.17)*0.14.27m34010302001001实心砖墙外墙=78.59-1.87*372.98m3外墙毛面积=43.2*(9-0.12)383.62m2外墙门窗=1.8*1.5*20+0.9*2.4*156.16m2外墙毛体积=(383.62-56.16)*0.2478.59m35010302001002实心砖墙内墙=19.18-0.45*317.83m3内墙毛面积=10.32*992.88m2内墙门窗=0.9*2.4*612.96m2内墙毛体积=(92.88-12.96)*0.2419.18m36010403004001圈梁=(1.87+0.45)*49.28m3一层外墙圈梁体积=0.18*0.24*43.21.87m3一层内墙圈梁体积=0.18*0.24*10.320.45m37010416001001现浇混凝土钢=(338)*(1+0.0533)+168524kg0.524t第14页共33页第13页共33页编号:时间:2021年x月x日书山有路勤为径,学海无涯苦作舟页码:第14页共33页筋圈梁主筋=(43.2+10.32)*4*4*0.395338kg圈梁箍筋=0.6988*1084*0.222168kg圈梁箍筋单长=(0.18-0.05+0.24-0.05)*2+4.9*0.006*20.6988m圈梁箍筋支数=...

1、当您付费下载文档后,您只拥有了使用权限,并不意味着购买了版权,文档只能用于自身使用,不得用于其他商业用途(如 [转卖]进行直接盈利或[编辑后售卖]进行间接盈利)。
2、本站所有内容均由合作方或网友上传,本站不对文档的完整性、权威性及其观点立场正确性做任何保证或承诺!文档内容仅供研究参考,付费前请自行鉴别。
3、如文档内容存在违规,或者侵犯商业秘密、侵犯著作权等,请点击“违规举报”。

碎片内容

建筑工程量计算实例

您可能关注的文档

确认删除?
VIP
微信客服
  • 扫码咨询
会员Q群
  • 会员专属群点击这里加入QQ群
客服邮箱
回到顶部