电脑桌面
添加小米粒文库到电脑桌面
安装后可以在桌面快捷访问

建设工程归档要求VIP免费

建设工程归档要求_第1页
1/9
建设工程归档要求_第2页
2/9
建设工程归档要求_第3页
3/9
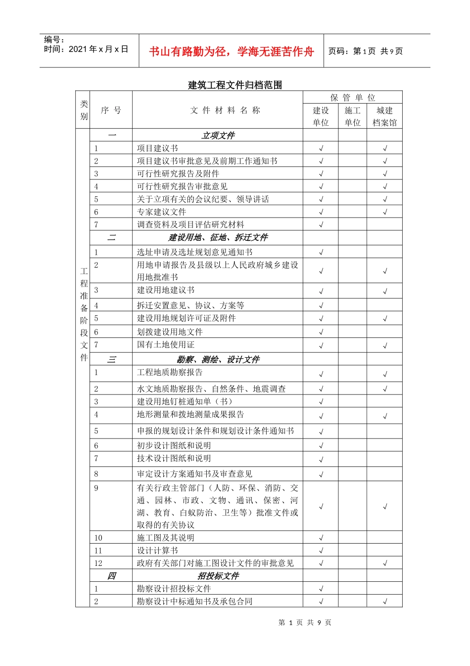
第1页共9页编号:时间:2021年x月x日书山有路勤为径,学海无涯苦作舟页码:第1页共9页建筑工程文件归档范围类别序号文件材料名称保管单位建设单位施工单位城建档案馆工程准备阶段文件一立项文件1项目建议书√√2项目建议书审批意见及前期工作通知书√√3可行性研究报告及附件√√4可行性研究报告审批意见√√5关于立项有关的会议纪要、领导讲话√√6专家建议文件√√7调查资料及项目评估研究材料√二建设用地、征地、拆迁文件1选址申请及选址规划意见通知书√2用地申请报告及县级以上人民政府城乡建设用地批准书√√3建设用地建议书√√4拆迁安置意见、协议、方案等√5建设用地规划许可证及附件√√6划拨建设用地文件√7国有土地使用证√√三勘察、测绘、设计文件1工程地质勘察报告√√2水文地质勘察报告、自然条件、地震调查√√3建设用地钉桩通知单(书)√4地形测量和拨地测量成果报告√√5申报的规划设计条件和规划设计条件通知书√6初步设计图纸和说明√7技术设计图纸和说明√8审定设计方案通知书及审查意见√9有关行政主管部门(人防、环保、消防、交通、园林、市政、文物、通讯、保密、河湖、教育、白蚁防治、卫生等)批准文件或取得的有关协议√√10施工图及其说明√11设计计算书√12政府有关部门对施工图设计文件的审批意见√√四招投标文件1勘察设计招投标文件√2勘察设计中标通知书及承包合同√√第2页共9页第1页共9页编号:时间:2021年x月x日书山有路勤为径,学海无涯苦作舟页码:第2页共9页工程准备阶段文件3施工招投标文件√4施工中标通知书及承包合同√√√5工程监理招投标文件√6监理中标通知书及委托合同√√五开工审批文件1建设项目列入年度计划的申报文件√2建设项目列入年度计划的批复文件或年度计划项目表√3规划审批申报表及报送的文件和图纸√4标准地名使用证√√5建设工程规划许可证及附件√√6建设工程开工审查表√7建设工程施工许可证√√8投资许可证、审计证明、缴纳绿化建设费等证明√9工程质量监督手续√√10安全监督手续√六财务文件1工程投资估算材料√2工程设计概算材料√3施工图预算材料√4施工预算√七建设、施工、监理机构及负责人1工程项目管理机构(项目经理部)及负责人名单√2工程项目监理机构(项目监理部)及负责人名单√3工程项目施工管理机构(施工项目经理部)及负责人名单√√监理文件一监理规划1监理规划√2监理实施细则√3监理部总控制计划等√二进度控制1工程开工/复工审批表√√2工程开工/复工暂停令√√3有关进度控制的监理通知√4有关进度控制的回复单√5施工进度计划(调整计划)报审表√第3页共9页第2页共9页编号:时间:2021年x月x日书山有路勤为径,学海无涯苦作舟页码:第3页共9页监理文件6工程延期报审计审批√三质量控制1有关质量控制的监理通知√2有关质量控制的回复单√3质量事故报告及处理结果√√√4不合格项目处理方案及处理结果√√四造价控制1有关造价控制的监理通知√2有关造价控制的回复单√3预付款报审与支付√√4付款报审与支付√√5设计变更、洽商费用报审与签认√√6工程竣工决算审核意见书√√√五分包资质1分包单位资质材料√2供货单位资质材料√3试验等单位资质材料√六合同与其他事项管理1费用索赔报告及审批√√2合同争议、违约报告及处理意见√√3合同变更材料√√七.监理工作总结1专题总结√2月报总结√3工程竣工总结√√4工程竣工监理验收评估报告√√施工文件一施工管理文件(一)施工现场质量管理检查记录√√√1现场质量管理制度.√√2质量责任制√√3主要专业工种操作上岗证书√√4分包方资质与对分包单位的管理制度√√5施工图审查情况√√6施工组织设计、施工方案及审批√√7施工技术标准√√8工程质量检验制度√√9搅拌站及计量设置√√第4页共9页第3页共9页编号:时间:2021年x月x日书山有路勤为径,学海无涯苦作舟页码:第4页共9页施工文件10现场材料、设备存放与管理√√11其它二工程质量控制资料(一)建筑与结构工程1图纸会审、设计变更、洽商记录√√√2工程定位测量、放线记录√√√3原材料出厂合格证及进场检(试)验报告√√4施工试验报告及见证检测报告√√5隐蔽工程验收记录√...

1、当您付费下载文档后,您只拥有了使用权限,并不意味着购买了版权,文档只能用于自身使用,不得用于其他商业用途(如 [转卖]进行直接盈利或[编辑后售卖]进行间接盈利)。
2、本站所有内容均由合作方或网友上传,本站不对文档的完整性、权威性及其观点立场正确性做任何保证或承诺!文档内容仅供研究参考,付费前请自行鉴别。
3、如文档内容存在违规,或者侵犯商业秘密、侵犯著作权等,请点击“违规举报”。

碎片内容

建设工程归档要求

您可能关注的文档

确认删除?
VIP
微信客服
  • 扫码咨询
会员Q群
  • 会员专属群点击这里加入QQ群
客服邮箱
回到顶部