电脑桌面
添加小米粒文库到电脑桌面
安装后可以在桌面快捷访问

专项脚手架施工方案VIP免费

专项脚手架施工方案_第1页
1/19
专项脚手架施工方案_第2页
2/19
专项脚手架施工方案_第3页
3/19
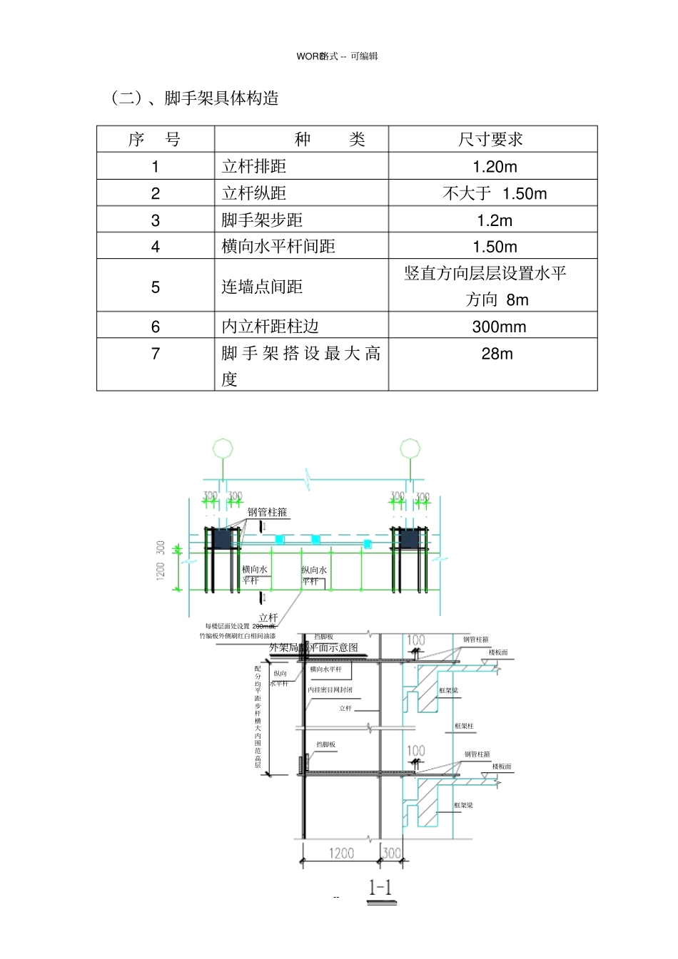
WORD格式--可编辑--一、工程概况梧州市福兴时代广场5#楼工程,位于梧州市长洲区,红岭路7号,滨临香城小区。主体设计使用年限为50年,耐火等级为一级;防火等级为一级;防水地下室为一级,屋面为二级;地下室为六级人防。总建筑面积约27000平方米,地下室一层,主体结构地上六层,建筑高度为32.m,其中地下室为人防地下室。±0.00相当于绝对标高30.00米,基底标高约为25.15~25.05米。基础采用CFG桩复合地基,钢筋混凝土筏板基础,主体工程为全现浇钢筋混凝土框架剪力墙结构。二、编制依据1、《建筑施工扣件式钢管脚手架安全技术规范》(JGJ130-2001)2、《建筑施工高处作业安全技术规范》(JGJ80-91)3、建设部部颁标准《建筑施工安全检查标准(JGJ59-99)》4、中国建筑工业出版《建筑施工脚手架实用手册》5、梧州市福兴时代广场5#楼工程6、梧州市福兴时代广场5#楼工程施工组织设计三、脚手架构造(一)、脚手架类型脚手架采用单立杆双排扣件式钢管架,沿建筑物四周交圈布置。WORD格式--可编辑--(二)、脚手架具体构造序号种类尺寸要求1立杆排距1.20m2立杆纵距不大于1.50m3脚手架步距1.2m4横向水平杆间距1.50m5连墙点间距竖直方向层层设置水平方向8m6内立杆距柱边300mm7脚手架搭设最大高度28m外架局部平面示意图钢管柱箍纵向水平杆横向水平杆立杆内挂密目网封闭钢管柱箍层高范围内大横杆步距平均分配挡脚板挡脚板每楼层面处设置200mm高竹编板外侧刷红白相间油漆钢管柱箍框架柱楼板面框架梁立杆纵向水平杆横向水平杆楼板面框架梁WORD格式--可编辑--1、架子基础架子座落地基做80mm厚C10混凝土地坪,以保证地基不变形,作成自内向外3%的坡度。脚手架外侧设置排水沟。沿脚手架纵向(横向)设置50×200mm垫板(垫板长度不小于两跨),垫板必须铺放平稳、不得悬空。在垫板上放150mm×150mm×8mm钢板底座(钢板中心焊100mm长Φ25钢筋短棍),脚手架立杆放在底座上。并使同一垫板上立杆数量不少于2根。外架基础示意图2、立杆在纵向水平杆与立杆的交点处,必须设置横向水平杆卡牢,立杆接头与相近的纵向水平杆的距离不得大于步距的三分之一。立杆与纵向水平杆必须以十字扣件扣紧,不得隔步设置或遗漏。立杆采用“一”字扣件连接,相邻立杆接头必须错开500mm,且不得在同一步架内。为避免架子受力不均匀,在立杆底部设纵横向扫地杆,扫地杆距垫板200mm。开始搭设立杆时,每隔6m设置一根抛撑。抛撑与地面10003%底座放在200×50通长木板上300×300排水沟扫地杆框架柱立杆第一道拉接杆1200WORD格式--可编辑--夹角在45o~60o之间,连接点中心至主节点的距离300mm。至连墙杆安装稳定后,根据情况拆除抛撑。3、纵向水平杆纵向水平杆尽量采用6m的钢管,减少杆件接头,设置在立杆内侧,四周交圈。上下接头位置必须错开500mm,布置在不同的立杆纵距中,与相近的立杆的距离不大于纵距的三分之一。h-步距4、横向水平杆贴近立杆布置,搭于纵向水平横杆之上,并用直角扣件扣紧,在相邻立杆之间根据需要加设一根或两根。在任何情况下均不得拆除贴近立杆的横向水平杆,其横向水平杆间距铺设脚手板时不得大于1m。靠墙一端的外伸长度400mm。5、拉接杆拉接杆紧贴楼板面,垂直方向层层设置(层高4.8m),楼层中部设置一道拉结点;水平方向每根框架柱两侧各设置两≥500纵向水平杆对接接头布置(a)(a)接头不在同步内(立面);(b)接头不在同跨内(平面)1-立杆;2-纵向水平杆;3-横向水平杆hhLL3a≤L/3AA21LbA-A≥500a≤L/3(b)321WORD格式--可编辑--道。在框架柱根部用φ48钢管形成钢管柱箍,对双排架进行拉接。钢管一端与双排架连接,一端设置横向水平杆用十字扣件连接(在立杆与大横杆交叉处,拉接钢管应与立杆扣件连接)。在搭设完该处的立杆、纵向水平杆、横向水平杆后,应立即设置拉接杆。6、剪刀撑与立杆、水平杆同步搭设,在外侧立面整个长度和高度上连续设置,与地面夹角45o~60o,每道剪刀撑跨越7根立杆。剪刀撑钢管接头应用两只旋转扣件进行搭接,接头长度不得小于500mm。剪刀撑每节两端应用旋转扣件与立杆或横向水平杆扣牢。外架拉接示意图纵向水平杆立杆钢管柱箍WORD格式--可编辑--7、横向斜撑在架子拐...

1、当您付费下载文档后,您只拥有了使用权限,并不意味着购买了版权,文档只能用于自身使用,不得用于其他商业用途(如 [转卖]进行直接盈利或[编辑后售卖]进行间接盈利)。
2、本站所有内容均由合作方或网友上传,本站不对文档的完整性、权威性及其观点立场正确性做任何保证或承诺!文档内容仅供研究参考,付费前请自行鉴别。
3、如文档内容存在违规,或者侵犯商业秘密、侵犯著作权等,请点击“违规举报”。

碎片内容

专项脚手架施工方案

爱的疯狂+ 关注
实名认证
内容提供者

该用户很懒,什么也没介绍

确认删除?
VIP
微信客服
  • 扫码咨询
会员Q群
  • 会员专属群点击这里加入QQ群
客服邮箱
回到顶部