电脑桌面
添加小米粒文库到电脑桌面
安装后可以在桌面快捷访问

(江苏专用)高考化学大二轮总复习 压轴题型提分练三 物质制备定性探究型-人教版高三全册化学试题VIP免费

(江苏专用)高考化学大二轮总复习 压轴题型提分练三 物质制备定性探究型-人教版高三全册化学试题_第1页
1/5
(江苏专用)高考化学大二轮总复习 压轴题型提分练三 物质制备定性探究型-人教版高三全册化学试题_第2页
2/5
(江苏专用)高考化学大二轮总复习 压轴题型提分练三 物质制备定性探究型-人教版高三全册化学试题_第3页
3/5
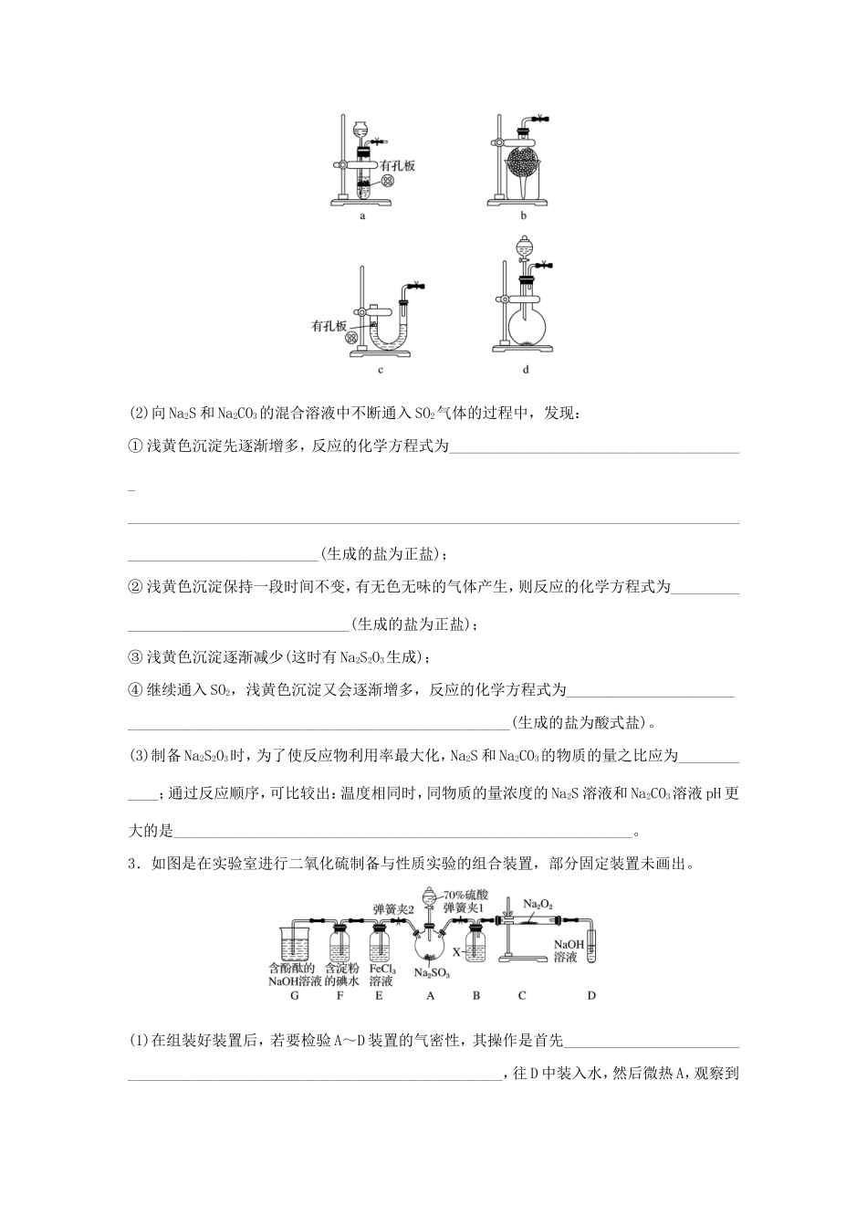
题型三物质制备定性探究型1.某化学兴趣小组的同学利用下图所示实验装置进行某些气体的制备、物质性质的探究等实验(图中夹持装置省略)。请按要求填空:(1)实验室制取SO2气体时,可选择的合适试剂________(选填编号)。A.15%的H2SO4溶液B.75%的H2SO4溶液C.Na2SO3固体D.CaSO3固体相应的制取装置是________(填上图中装置下方编号)。(2)实验室若用装置①来制取H2S气体,可选择的固体反应物是________(选填编号)。A.Na2S固体B.CuS固体C.FeS固体D.FeS2固体反应的离子方程式为__________________________________________________________。(3)如何检验装置①的气密性?简述其操作:_______________________________________________________________________________________________________________。(4)实验室里可用浓硫酸和无水酒精反应制取乙烯,除了题中的仪器外,制取装置中还缺少的玻璃仪器是________________。(5)该化学兴趣小组为探究制备乙烯是否存在副产物SO2和CO2,制备的气体从发生装置出来除去乙烯后依次选择了装置②、④、⑤,其中装置②盛有的试剂是________,装置④盛有的试剂是________。2.硫代硫酸钠(Na2S2O3)具有较强的还原性,还能与中强酸反应,在精细化工领域应用广泛。将SO2通入按一定比例配制成的Na2S和Na2CO3的混合溶液中,可制得Na2S2O3·5H2O(大苏打)。(1)实验室用Na2SO3和硫酸制备SO2,可选用的气体发生装置是________(填编号);检查该装置气密性的操作是:关闭止水夹,再________________________________________________________________________。(2)向Na2S和Na2CO3的混合溶液中不断通入SO2气体的过程中,发现:①浅黄色沉淀先逐渐增多,反应的化学方程式为________________________________________________________________________________________________________________________________________________(生成的盐为正盐);②浅黄色沉淀保持一段时间不变,有无色无味的气体产生,则反应的化学方程式为______________________________________(生成的盐为正盐);③浅黄色沉淀逐渐减少(这时有Na2S2O3生成);④继续通入SO2,浅黄色沉淀又会逐渐增多,反应的化学方程式为________________________________________________________________________(生成的盐为酸式盐)。(3)制备Na2S2O3时,为了使反应物利用率最大化,Na2S和Na2CO3的物质的量之比应为____________;通过反应顺序,可比较出:温度相同时,同物质的量浓度的Na2S溶液和Na2CO3溶液pH更大的是____________________________________________________________。3.如图是在实验室进行二氧化硫制备与性质实验的组合装置,部分固定装置未画出。(1)在组装好装置后,若要检验A~D装置的气密性,其操作是首先________________________________________________________________________,往D中装入水,然后微热A,观察到D中有气泡冒出,移开酒精灯或松开双手,D中导管有水柱形成且高度保持不变,说明装置气密性良好。(2)装置B中试剂X是________,装置D中盛放NaOH溶液的作用是________________________________________________________________________。(3)关闭弹簧夹2,打开弹簧夹1,注入硫酸至浸没三颈烧瓶中固体,检验SO2与Na2O2反应是否有氧气生成的操作及现象是______________________________。(4)关闭弹簧夹1后,打开弹簧夹2,残余气体进入E、F、G中,能说明I-还原性弱于SO2的现象为________________________________;发生反应的离子方程式是______________________________________。(5)为了验证E中SO2与FeCl3发生了氧化还原反应,设计了如下实验:取E中的溶液,往溶液中加入用稀硝酸酸化的BaCl2溶液,产生白色沉淀,说明SO2与FeCl3发生了氧化还原反应。上述方案是否合理?________(填“合理”或“不合理”),原因是____________________________。(6)实验过程中G中含酚酞的NaOH溶液逐渐褪色,此实验证明SO2具有漂白性还是其溶于水显酸性?请设计实验验证:________________________________________________________________________。4.某校化学研究性学习小组查阅资料了...

1、当您付费下载文档后,您只拥有了使用权限,并不意味着购买了版权,文档只能用于自身使用,不得用于其他商业用途(如 [转卖]进行直接盈利或[编辑后售卖]进行间接盈利)。
2、本站所有内容均由合作方或网友上传,本站不对文档的完整性、权威性及其观点立场正确性做任何保证或承诺!文档内容仅供研究参考,付费前请自行鉴别。
3、如文档内容存在违规,或者侵犯商业秘密、侵犯著作权等,请点击“违规举报”。

碎片内容

(江苏专用)高考化学大二轮总复习 压轴题型提分练三 物质制备定性探究型-人教版高三全册化学试题

您可能关注的文档

文章天下+ 关注
实名认证
内容提供者

各种文档应有尽有

相关文档

确认删除?
VIP
微信客服
  • 扫码咨询
会员Q群
  • 会员专属群点击这里加入QQ群
客服邮箱
回到顶部