电脑桌面
添加小米粒文库到电脑桌面
安装后可以在桌面快捷访问

高考物理总复习 第6讲 力的合成和分解讲义-人教版高三物理试题VIP免费

高考物理总复习 第6讲 力的合成和分解讲义-人教版高三物理试题_第1页
1/11
高考物理总复习 第6讲 力的合成和分解讲义-人教版高三物理试题_第2页
2/11
高考物理总复习 第6讲 力的合成和分解讲义-人教版高三物理试题_第3页
3/11
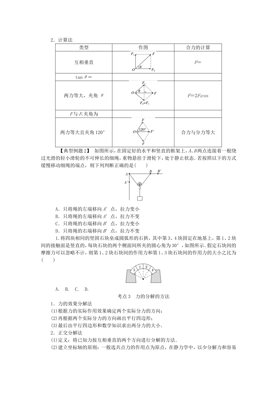
第6讲力的合成和分解考情剖析考查内容考纲要求考查年份考查详情能力要求力的合成和分解Ⅱ15年T3—选择,运用力的合成判断物体的运动推理16年T14(1)—计算,重力斜面模型上的分解应用数学处理物理问题17年T14—计算,结合共点力平衡,考查力的合成与分解分析综合、应用数学处理物理问题弱项清单,1.力的分解的多解性,不能熟练画出动态平行四边形分析力的变化2.三角函数关系掌握不到位3.作图不准确,几何关系把握不准确知识整合一、合力与分力1.定义:如果几个力共同作用产生的效果与一个力的作用效果相同,这一个力就叫做那几个力的________,那几个力叫做这一个力的________.2.关系:合力与分力是____________关系.3.共点力:作用在物体的______________,或作用线的____________交于一点的力.二、力的合成和分解1.定义:求几个力的合力叫____________,求一个力的分力叫____________.2.运算定则(1)平行四边形定则:如果用表示两个共点力F1和F2的线段为邻边作平行四边形,那么________________就表示合力F的大小和方向,如图甲所示.甲乙(2)三角形定则:求两个互成角度的共点力F1、F2的合力,可以把表示F1、F2的线段首尾相接地画出,把F1、F2的另外两端连接起来,则此连线就表示________________,如图乙所示.(3)多个力的合成:可将这些分力首尾相接,它们的合力为从第一个力的首端指向最后一个力的尾端,此法称为____________.(4)正交分解法:这是求多个力的合力常用的方法.把每个力都分解到互相垂直的两个方向上,分别求这两个方向的力的代数和Fx、Fy,然后再求合力:F=____________.方法技巧考点1分力和合力的关系1.合力范围的确定(1)两个共点力的合力范围:|F1-F2|≤F≤F1+F2,即两个力的大小不变时,其合力随夹角的增大而减小.当两力反向时,合力最小,为|F1-F2|;当两力同向时,合力最大,为F1+F2.(2)三个共面共点力的合力范围:①三个力共线且方向相同时,其合力最大为F=F1+F2+F3.②以这三个力的大小为边,如果能组成封闭的三角形,则其合力最小为零,若不能组成封闭的三角形,则合力最小值的大小等于最大的一个力减去另外两个力的和.2.合力F可能比分力大,也可能比分力小,还可能等于某个分力的大小.【典型例题1】已知两个共点力的合力为50N,分力F1的方向与合力F的方向成30°角,分力F2的大小为30N.则()A.F1的大小是唯一的B.F2的方向是唯一的C.F2有两个可能的方向D.F2可取任意方向考点2共点力合成的方法1.作图法2.计算法类型作图合力的计算互相垂直F=tanθ=两力等大,夹角θF=2F1cosF与F1夹角为两力等大且夹角120°合力与分力等大【典型例题2】如图所示,在固定好的水平和竖直的框架上,A、B两点连接着一根绕过光滑的轻小滑轮的不可伸长的细绳,重物悬挂于滑轮下,处于静止状态.若按照以下的方式缓慢移动细绳的端点,则下列判断正确的是()A.只将绳的左端移向A′点,拉力变小B.只将绳的左端移向A′点,拉力不变C.只将绳的右端移向B′点,拉力变小D.只将绳的右端移向B′点,拉力不变1.将四块相同的坚固石块垒成圆弧形的石拱,其中第3、4块固定在地基上,第1、2块间的接触面是竖直的,每块石块的两个侧面间所夹的圆心角为30°,如图所示.假定石块间的摩擦力可以忽略不计,则第1、2块石块间的作用力和第1、3块石块间的作用力的大小之比为()A.B.C.D.考点3力的分解的方法1.力的效果分解法(1)根据力的实际作用效果确定两个实际分力的方向;(2)再根据两个实际分力的方向画出平行四边形;(3)最后由平行四边形和数学知识求出两分力的大小.2.正交分解法(1)定义:将已知力按互相垂直的两个方向进行分解的方法.(2)建立坐标轴的原则:一般选共点力的作用点为原点,在静力学中,以少分解力和容易分解力为原则(即尽量多的力在坐标轴上);在动力学中,以加速度方向和垂直加速度方向为坐标轴建立坐标系.(3)方法:物体受到多个力作用F1、F2、F3…,求合力F时,可把各力沿相互垂直的x轴、y轴分解.x轴上的合力:Fx=Fx1+Fx2+Fx3+…y轴上的合力:Fy=Fy1+Fy2+Fy3+…合力大小:F=合力方向:与x轴夹角为θ,则tanθ=.3.力的分解的几种...

1、当您付费下载文档后,您只拥有了使用权限,并不意味着购买了版权,文档只能用于自身使用,不得用于其他商业用途(如 [转卖]进行直接盈利或[编辑后售卖]进行间接盈利)。
2、本站所有内容均由合作方或网友上传,本站不对文档的完整性、权威性及其观点立场正确性做任何保证或承诺!文档内容仅供研究参考,付费前请自行鉴别。
3、如文档内容存在违规,或者侵犯商业秘密、侵犯著作权等,请点击“违规举报”。

碎片内容

高考物理总复习 第6讲 力的合成和分解讲义-人教版高三物理试题

文章天下+ 关注
实名认证
内容提供者

各种文档应有尽有

确认删除?
VIP
微信客服
  • 扫码咨询
会员Q群
  • 会员专属群点击这里加入QQ群
客服邮箱
回到顶部