电脑桌面
添加小米粒文库到电脑桌面
安装后可以在桌面快捷访问

房建工程危险源清单VIP免费

房建工程危险源清单_第1页
1/92
房建工程危险源清单_第2页
2/92
房建工程危险源清单_第3页
3/92
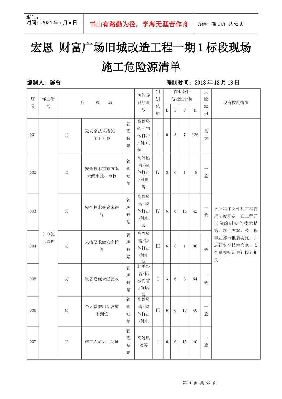
第1页共92页编号:时间:2021年x月x日书山有路勤为径,学海无涯苦作舟页码:第1页共92页宏恩财富广场旧城改造工程一期1标段现场施工危险源清单编制人:陈曾编制时间:2013年12月18日序号作业活动危险源可能导致的事故判别依据作业条件危险性评价风险级别现有控制措施LECD001(一)施工管理1)无安全技术措施、施工方案管理缺陷高处坠落/物体打击/触电等Ⅰ637126重大按照程序文件和工程管理制度规定,在工程开工前编制安全技术措施、施工方案,经工程事业部审批后实施,并进行安全技术交底,安全员按规定进行检查把关0022)安全技术措施方案未经审批、审核管理缺陷高处坠落/物体打击/触电等Ⅳ36118一般0033)安全技术交底未进行管理缺陷高处坠落/物体打击/触电等Ⅳ661542一般0044)未按要求做安全检查管理缺陷高处坠落/物体打击/触电等Ⅲ66136一般0055)设备设施未经验收管理缺陷起重伤害/机械伤害/倒塌等Ⅰ36354一般0066)个人防护用品发放不到位管理缺陷高处坠落/物体打击/触电等Ⅲ661540一般0077)施工人员无上岗证管理缺陷高处坠落等Ⅰ661540一般第2页共92页第1页共92页编号:时间:2021年x月x日书山有路勤为径,学海无涯苦作舟页码:第2页共92页序号作业活动危险源可能导致的事故判别依据作业条件危险性评价风险级别现有控制措施LECD008(二)基础施工作业1)挖土方时采用掏挖、反坡的方法违章作业坍塌Ⅴ31721一般编制转向施工方案,审批后进行技术交底,现场检查严格把关0092)基础护坡不及时管理缺陷坍塌Ⅲ61742一般0103)土方施工时放坡不符合要求防护缺陷坍塌Ⅴ31721一般按方案进行检查把关0114)基础沉箱护壁强度不够设备设施缺坍塌Ⅳ667252重大加强护壁的强度等级0125)开挖深度超过1.5米的沟槽,未按标准设围栏防护和密目安全网封挡防护缺陷坍塌高处坠落Ⅲ36354一般按标准设置围档防护和密目安全网封档0136)超过2米的沟槽,未设上下通道,危险处未设红色标志灯防护缺陷信坍塌高处坠落Ⅴ36118一般设置上下通道,及红色标志灯0147)在沟、坑、槽1米内堆土、料、机违章操作坍塌/高处坠落Ⅴ16742一般现场检查把关0158)机械设备施工与槽边距离不符合规定,又无措施违章指挥坍塌Ⅰ3315135重大机械设备施工与槽边距离不小于1.5米,并制定相关措施。0169)未设置有效的排水措施管理缺陷坍塌Ⅳ33327一般制定有效的排水措施第3页共92页第2页共92页编号:时间:2021年x月x日书山有路勤为径,学海无涯苦作舟页码:第3页共92页序号作业活动危险源可能导致的事故判别依据作业条件危险性评价风险级别现有控制措施LECD01710)深度超过5米的基础工程,未到市建委审核备案管理缺陷坍塌Ⅲ36354一般必须到市建委审核备案,否则不准开工。01811)桩孔内气焊作业违章作业火灾Ⅴ16318一般按规定进行检查把关019(三)结构施工(三)结构施工1)外架防护不到位防护缺陷高处坠落物体打击Ⅴ66740一般外架防护要符合规定0202)临边防护不符合要求违章作业管理缺陷高处坠落物体打击Ⅰ6103180重大再周遍安装双层防护栏杆0213)现场预留洞口不按规定防护防护缺陷高处坠落物体打击Ⅰ637126重大洞口大于15×15cm加盖盖板;0224)结构与外架中间防护不到位防护缺陷高处坠落物体打击Ⅲ661542一般安全网防护,按规定进行检查把关0235)四口临边无防护违章作业坍塌Ⅰ663108重大在周遍安装双层防护栏杆0246)使用不合格的钢管扣件违章作业坍塌高处坠落Ⅴ66136一般立即更换不合格扣件,改换为合格扣件。第4页共92页第3页共92页编号:时间:2021年x月x日书山有路勤为径,学海无涯苦作舟页码:第4页共92页序号作业活动危险源可能导致的事故判别依据作业条件危险性评价风险级别现有控制措施LECD0257)模板堆放不符合安全要求违章作业倒塌Ⅲ61742一般模板堆放要符合安全规定0268)塔吊安装完没有及时验收即投入使用管理缺陷机械事故Ⅴ33327一般使用前必须验收0279)塔吊高度超过规定不安装附墙装置违章作业起重伤害倒塌Ⅴ63354一般设附墙装置,按规定进行检查把关02810)振捣器操作人员不戴绝缘手套防护缺陷触电Ⅲ36118一般教育施工人员,现场严格检查。02911)现场临时用电未达到三级配电管理缺陷触电Ⅱ3610180重大临电用电必须达到三级配电。03012)冬...

1、当您付费下载文档后,您只拥有了使用权限,并不意味着购买了版权,文档只能用于自身使用,不得用于其他商业用途(如 [转卖]进行直接盈利或[编辑后售卖]进行间接盈利)。
2、本站所有内容均由合作方或网友上传,本站不对文档的完整性、权威性及其观点立场正确性做任何保证或承诺!文档内容仅供研究参考,付费前请自行鉴别。
3、如文档内容存在违规,或者侵犯商业秘密、侵犯著作权等,请点击“违规举报”。

碎片内容

房建工程危险源清单

您可能关注的文档

确认删除?
VIP
微信客服
  • 扫码咨询
会员Q群
  • 会员专属群点击这里加入QQ群
客服邮箱
回到顶部