电脑桌面
添加小米粒文库到电脑桌面
安装后可以在桌面快捷访问

担保项目调查表VIP免费

担保项目调查表_第1页
1/13
担保项目调查表_第2页
2/13
担保项目调查表_第3页
3/13
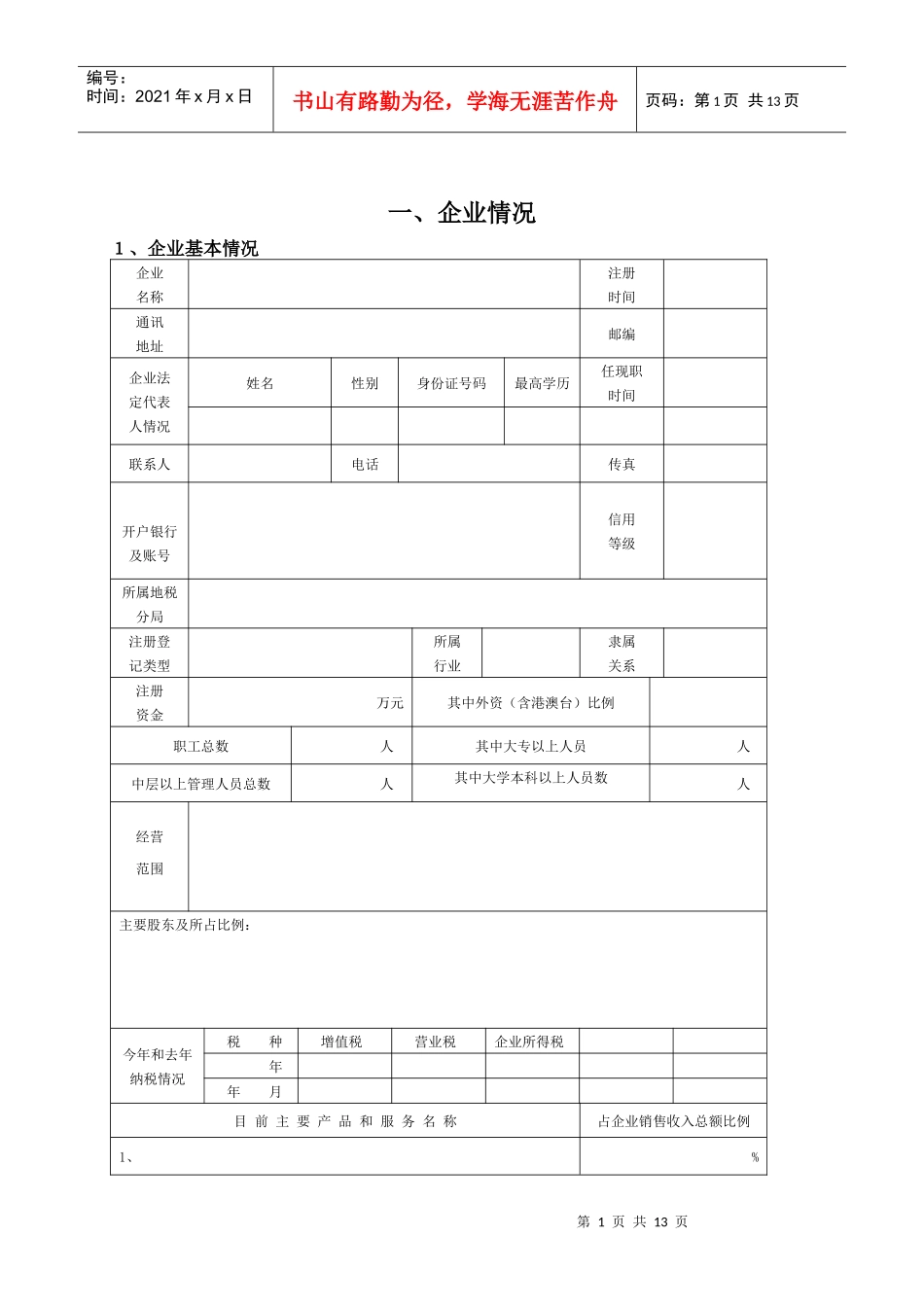
第1页共13页编号:时间:2021年x月x日书山有路勤为径,学海无涯苦作舟页码:第1页共13页一、企业情况1、企业基本情况企业名称注册时间通讯地址邮编企业法定代表人情况姓名性别身份证号码最高学历任现职时间联系人电话传真开户银行及账号信用等级所属地税分局注册登记类型所属行业隶属关系注册资金万元其中外资(含港澳台)比例职工总数人其中大专以上人员人中层以上管理人员总数人其中大学本科以上人员数人经营范围主要股东及所占比例:今年和去年纳税情况税种增值税营业税企业所得税年年月目前主要产品和服务名称占企业销售收入总额比例1、%第2页共13页第1页共13页编号:时间:2021年x月x日书山有路勤为径,学海无涯苦作舟页码:第2页共13页2、%3、%2、企业财务经济状况1)、近三年和当期主要财务与经营状况主要指标年年年年月资产总额1、流动资产货币资产存货应收账款预付账款2、固定资产原值折旧净值3、在建工程4、长期投资5、无形及递延资产负债总额1、流动负债短期借款应付账款2、长期负债所有者权益实收资本资本公积盈余公积未分配利润销售收入销售成本销售利润主营业务利润实现利润净利润2)、财务状况分析第3页共13页第2页共13页编号:时间:2021年x月x日书山有路勤为径,学海无涯苦作舟页码:第3页共13页一、安全性分析:1、▲资产负债率:2、▲流动比率:3、▲速动比率二、流动性分析:1、▲应收账款周转率:2、▲存货周转率:3、固定资产周转率:三、效益性分析1、▲销售利润率:2、▲资产收益率:3、营业成本比率:4、净资产收益率:5、总资产回报率:3)、目前贷款情况第4页共13页第3页共13页编号:时间:2021年x月x日书山有路勤为径,学海无涯苦作舟页码:第4页共13页借款金额期限债权人利率到期日担保方式已还金额余额4)、企业目前对外担保和或有负债情况被担保单位担保方式担保金额期限到期日已还金额余额5)、法律诉讼及仲裁情况原告被告诉讼或仲裁原因诉讼金额3、企业管理情况1)、主要负责人情况姓名职务年龄文化程度何时任职联系电话2)、企业组织结构及职能第5页共13页第4页共13页编号:时间:2021年x月x日书山有路勤为径,学海无涯苦作舟页码:第5页共13页3)、企业资质认证及奖惩情况二、申请担保项目情况1、项目内容(简述申请担保项目的主要内容,应包括项目产品的用途、性能、技术含量、质量、项目预计达到的生产规模、市场占有份额,投资估算及经济效益预测的主要结果)第6页共13页第5页共13页编号:时间:2021年x月x日书山有路勤为径,学海无涯苦作舟页码:第6页共13页2、项目资金情况第7页共13页第6页共13页编号:时间:2021年x月x日书山有路勤为径,学海无涯苦作舟页码:第7页共13页1)、总投资及完成投资情况(介绍项目预计的总投资、说明已完成投资的资金来源及主要用途。)2)、余缺资金的筹措情况(按资金来源道分别说明各项资金来源、预计到位时间、使用条件,利用贷款的要说明贷款条件、利率;企业自有部分应说明筹集计划和可能性)第8页共13页第7页共13页编号:时间:2021年x月x日书山有路勤为径,学海无涯苦作舟页码:第8页共13页三、申请担保贷款情况1、贷款金额:(大写)__________________________________(小写)__________万;2、贷款期限:3、贷款利率:4、拟贷款银行:5、贷款用途:6、还贷资金来源:7、还贷计划及方式:第9页共13页第8页共13页编号:时间:2021年x月x日书山有路勤为径,学海无涯苦作舟页码:第9页共13页四、反担保措施1)、抵押项目内容抵押人抵押物名称座落地点使用及使用人情况原值及净值保险情况2)、质押项目内容出质人质押物名称现值3)、反担保人反担保人名称通信地址及邮编法定代表人及总经理联系人开户银行及账号4)、其它五、调查意见客户经理调查第10页共13页第9页共13页编号:时间:2021年x月x日书山有路勤为径,学海无涯苦作舟页码:第10页共13页意见签字年月日五、初审意见业务第11页共13页第10页共13页编号:时间:2021年x月x日书山有路勤为径,学海无涯苦作舟页码:第11页共13页部门意见签字年月日风险管理部门意见签字年月日六、有关附件1、有关附件要求与申报书纸张大小一致,...

1、当您付费下载文档后,您只拥有了使用权限,并不意味着购买了版权,文档只能用于自身使用,不得用于其他商业用途(如 [转卖]进行直接盈利或[编辑后售卖]进行间接盈利)。
2、本站所有内容均由合作方或网友上传,本站不对文档的完整性、权威性及其观点立场正确性做任何保证或承诺!文档内容仅供研究参考,付费前请自行鉴别。
3、如文档内容存在违规,或者侵犯商业秘密、侵犯著作权等,请点击“违规举报”。

碎片内容

担保项目调查表

您可能关注的文档

确认删除?
VIP
微信客服
  • 扫码咨询
会员Q群
  • 会员专属群点击这里加入QQ群
客服邮箱
回到顶部