电脑桌面
添加小米粒文库到电脑桌面
安装后可以在桌面快捷访问

招投标项目申报表VIP专享VIP免费

招投标项目申报表_第1页
1/11
招投标项目申报表_第2页
2/11
招投标项目申报表_第3页
3/11
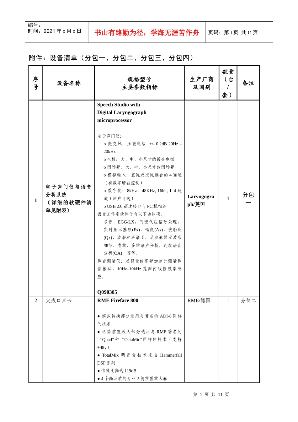
第1页共11页编号:时间:2021年x月x日书山有路勤为径,学海无涯苦作舟页码:第1页共11页附件:设备清单(分包一、分包二、分包三、分包四)序号设备名称规格型号主要参数指标生产厂商及国别数量(台/套)备注1电子声门仪与语音分析系统(详细的软硬件清单见附表)SpeechStudiowithDigitalLaryngographmicroprocessor电子声门仪:o麦克风:压敏电极+/-0.2dB20Hz–20kHzo电极:大、中、小尺寸的镀金电极o围脖带:大、中、小尺寸的围脖带o模拟输入:直流或交流耦合的4通道(有数字增益控制)o数字化:8kHz–48KHz,16bit,1–4通道(用户可选)oUSB2.0高速接口与PC机相连语音工作室软件含有以下功能项:录音,EGG/LX,气流气压信号处理,实时显示基频(Fx)、幅度(Ax)、接触比(Qx)、波形和语谱图,示波器显示波形细节,卷放,多维语声分析,连续语音分析(QA),等等。鼻音测量仪:超轻量的宽带加速计测量鼻音振动,10Hz–10kHz范围内线性频率响应。Q090305Laryngograph/英国1分包一2火线口声卡RMEFireface800●模拟转换部分选用与著名的ADI-8同样的技术●话筒前置放大部分选用与RME著名的“Quad”和“OctaMic”同样的技术(支持+48v)●TotalMix调音台技术来自HammerfallDSP系列●信噪比高达119dB●4个高品质的专业话筒前置放大器RME/德国1分包二第2页共11页第1页共11页编号:时间:2021年x月x日书山有路勤为径,学海无涯苦作舟页码:第2页共11页●8个平衡方式的模拟输入/输出接口(24bit/192kHz)●Hi-Z(吉他、贝司)输入接口具备限幅,失真和音箱模拟控制●立体声模拟/耳机输出●2个ADAT输入/输出接口,可转换成S/PDIF格式●1个每秒400兆的火线端口和2个每秒800兆的火线端口●S/PDIF输入/输出,24bit/192kHz的AES/EBU接口●Wordclock同步输入/输出(BNC),MIDI输入/输出●时间码同步可选择LTC,Video和VITC3便携式火线口声卡M-AudioFireWire410-频响范围:20Hz-40kHz;-动态范围:108dB;-信/噪比:104dB;-总谐波失真:0.00281%技术指标:-4个输入声道和10个输出声道;-2个模拟输入口。提供卡侬、大三芯和大两芯的平衡/非平衡插口。带话筒/乐器放大器、48V幻相供电、最大增益达66dB的音量旋钮、20dB衰减按钮、信号灯、过载灯;-8个模拟输出口,采用非平衡的大两芯插头,每个均带信号/削峰指示灯;-提供立体声监听音量旋钮;-两声道的S/PDIF数字输入和输出,同时提供同轴和光缆两种插口;-1个MIDI输入口和一个MIDI输出口。具独立工作模式,可在不开电脑时收发MIDI信号;-两个立体声耳机输出口,均带音量调节旋钮;-2个高速的火线口,可串接其它火线设备;-提供低延时的软件监听,无延时的直接硬件监听;-数字输出支持AC3和DTS环绕声;M-Audio/美国1分包二第3页共11页第2页共11页编号:时间:2021年x月x日书山有路勤为径,学海无涯苦作舟页码:第3页共11页-通过附带的BassManagement软件,8个模拟输出口可输出多达7.1个声道的环绕声节目;-可通过火线口由计算机供电,也可以使用外接电源供电,并脱离电脑独立工作;-体积:半U宽,1U厚。4USB声卡M-AudioFastTrackUltra●所有输入/输出可同时在24-bit/96kHz下工作●高速USB2.0音频接口●MXCoreDSP技术●听湿录干●灵活的选听功能●DSP混音界面可扩展到16x8●4通道Octane技术话放,包括两个2XLR/TRS输入●6个平衡线路输入●6个平衡模拟输出●每个话放都拥有20dB增益按钮●信号/峰值LED显示灯●+48V幻象电源2个前置¼乐器输入●8个模拟大三芯输出●2个模拟插入接口●S/PDIF数字端口●内置1x1MIDI接口●两个独立的带音量调节旋钮的耳机输出●坚硬、轻便的金属底盘●支持ASIO2.0、WDM、MME、CoreAudio●USB供电M-Audio/美国1分包二5数字录音机KorgMR-1000达到1bit/5.6MHz录音质量,PCM录制分辨率可达24-bit/192kHz。支持BSDIFF、DSF、WSD、WAV、BWF格式,2声轨同时录播,内置40G硬盘Korg/日本1分包二6便携式数字录音机KorgMR-11bit/2.8MHz录播功能,PCM录制分辨率可达24-bit/192kHz。支持BSDIFF、DSF、WSD、WAV、BWF格Korg/日本2分包二第4页共11页第3页共11页编号:时间:2021年x月x日书山有路勤为径,学海无涯苦作舟页码:第4页共11页式,2声...

1、当您付费下载文档后,您只拥有了使用权限,并不意味着购买了版权,文档只能用于自身使用,不得用于其他商业用途(如 [转卖]进行直接盈利或[编辑后售卖]进行间接盈利)。
2、本站所有内容均由合作方或网友上传,本站不对文档的完整性、权威性及其观点立场正确性做任何保证或承诺!文档内容仅供研究参考,付费前请自行鉴别。
3、如文档内容存在违规,或者侵犯商业秘密、侵犯著作权等,请点击“违规举报”。

碎片内容

招投标项目申报表

确认删除?
VIP
微信客服
  • 扫码咨询
会员Q群
  • 会员专属群点击这里加入QQ群
客服邮箱
回到顶部