电脑桌面
添加小米粒文库到电脑桌面
安装后可以在桌面快捷访问

接地装置施工检查及评级记录VIP免费

接地装置施工检查及评级记录_第1页
1/244
接地装置施工检查及评级记录_第2页
2/244
接地装置施工检查及评级记录_第3页
3/244
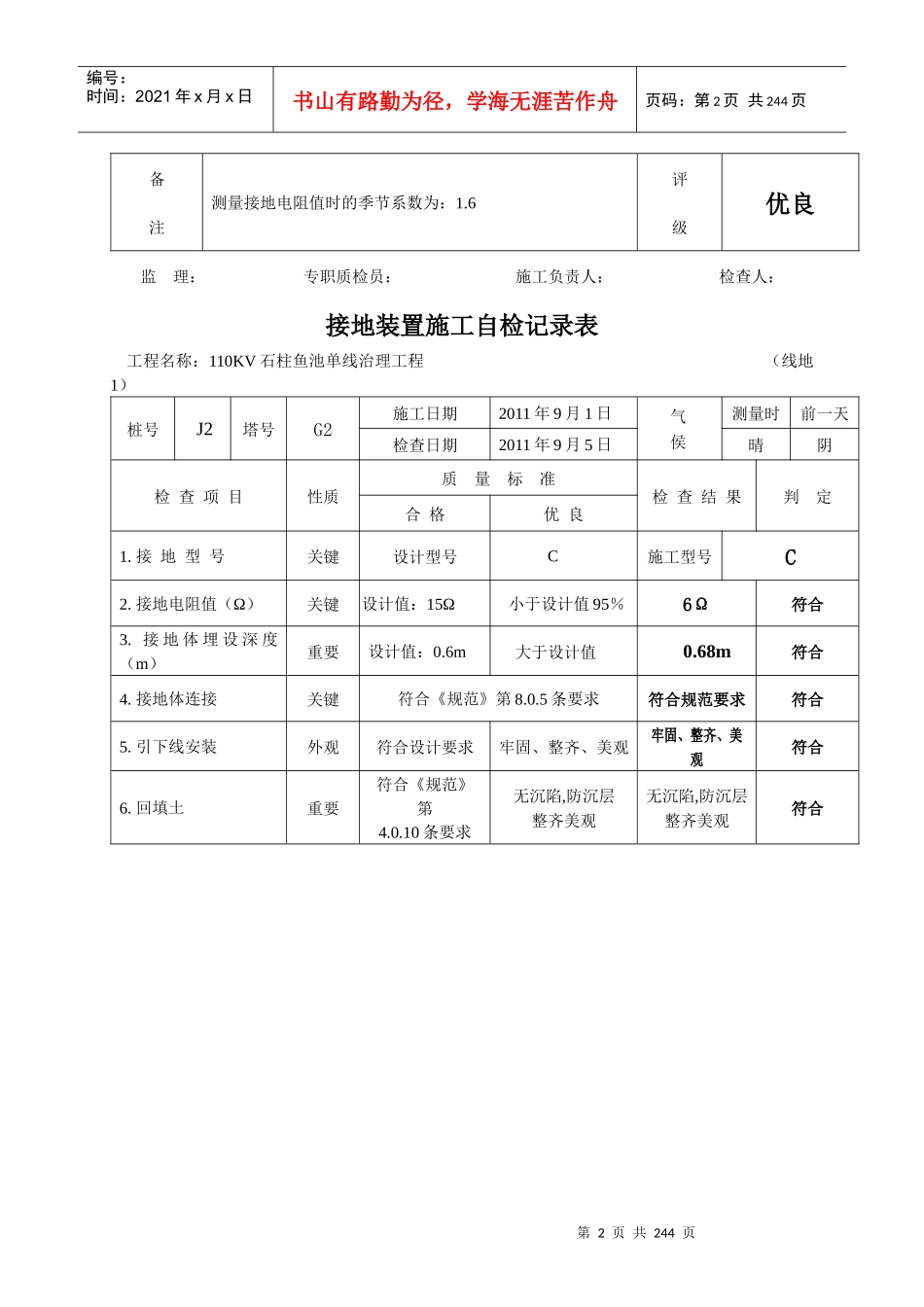
第1页共244页40m10m10m10m41m41m40m10mABCD编号:时间:2021年x月x日书山有路勤为径,学海无涯苦作舟页码:第1页共244页接地装置施工自检记录表工程名称:110KV石柱鱼池单线治理工程(线地1)桩号Z1G塔号G1施工日期2011年8月28日气侯测量时前一天检查日期2011年9月03日晴阴检查项目性质质量标准检查结果判定合格优良1.接地型号关键设计型号D施工型号D2.接地电阻值(Ω)关键设计值:15Ω小于设计值95%5Ω符合3.接地体埋设深度(m)重要设计值:0.6m大于设计值0.62m符合4.接地体连接关键符合《规范》第8.0.5条要求符合规范要求符合5.引下线安装外观符合设计要求牢固、整齐、美观牢固、整齐、美观符合6.回填土重要符合《规范》第4.0.10条要求无沉陷,防沉层整齐美观无沉陷,防沉层整齐美观符合接地装置实际敷设简图(重要)受电侧送电侧第2页共244页第1页共244页编号:时间:2021年x月x日书山有路勤为径,学海无涯苦作舟页码:第2页共244页备注测量接地电阻值时的季节系数为:1.6评级优良监理:专职质检员:施工负责人:检查人:接地装置施工自检记录表工程名称:110KV石柱鱼池单线治理工程(线地1)桩号J2塔号G2施工日期2011年9月1日气侯测量时前一天检查日期2011年9月5日晴阴检查项目性质质量标准检查结果判定合格优良1.接地型号关键设计型号C施工型号C2.接地电阻值(Ω)关键设计值:15Ω小于设计值95%6Ω符合3.接地体埋设深度(m)重要设计值:0.6m大于设计值0.68m符合4.接地体连接关键符合《规范》第8.0.5条要求符合规范要求符合5.引下线安装外观符合设计要求牢固、整齐、美观牢固、整齐、美观符合6.回填土重要符合《规范》第4.0.10条要求无沉陷,防沉层整齐美观无沉陷,防沉层整齐美观符合第3页共244页第2页共244页23m10m10m10Zm24m23m23m10mABCD编号:时间:2021年x月x日书山有路勤为径,学海无涯苦作舟页码:第3页共244页接地装置实际敷设简图(重要)受电侧送电侧备注测量接地电阻值时的季节系数为:1.6评级优良监理:专职质检员:施工负责人:检查人:接地装置施工自检记录表工程名称:110KV石柱鱼池单线治理工程(线地1)桩号Z3塔号G3施工日期2011年8月25日气侯测量时前一天检查日期2011年9月1日阴阴检查项目性质质量标准检查结果判定合格优良1.接地型号关键设计型号C施工型号C2.接地电阻值(Ω)关键设计值:15Ω小于设计值95%5Ω符合3.接地体埋设深度(m)重要设计值:0.6m大于设计值0.65m符合4.接地体连接关键符合《规范》第8.0.5条要求符合规范要求符合第4页共244页第3页共244页23m10m10m10m23m24m24m10mABCD编号:时间:2021年x月x日书山有路勤为径,学海无涯苦作舟页码:第4页共244页5.引下线安装外观符合设计要求牢固、整齐、美观牢固、整齐、美观符合6.回填土重要符合《规范》第4.0.10条要求无沉陷,防沉层整齐美观无沉陷,防沉层整齐美观符合接地装置实际敷设简图(重要)受电侧送电侧备注测量接地电阻值时的季节系数为:1.3评级优良监理:专职质检员:施工负责人:检查人:接地装置施工自检记录表工程名称:110KV石柱鱼池单线治理工程(线地1)桩号Z4塔号G4施工日期2008年4月1日气侯测量时前一天检查日期2008年5月28日晴阴检查项目性质质量标准检查结果判定合格优良1.接地型号关键设计型号施工型号第5页共244页第4页共244页60m14m14m14m60m58m59m14mABCD编号:时间:2021年x月x日书山有路勤为径,学海无涯苦作舟页码:第5页共244页2.接地电阻值(Ω)关键设计值:15Ω小于设计值95%7Ω符合3.接地体埋设深度(m)重要设计值:0.6m大于设计值0.63m符合4.接地体连接关键符合《规范》第8.0.5条要求符合规范要求符合5.引下线安装外观符合设计要求牢固、整齐、美观牢固、整齐、美观符合6.回填土重要符合《规范》第4.0.10条要求无沉陷,防沉层整齐美观无沉陷,防沉层整齐美观符合接地装置实际敷设简图(重要)受电侧送电侧备注测量接地电阻值时的季节系数为:1.6评级优良监理:专职质检员:施工负责人:检查人:接地装置施工自检记录表工程名称:110KV石柱鱼池单线治理工程(线地1)桩号Z5A塔号G5施工日期2011年7月27日气侯测量时前一天检查日期2008年8月08日阴阴第6页共24...

1、当您付费下载文档后,您只拥有了使用权限,并不意味着购买了版权,文档只能用于自身使用,不得用于其他商业用途(如 [转卖]进行直接盈利或[编辑后售卖]进行间接盈利)。
2、本站所有内容均由合作方或网友上传,本站不对文档的完整性、权威性及其观点立场正确性做任何保证或承诺!文档内容仅供研究参考,付费前请自行鉴别。
3、如文档内容存在违规,或者侵犯商业秘密、侵犯著作权等,请点击“违规举报”。

碎片内容

接地装置施工检查及评级记录

确认删除?
VIP
微信客服
  • 扫码咨询
会员Q群
  • 会员专属群点击这里加入QQ群
客服邮箱
回到顶部