电脑桌面
添加小米粒文库到电脑桌面
安装后可以在桌面快捷访问

危险化学品生产装置和储存设施平面布置的安全距离VIP免费

危险化学品生产装置和储存设施平面布置的安全距离_第1页
1/7
危险化学品生产装置和储存设施平面布置的安全距离_第2页
2/7
危险化学品生产装置和储存设施平面布置的安全距离_第3页
3/7
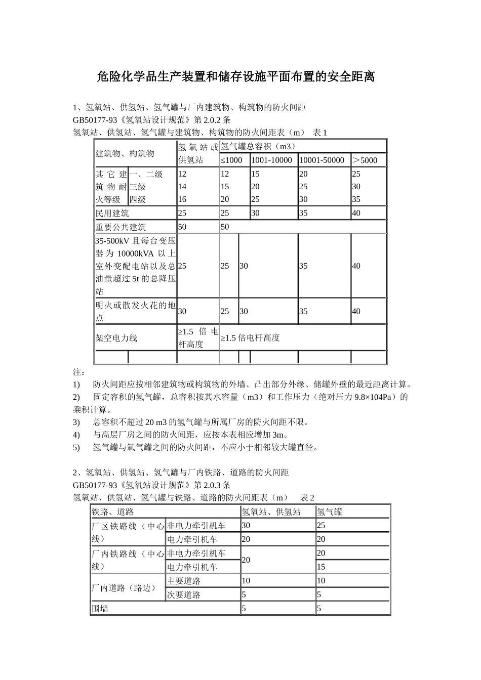
危险化学品生产装置和储存设施平面布置的安全距离1、氢氧站、供氢站、氢气罐与厂内建筑物、构筑物的防火间距GB50177-93《氢氧站设计规范》第2.0.2条氢氧站、供氢站、氢气罐与建筑物、构筑物的防火间距表(m)表1建筑物、构筑物氢氧站或供氢站氢气罐总容积(m3)≤10001001-1000010001-50000>5000其它建筑物耐火等级一、二级三级四级121416121520152025202530253035民用建筑2525303540重要公共建筑505035-500kV且每台变压器为10000kVA以上室外变配电站以及总油量超过5t的总降压站2525303540明火或散发火花的地点3025303540架空电力线≥1.5倍电杆高度≥1.5倍电杆高度注:1)防火间距应按相邻建筑物或构筑物的外墙、凸出部分外缘、储罐外壁的最近距离计算。2)固定容积的氢气罐,总容积按其水容量(m3)和工作压力(绝对压力9.8×104Pa)的乘积计算。3)总容积不超过20m3的氢气罐与所属厂房的防火间距不限。4)与高层厂房之间的防火间距,应按本表相应增加3m。5)氢气罐与氧气罐之间的防火间距,不应小于相邻较大罐直径。2、氢氧站、供氢站、氢气罐与厂内铁路、道路的防火间距GB50177-93《氢氧站设计规范》第2.0.3条氢氧站、供氢站、氢气罐与铁路、道路的防火间距表(m)表2铁路、道路氢氧站、供氢站氢气罐厂区铁路线(中心线)非电力牵引机车3025电力牵引机车2020厂内铁路线(中心线)非电力牵引机车2020电力牵引机车15厂内道路(路边)主要道路1010次要道路55围墙55注:防火间距应从氢气罐外壁算起。3、供氢站厂内平面布置的防火间距GB4962-85《氢气使用安全技术规程》第2.1.2条供氢站平面布置的防火间距表表3名称最小防火间距,m其他建筑物耐火等级一、二级三级四级121416甲类物品库房20屋外变、配电站25民用建筑25重要公共建筑50明火或散发火花地点30水槽式可燃气体贮罐,m3≤500501-10000>10000121520水槽式氧气贮罐,m3≤1000>10001012易燃液体贮罐,m31-5051-200201-10001001-500015192531可燃液体贮罐按5m3可燃液体等于1m3易燃液体折算煤和焦炭,t100-5000>500068厂内铁路(中心线)25厂内主要道路10厂内次要道路5注:①建筑物之间的防火间距按相邻外墙的最近距离计算。如外墙有凸出的燃烧物件,则应从其凸出部分外缘算起;贮罐、变压器的防火间距应从距建筑物最近的外壁算起。②供氢站与其他建筑物相邻面的外墙均为非燃烧体,且无门、窗、洞及无外露的燃烧体屋檐,其防火间距可按本表减少25%。③固定容积可燃气体贮罐,应按其水容量(m3)和工作压力(kg/m2)的乘积,按本表水槽式贮罐的要求执行。④供氢站与架空电力线的防火间距,不应小于电线杆高度1.5倍。4、氧气站等的乙类生产建筑物与厂内各类建、构筑物之间的最小防火间距表GB50030-91《氧气站设计规范》第2.0.3条氧气站等的乙类生产建筑物与各类建、构筑物之间的最小防火间距表表4最小防氧气站建、构氧气站等的一、二级耐火等级的湿式氧化贮罐(m3)≤10001001-50000>50000火间距(m)筑物名称乙类生产建筑物其他各类生产建筑物耐火等级一、二级三级四级101214101214121416141618民用建筑、明火或散发火花地点25253035重要公共建筑5050室外变、配电站(35-500kV且每台变压器为10000kVA以上)以及油量超过5t的总降压站25253035厂内铁路线路(中心线)非电力牵引机车电力牵引机车20152015厂内道路(路边)主要次要105105电力架空线1.5倍电杆高度1.5倍电杆高度液化石油气贮罐单罐容量(m3)≤56-1011-3031-100101-400401-1000>100012182025304050202530405060注:1)固定容积的氧气贮罐,其容积按水容量(m3)和工作压力(绝对9.5×104Pa)的乘积计算。2)液氧贮罐以1m3液氧折合800m3标准状态气氧计算,按本表氧气贮罐相应贮量的规定执行。3)氧气贮罐、惰性气体贮罐、室外布置的工艺设备与其制氧厂房的间距,可按工艺布置要求确定。4)氧气贮罐之间的防火间距,不应小于相邻较大罐的半径。氧气贮罐与可燃气体贮罐之间的防火间距不应小于相邻较大罐的直径。5)容积不超过50m3的氧气贮罐与所属使用厂房的防火间距不限。6)容积不超过3m3的液气贮罐与所属使用建筑的防火间距,可减少为10m。7)液氧贮罐周围5m的范围内,不应有可...

1、当您付费下载文档后,您只拥有了使用权限,并不意味着购买了版权,文档只能用于自身使用,不得用于其他商业用途(如 [转卖]进行直接盈利或[编辑后售卖]进行间接盈利)。
2、本站所有内容均由合作方或网友上传,本站不对文档的完整性、权威性及其观点立场正确性做任何保证或承诺!文档内容仅供研究参考,付费前请自行鉴别。
3、如文档内容存在违规,或者侵犯商业秘密、侵犯著作权等,请点击“违规举报”。

碎片内容

危险化学品生产装置和储存设施平面布置的安全距离

您可能关注的文档

确认删除?
VIP
微信客服
  • 扫码咨询
会员Q群
  • 会员专属群点击这里加入QQ群
客服邮箱
回到顶部